Запчасти Komatsu D475A-3 ГИДРОЛИНИЯ ТРАНСМИССИИ СИЛОВАЯ ПЕРЕДАЧА И КОНЕЧНАЯ ПЕРЕДАЧА

Схема запчастей Komatsu D475A-3 - ГИДРОЛИНИЯ ТРАНСМИССИИ СИЛОВАЯ ПЕРЕДАЧА И КОНЕЧНАЯ ПЕРЕДАЧА
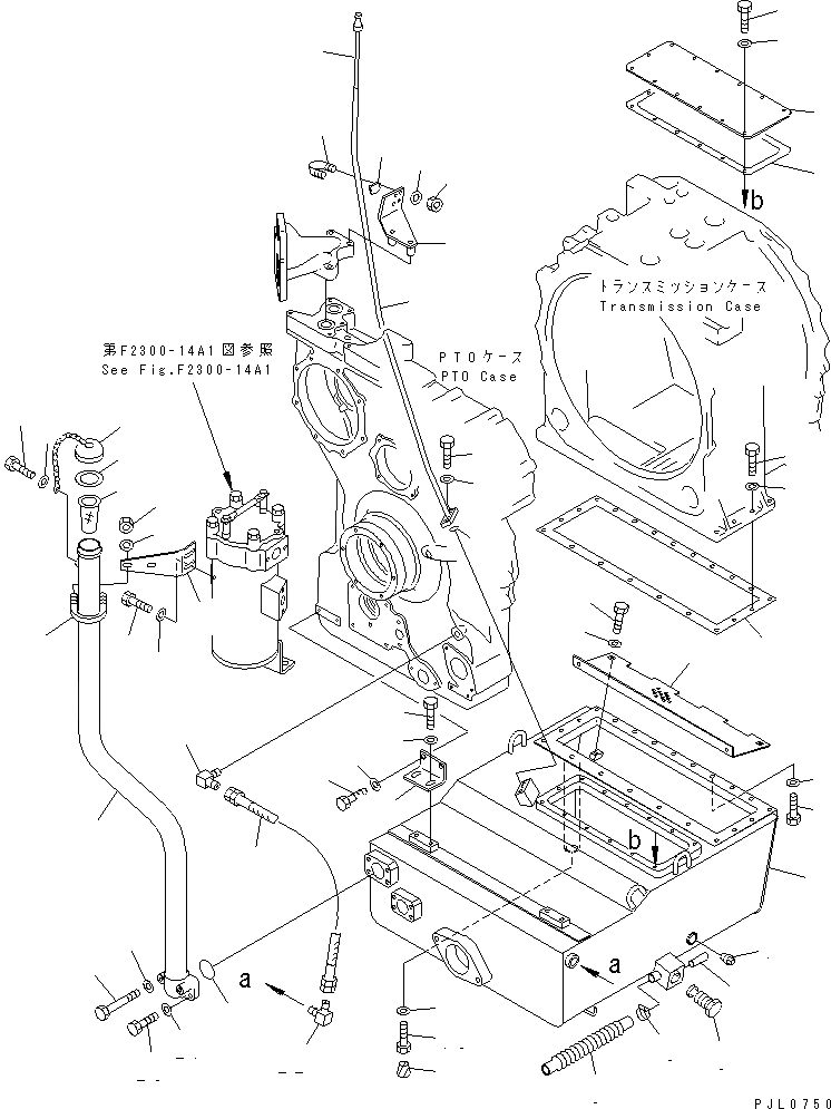
1
2
3
4
5
6
6A
6B
6C
6D
7
8
9
10
11
12
13
14
15
16
17
18
19
19
20
20
21
22
22
23
24
25
26
27
27
28
29
30
31
32
33
34
35
36
37
38
39
40
41
42
43
44
45
46
47
48
FIT
1:1
100%

Артикул

Название

Примечание

Количество

1

198-49-51112

TANK

SN: 10601-UP

1шт.

2

198-49-51190

PLATE

SN: 10601-UP

1шт.

3

01010-81020

BOLT

SN: 10601-UP

4шт.

4

01643-31032

WASHER

SN: 10601-UP

4шт.

5

195-60-41240

VALVE

SN: 10601-UP

1шт.

6

04020-00514

PIN,DOWEL

SN: 10601-UP

1шт.

6A

6164-21-6510

COVER

SN: 10601-UP

1шт.

6B

6164-21-6351

GASKET

SN: 10601-UP

1шт.

6C

01010-81025

BOLT

SN: 10601-UP

14шт.

6D

01643-31032

WASHER

SN: 10601-UP

14шт.

7

07042-70617

PLUG

SN: 10601-UP

1шт.

8

198-49-35210

HOSE

SN: 10601-UP

1шт.

9

07281-00359

CLAMP

SN: 10601-UP

1шт.

10

198-49-35181

GASKET

SN: 10601-UP

1шт.

11

01010-81230

BOLT

SN: 10601-UP

8шт.

12

01643-31232

WASHER

SN: 10601-UP

8шт.

13

01010-81250

BOLT

SN: 10601-UP

8шт.

14

01643-31232

WASHER

SN: 10601-UP

8шт.

15

01010-81250

BOLT

SN: 10601-UP

5шт.

16

01643-31232

WASHER

SN: 10601-UP

5шт.

17

07049-03949

PLUG

SN: 10601-10717

5шт.

18

198-49-51210

BRACKET

SN: 10601-UP

2шт.

19

01010-81235

BOLT

SN: 10601-UP

8шт.

20

01643-31232

WASHER

SN: 10601-UP

8шт.

21

07102-20604

HOSE

SN: 10601-UP

1шт.

22

578-41-17120

ELBOW

SN: 10601-UP

2шт.

23

198-49-51151

TUBE

SN: 10601-UP

1шт.

24

07000-03058

O-RING

SN: 10601-UP

1шт.

25

01010-81240

BOLT

SN: 10601-UP

2шт.

26

01010-81285

BOLT

SN: 10601-UP

2шт.

27

01643-31232

WASHER

SN: 10601-UP

4шт.

28

198-49-51290

PLATE

SN: 10601-UP

1шт.

29

01010-81225

BOLT

SN: 10601-UP

2шт.

30

01643-31232

WASHER

SN: 10601-UP

2шт.

31

07283-26155

CLIP

SN: 10601-UP

1шт.

32

01599-01011

NUT

SN: 10601-UP

2шт.

33

01643-31032

WASHER

SN: 10601-UP

2шт.

34

195-49-12110

CAP ASS'Y

SN: 10601-UP

1шт.

35

07051-00003

GASKET

SN: 10601-UP

1шт.

36

01010-81020

BOLT

SN: 10601-UP

1шт.

37

01643-31032

WASHER

SN: 10601-UP

1шт.

38

07056-10045

STRAINER

SN: 10601-UP

1шт.

39

198-49-51162

TUBE

SN: 10601-UP

1шт.

40

07000-72016

O-RING

SN: 10601-UP

1шт.

41

01010-81230

BOLT

SN: 10601-UP

2шт.

42

01643-31232

WASHER

SN: 10601-UP

2шт.

43

07283-31529

CLIP

SN: 10601-UP

1шт.

44

07283-51523

SEAT

SN: 10601-UP

1шт.

45

01598-00809

NUT

SN: 10601-UP

2шт.

46

01643-30823

WASHER

SN: 10601-UP

2шт.

47

198-49-35151

GAUGE

SN: 10601-UP

1шт.

48

198-49-35171

BRACKET

SN: 10601-10717

1шт.

Выбрано товаров: 52