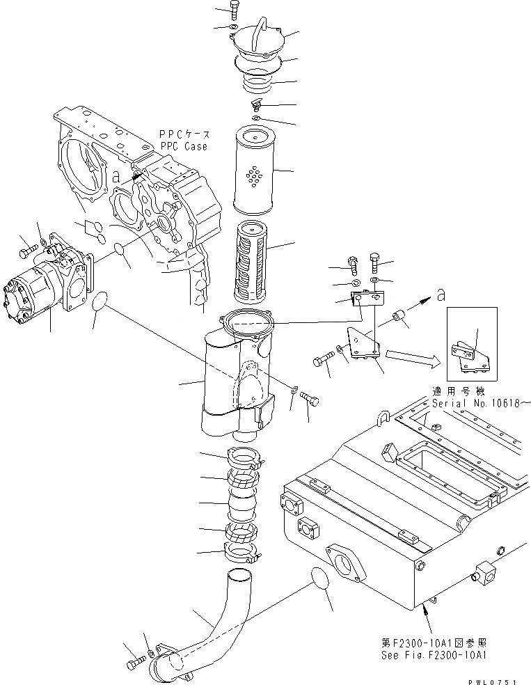
Запчасти Komatsu D475A-3 МАСЛЯНЫЙ ФИЛЬТР СИЛОВАЯ ПЕРЕДАЧА И КОНЕЧНАЯ ПЕРЕДАЧА

Схема запчастей Komatsu D475A-3 - МАСЛЯНЫЙ ФИЛЬТР СИЛОВАЯ ПЕРЕДАЧА И КОНЕЧНАЯ ПЕРЕДАЧА
1
2
3
4
5
6
6
7
7
8
9
10
11
12
13
14
15
16
17
18
19
20
21
21
22
23
24
25
26
26
27
27
28
29
30
31
32
FIT
1:1
100%

Артикул

Название

Примечание

Количество

1

198-49-51120

TUBE

SN: 10601-UP

1шт.

2

07000-32105

O-RING

SN: 10601-UP

1шт.

3

01010-61645

BOLT

SN: 10601-UP

2шт.

4

01643-31645

WASHER

SN: 10601-UP

2шт.

5

07332-03400

COUPLING

SN: 10601-UP

1шт.

6

07332-53400

GASKET

SN: 10601-UP

2шт.

7

07332-63400

CLAMP

SN: 10601-UP

2шт.

8

198-49-51131

CASE

SN: 10601-UP

1шт.

9

198-49-33141

MAGNET ASS'Y

SN: 10601-UP

1шт.

10

198-49-43120

SCREEN

SN: 10601-UP

1шт.

11

195-49-35151

BOLT

SN: 10601-UP

1шт.

12

01643-32060

WASHER

SN: 10601-UP

1шт.

13

21T-60-13650

SPRING

SN: 10601-UP

1шт.

14

198-49-33131

COVER

SN: 10601-UP

1шт.

15

07000-35190

O-RING

SN: 10601-UP

1шт.

16

01010-81235

BOLT

SN: 10601-UP

3шт.

17

01643-31232

WASHER

SN: 10601-UP

3шт.

18

07000-32100

O-RING

SN: 10601-UP

1шт.

19

01010-61650

BOLT

SN: 10601-UP

4шт.

20

01643-31645

WASHER

SN: 10601-UP

4шт.

21

198-49-51410

BRACKET

SN: 10618-UP

1шт.

21

198-49-33250

BRACKET

SN: 10601-10617

1шт.

22

01010-81265

BOLT

SN: 10601-UP

2шт.

23

01643-31232

WASHER

SN: 10601-UP

2шт.

24

6131-22-3750

BOSS

SN: 10601-UP

2шт.

25

198-49-33260

BRACKET

SN: 10601-UP

1шт.

26

01010-81240

BOLT

SN: 10601-UP

4шт.

27

175-54-34170

WASHER

SN: 10601-UP

4шт.

28

704-71-44050

PUMP ASS'Y,POWER LINE

SN: 10601-UP

1шт.

29

07000-32070

O-RING

SN: 10601-UP

1шт.

30

07000-73040

O-RING

SN: 10601-UP

2шт.

31

01010-81240

BOLT

SN: 10601-UP

4шт.

32

01643-31232

WASHER

SN: 10601-UP

4шт.

Выбрано товаров: 33