Запчасти Komatsu SDA12V140-1B-A ТОПЛ. НАСОС (НАСОС) (ЛЕВ.) (/) (ДЛЯ ЭЛЕКТРИЧ. РЕГУЛЯТОРА) (ДЛЯ EC REGULATION) (ВНУТР. ЧАСТИ)(№79-) ДВИГАТЕЛЬ

Схема запчастей Komatsu SDA12V140-1B-A - ТОПЛ. НАСОС (НАСОС) (ЛЕВ.) (/) (ДЛЯ ЭЛЕКТРИЧ. РЕГУЛЯТОРА) (ДЛЯ EC REGULATION) (ВНУТР. ЧАСТИ)(№79-) ДВИГАТЕЛЬ
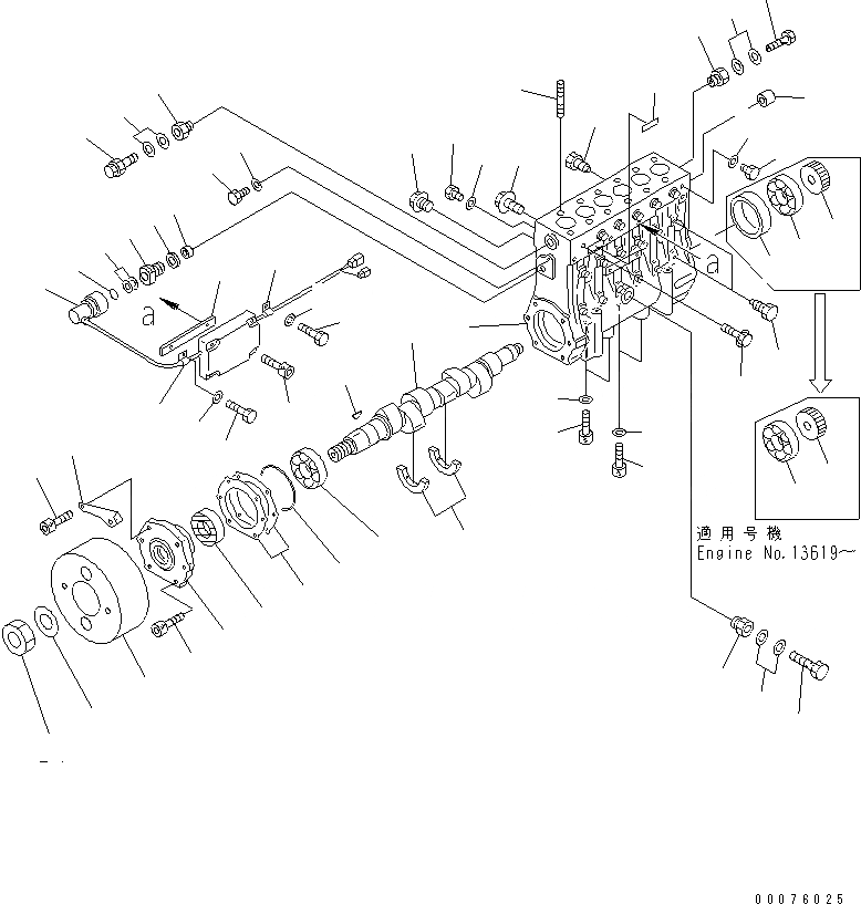
1
2
3
4
5
6
7
8
9
9
9
10
11
12
12
13
13
14
14
14
15
15
16
17
18
19
20
20
21
22
23
24
25
26
27
28
28
29
29
30
30
30
31
31
31
32
32
33
34
35
36
37
38
39
40
41
42
42
43
43
44
1
2
3
4
5
6
7
8
9
9
9
10
11
12
12
13
13
14
14
14
15
15
16
17
18
19
20
20
21
22
23
24
25
26
27
28
28
29
29
30
30
30
31
31
31
32
32
33
34
35
36
37
38
39
40
41
42
42
43
43
44
FIT
1:1
100%

Артикул

Название

Примечание

Количество

|$1

6553-00-1121

INJECTION PUMP A.,L.H.

SN: 13044-UP

1шт.

|$2

0

INJECTION PUMP A.,L.H.

SN: 11794-13043

1шт.

|$$3

THESE ASSEMBLIES CONSIST OF ALL PARTS SHOWN IN FIGS.A4010-B7D6 T0 A4010-E7D6.

-1шт.

|$4

6553-21-1103

HOUSING ASS'Y

SN: 13044-UP

1шт.

|$5

0

HOUSING ASS'Y

SN: 11794-13043

1шт.

1

0

HOUSING

SN: 13044-UP

1шт.

1

0

HOUSING

SN: 11794-13043

1шт.

2

0

BUSHING

SN: 11794-UP

1шт.

3

0

ADAPTER

SN: 11794-UP

1шт.

4

0

WASHER

SN: 11794-UP

1шт.

5

0

BUSHING

SN: 11794-UP

1шт.

6

0

STUD

SN: 11794-UP

12шт.

7

0

BUSHING

SN: 11794-13618

1шт.

8

6553-21-6510

PLUG

SN: 11794-UP

1шт.

9

6553-21-6310

ADAPTER

SN: 11794-UP

3шт.

10

6553-31-1210

CAMSHAFT

SN: 11794-UP

1шт.

11

6553-21-3210

BEARING

SN: 11794-UP

2шт.

12

01252-30635

BOLT

SN: 11794-UP

4шт.

13

07005-00612

SEAL, WASHER

SN: 11794-UP

4шт.

14

6553-31-2510

BEARING

SN: 11794-UP

2шт.

15

6553-71-3310

GEAR

SN: 11794-UP

1шт.

16

6553-21-2110

PLATE

SN: 11794-UP

1шт.

17

6553-21-8510

SEAL

SN: 11794-UP

1шт.

18

6553-21-9120

SHIM, 0.10MM

SN: 11794-UP

-2шт.

18

6553-21-9130

SHIM, 0.13MM

SN: 11794-UP

-2шт.

18

6553-21-9140

SHIM, 0.15MM

SN: 11794-UP

-2шт.

18

6553-21-9150

SHIM, 0.18MM

SN: 11794-UP

-2шт.

18

6553-21-9160

SHIM, 0.20MM

SN: 11794-UP

-2шт.

18

6553-21-9170

SHIM, 0.25MM

SN: 11794-UP

-2шт.

18

6553-21-9180

SHIM, 0.30MM

SN: 11794-UP

-2шт.

18

6553-21-9190

SHIM, 0.35MM

SN: 11794-UP

-2шт.

18

6553-21-9210

SHIM, 0.40MM

SN: 11794-UP

-2шт.

18

6553-21-9220

SHIM, 0.45MM

SN: 11794-UP

-2шт.

18

6553-21-9230

SHIM, 0.50MM

SN: 11794-UP

-2шт.

18

6553-21-9240

SHIM, 1.00MM

SN: 11794-UP

-2шт.

19

6553-21-8110

O-RING

SN: 11794-UP

1шт.

20

01252-30830

BOLT

SN: 11794-UP

6шт.

21

6553-91-3930

POINTER

SN: 11794-UP

1шт.

22

6553-91-3140

FLYWHEEL

SN: 11794-UP

1шт.

23

04010-00519

KEY

SN: 11794-UP

1шт.

24

01582-02419

NUT

SN: 11794-UP

1шт.

25

01643-32460

WASHER

SN: 11794-UP

1шт.

26

6215-71-9990

VALVE

SN: 11794-UP

1шт.

27

07005-01412

SEAL, WASHER

SN: 11794-UP

2шт.

28

07206-31014

BOLT,JOINT

SN: 11794-UP

2шт.

29

07005-01412

SEAL, WASHER

SN: 11794-UP

4шт.

30

6110-73-6231

PLUG

SN: 12074-UP

3шт.

30

6553-21-6110

BOLT

SN: 11794-12073

3шт.

31

07005-00812

SEAL, WASHER

SN: 11794-UP

3шт.

32

6553-21-5231

DEFLECTOR

SN: 14986-UP

12шт.

32

6553-21-5230

DEFLECTOR

SN: 11794-14985

12шт.

33

6553-21-7311

BOLT

SN: 11794-UP

12шт.

34

6553-21-7311

BOLT

SN: 11794-UP

1шт.

35

6553-81-5351

SENSOR

SN: 11794-UP

1шт.

35

0

SENSOR

SN: (11794-12664)

1шт.

36

07000-02018

O-RING

SN: 11794-UP

1шт.

37

6553-81-5710

SHIM, 0.1MM

SN: 11794-UP

-2шт.

37

6553-81-5720

SHIM, 0.3MM

SN: 11794-UP

-2шт.

37

6553-81-5730

SHIM, 0.5MM

SN: 11794-UP

-2шт.

38

6553-81-5510

PLATE

SN: 11794-UP

1шт.

39

01252-30835

BOLT

SN: 12665-UP

4шт.

39

0

BOLT

SN: 11794-12664

4шт.

40

04434-50508

CLIP

SN: 11794-UP

1шт.

41

04434-51808

CLIP

SN: 11794-UP

1шт.

42

01010-80812

BOLT

SN: 11794-UP

2шт.

43

01643-30823

WASHER

SN: 11794-UP

2шт.

44

6553-91-9190

PLATE, NAME

SN: 11794-UP

1шт.

|$1

6553-00-1121

INJECTION PUMP A.,L.H.

SN: 13044-UP

1шт.

|$2

0

INJECTION PUMP A.,L.H.

SN: 11794-13043

1шт.

|$$3

THESE ASSEMBLIES CONSIST OF ALL PARTS SHOWN IN FIGS.A4010-B7D6 T0 A4010-E7D6.

-1шт.

|$4

6553-21-1103

HOUSING ASS'Y

SN: 13044-UP

1шт.

|$5

0

HOUSING ASS'Y

SN: 11794-13043

1шт.

1

0

HOUSING

SN: 13044-UP

1шт.

1

0

HOUSING

SN: 11794-13043

1шт.

2

0

BUSHING

SN: 11794-UP

1шт.

3

0

ADAPTER

SN: 11794-UP

1шт.

4

0

WASHER

SN: 11794-UP

1шт.

5

0

BUSHING

SN: 11794-UP

1шт.

6

0

STUD

SN: 11794-UP

12шт.

7

0

BUSHING

SN: 11794-13618

1шт.

8

6553-21-6510

PLUG

SN: 11794-UP

1шт.

9

6553-21-6310

ADAPTER

SN: 11794-UP

3шт.

10

6553-31-1210

CAMSHAFT

SN: 11794-UP

1шт.

11

6553-21-3210

BEARING

SN: 11794-UP

2шт.

12

01252-30635

BOLT

SN: 11794-UP

4шт.

13

07005-00612

SEAL, WASHER

SN: 11794-UP

4шт.

14

6553-31-2510

BEARING

SN: 11794-UP

2шт.

15

6553-71-3310

GEAR

SN: 11794-UP

1шт.

16

6553-21-2110

PLATE

SN: 11794-UP

1шт.

17

6553-21-8510

SEAL

SN: 11794-UP

1шт.

18

6553-21-9120

SHIM, 0.10MM

SN: 11794-UP

-2шт.

18

6553-21-9130

SHIM, 0.13MM

SN: 11794-UP

-2шт.

18

6553-21-9140

SHIM, 0.15MM

SN: 11794-UP

-2шт.

18

6553-21-9150

SHIM, 0.18MM

SN: 11794-UP

-2шт.

18

6553-21-9160

SHIM, 0.20MM

SN: 11794-UP

-2шт.

18

6553-21-9170

SHIM, 0.25MM

SN: 11794-UP

-2шт.

18

6553-21-9180

SHIM, 0.30MM

SN: 11794-UP

-2шт.

18

6553-21-9190

SHIM, 0.35MM

SN: 11794-UP

-2шт.

18

6553-21-9210

SHIM, 0.40MM

SN: 11794-UP

-2шт.

18

6553-21-9220

SHIM, 0.45MM

SN: 11794-UP

-2шт.

18

6553-21-9230

SHIM, 0.50MM

SN: 11794-UP

-2шт.

18

6553-21-9240

SHIM, 1.00MM

SN: 11794-UP

-2шт.

19

6553-21-8110

O-RING

SN: 11794-UP

1шт.

20

01252-30830

BOLT

SN: 11794-UP

6шт.

21

6553-91-3930

POINTER

SN: 11794-UP

1шт.

22

6553-91-3140

FLYWHEEL

SN: 11794-UP

1шт.

23

04010-00519

KEY

SN: 11794-UP

1шт.

24

01582-02419

NUT

SN: 11794-UP

1шт.

25

01643-32460

WASHER

SN: 11794-UP

1шт.

26

6215-71-9990

VALVE

SN: 11794-UP

1шт.

27

07005-01412

SEAL, WASHER

SN: 11794-UP

2шт.

28

07206-31014

BOLT,JOINT

SN: 11794-UP

2шт.

29

07005-01412

SEAL, WASHER

SN: 11794-UP

4шт.

30

6110-73-6231

PLUG

SN: 12074-UP

3шт.

30

6553-21-6110

BOLT

SN: 11794-12073

3шт.

31

07005-00812

SEAL, WASHER

SN: 11794-UP

3шт.

32

6553-21-5231

DEFLECTOR

SN: 14986-UP

12шт.

32

6553-21-5230

DEFLECTOR

SN: 11794-14985

12шт.

33

6553-21-7311

BOLT

SN: 11794-UP

12шт.

34

6553-21-7311

BOLT

SN: 11794-UP

1шт.

35

6553-81-5351

SENSOR

SN: 11794-UP

1шт.

35

0

SENSOR

SN: (11794-12664)

1шт.

36

07000-02018

O-RING

SN: 11794-UP

1шт.

37

6553-81-5710

SHIM, 0.1MM

SN: 11794-UP

-2шт.

37

6553-81-5720

SHIM, 0.3MM

SN: 11794-UP

-2шт.

37

6553-81-5730

SHIM, 0.5MM

SN: 11794-UP

-2шт.

38

6553-81-5510

PLATE

SN: 11794-UP

1шт.

39

01252-30835

BOLT

SN: 12665-UP

4шт.

39

0

BOLT

SN: 11794-12664

4шт.

40

04434-50508

CLIP

SN: 11794-UP

1шт.

41

04434-51808

CLIP

SN: 11794-UP

1шт.

42

01010-80812

BOLT

SN: 11794-UP

2шт.

43

01643-30823

WASHER

SN: 11794-UP

2шт.

44

6553-91-9190

PLATE, NAME

SN: 11794-UP

1шт.

Выбрано товаров: 134