Запчасти Komatsu SDA12V140-1C-A ТУРБОНАГНЕТАТЕЛЬ ВОДН. ГИДРОЛИНИЯ (КРОМЕ ЯПОН.)(№797-) ДВИГАТЕЛЬ

Схема запчастей Komatsu SDA12V140-1C-A - ТУРБОНАГНЕТАТЕЛЬ ВОДН. ГИДРОЛИНИЯ (КРОМЕ ЯПОН.)(№797-) ДВИГАТЕЛЬ
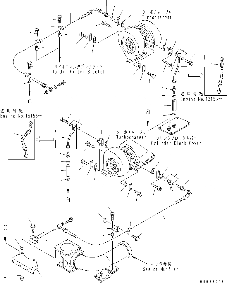
1
1
1
1
2
2
2
2
3
3
4
4
5
5
5
6
7
7
7
7
8
8
9
9
10
10
11
11
11
12
13
14
15
15
16
16
16
16
17
17
18
18
19
19
20
21
22
23
24
25
26
27
27
27
28
28
29
29
30
31
32
33
34
35
36
37
1
1
1
1
2
2
2
2
3
3
4
4
5
5
5
6
7
7
7
7
8
8
9
9
10
10
11
11
11
12
13
14
15
15
16
16
16
16
17
17
18
18
19
19
20
21
22
23
24
25
26
27
27
27
28
28
29
29
30
31
32
33
34
35
36
37
FIT
1:1
100%

Артикул

Название

Примечание

Количество

1

6164-62-8230

PLATE

SN: 11797-UP

4шт.

2

6164-62-8241

GASKET (K1)

SN: 11797-UP

4шт.

3

01010-E1025

BOLT

SN: 11797-UP

4шт.

4

01010-E1030

BOLT

SN: 11797-UP

4шт.

5

6162-63-8570

JOINT

SN: 11797-UP

3шт.

6

6215-61-8681

JOINT,L.H.

SN: 12606-UP

1шт.

6

0

JOINT,L.H.

SN: 11797-12605

1шт.

7

6164-62-8241

GASKET (K1)

SN: 11797-UP

4шт.

8

6215-61-8322

TUBE,R.H.

SN: 11797-UP

1шт.

8

0

TUBE,R.H.

SN: (11797-13152)

1шт.

8

0

TUBE,R.H.

SN: (11797-12093)

1шт.

9

6215-61-8332

TUBE,L.H.

SN: 11797-UP

1шт.

9

0

TUBE,L.H.

SN: (11797-13152)

1шт.

10

6215-61-8610

JOINT

SN: 11797-UP

2шт.

11

01252-61035

BOLT

SN: 11797-UP

6шт.

12

01252-61035

BOLT

SN: 12606-UP

2шт.

12

01252-61025

BOLT

SN: 11797-12605

2шт.

13

07212-50814

NIPPLE,R.H.

SN: 11797-UP

1шт.

14

6215-61-6550

JOINT,L.H.

SN: 11797-UP

1шт.

15

07206-31014

BOLT,JOINT

SN: 11797-UP

2шт.

16

07005-01412

SEAL, WASHER (K1)

SN: 11797-UP

6шт.

17

07211-51016

NIPPLE

SN: 11797-UP

2шт.

18

07003-02026

GASKET (K1)

SN: 11797-UP

2шт.

19

07003-01621

GASKET (K1)

SN: 11797-UP

2шт.

20

6215-61-8460

BRACKET

SN: 11797-UP

1шт.

21

01010-E1070

BOLT

SN: 11797-UP

2шт.

22

01643-31032

WASHER

SN: 11797-UP

2шт.

23

6215-61-8450

JOINT

SN: 11797-UP

1шт.

24

01435-00850

BOLT

SN: 11797-UP

2шт.

25

6215-61-8470

TUBE,L.H.

SN: 11797-UP

1шт.

26

6215-61-8480

TUBE,R.H.

SN: 11797-UP

1шт.

27

6151-51-8540

CLIP

SN: 11797-UP

3шт.

28

01010-81045

BOLT

SN: 11797-UP

2шт.

29

6166-11-5391

SPACER

SN: 11797-UP

2шт.

30

6151-53-8280

CLIP

SN: 11797-UP

1шт.

31

01435-00825

BOLT

SN: 11797-UP

1шт.

32

6130-12-1961

SPACER

SN: 11797-UP

1шт.

33

6151-81-5960

BRACKET

SN: 11797-UP

1шт.

34

01010-E1055

BOLT

SN: 11797-UP

1шт.

35

6631-11-5630

SPACER

SN: 11797-UP

1шт.

36

01435-01016

BOLT

SN: 11797-UP

1шт.

37

01584-01008

NUT

SN: 11797-UP

1шт.

1

6164-62-8230

PLATE

SN: 11797-UP

4шт.

2

6164-62-8241

GASKET (K1)

SN: 11797-UP

4шт.

3

01010-E1025

BOLT

SN: 11797-UP

4шт.

4

01010-E1030

BOLT

SN: 11797-UP

4шт.

5

6162-63-8570

JOINT

SN: 11797-UP

3шт.

6

6215-61-8681

JOINT,L.H.

SN: 12606-UP

1шт.

6

0

JOINT,L.H.

SN: 11797-12605

1шт.

7

6164-62-8241

GASKET (K1)

SN: 11797-UP

4шт.

8

6215-61-8322

TUBE,R.H.

SN: 11797-UP

1шт.

8

0

TUBE,R.H.

SN: (11797-13152)

1шт.

8

0

TUBE,R.H.

SN: (11797-12093)

1шт.

9

6215-61-8332

TUBE,L.H.

SN: 11797-UP

1шт.

9

0

TUBE,L.H.

SN: (11797-13152)

1шт.

10

6215-61-8610

JOINT

SN: 11797-UP

2шт.

11

01252-61035

BOLT

SN: 11797-UP

6шт.

12

01252-61035

BOLT

SN: 12606-UP

2шт.

12

01252-61025

BOLT

SN: 11797-12605

2шт.

13

07212-50814

NIPPLE,R.H.

SN: 11797-UP

1шт.

14

6215-61-6550

JOINT,L.H.

SN: 11797-UP

1шт.

15

07206-31014

BOLT,JOINT

SN: 11797-UP

2шт.

16

07005-01412

SEAL, WASHER (K1)

SN: 11797-UP

6шт.

17

07211-51016

NIPPLE

SN: 11797-UP

2шт.

18

07003-02026

GASKET (K1)

SN: 11797-UP

2шт.

19

07003-01621

GASKET (K1)

SN: 11797-UP

2шт.

20

6215-61-8460

BRACKET

SN: 11797-UP

1шт.

21

01010-E1070

BOLT

SN: 11797-UP

2шт.

22

01643-31032

WASHER

SN: 11797-UP

2шт.

23

6215-61-8450

JOINT

SN: 11797-UP

1шт.

24

01435-00850

BOLT

SN: 11797-UP

2шт.

25

6215-61-8470

TUBE,L.H.

SN: 11797-UP

1шт.

26

6215-61-8480

TUBE,R.H.

SN: 11797-UP

1шт.

27

6151-51-8540

CLIP

SN: 11797-UP

3шт.

28

01010-81045

BOLT

SN: 11797-UP

2шт.

29

6166-11-5391

SPACER

SN: 11797-UP

2шт.

30

6151-53-8280

CLIP

SN: 11797-UP

1шт.

31

01435-00825

BOLT

SN: 11797-UP

1шт.

32

6130-12-1961

SPACER

SN: 11797-UP

1шт.

33

6151-81-5960

BRACKET

SN: 11797-UP

1шт.

34

01010-E1055

BOLT

SN: 11797-UP

1шт.

35

6631-11-5630

SPACER

SN: 11797-UP

1шт.

36

01435-01016

BOLT

SN: 11797-UP

1шт.

37

01584-01008

NUT

SN: 11797-UP

1шт.

Выбрано товаров: 84