Запчасти Komatsu D475A-3 КЛАПАН УПРАВЛЕНИЯ ТРАНСМИССИЕЙ (/) СИЛОВАЯ ПЕРЕДАЧА И КОНЕЧНАЯ ПЕРЕДАЧА

Схема запчастей Komatsu D475A-3 - КЛАПАН УПРАВЛЕНИЯ ТРАНСМИССИЕЙ (/) СИЛОВАЯ ПЕРЕДАЧА И КОНЕЧНАЯ ПЕРЕДАЧА
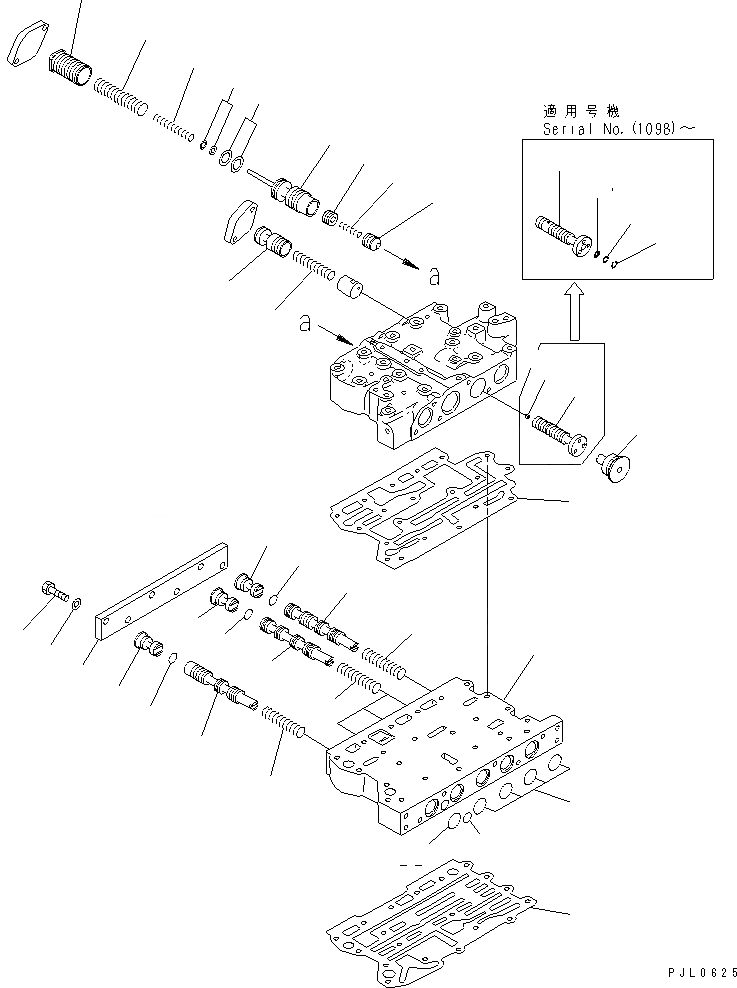
1
2
3
4
5
6
7
8
9
10
11
12
13
13
13A
13B
13C
14
15
16
17
18
19
19
19
20
20
20
21
22
22
23
23
23
24
25
26
27
28
FIT
1:1
100%

Артикул

Название

Примечание

Количество

|$1

198-15-31000

TRANSMISSION ASS'Y

SN: 10601-UP

1шт.

|$$2

THIS ASSEMBLY CONSISTS OF ALL PARTS SHOWN IN FIGS.F2320-51A0 TO F2320-64A0.

-1шт.

|$3

198-15-35001

VALVE ASS'Y

SN: 10601-UP

1шт.

|$$4

THIS ASSEMBLY CONSISTS OF ALL PARTS SHOWN IN FIGS.F2320-59A0 TO F2320-63A0.

-1шт.

1

427-15-15310

VALVE

SN: 10601-UP

1шт.

2

195-15-34160

SPRING

SN: 10601-UP

1шт.

3

203-57-21320

SHIM, 0.5MM

SN: 10601-UP

8шт.

4

560-43-14330

SHIM, 0.5MM

SN: 10601-UP

6шт.

5

195-15-35521

VALVE

SN: 10601-UP

1шт.

6

195-15-35530

VALVE

SN: 10601-UP

1шт.

7

287-15-15380

VALVE

SN: 10601-UP

1шт.

8

180-14-25560

SPRING

SN: 10601-UP

1шт.

9

195-15-35560

PISTON

SN: 10601-UP

1шт.

10

195-15-36160

SPRING

SN: 10601-UP

1шт.

11

195-15-36170

SPRING

SN: 10601-UP

1шт.

12

195-15-35293

STOPPER

SN: (1098)-UP

1шт.

12

195-15-35291

STOPPER

SN: 10601-(1097)

1шт.

13

198-15-25631

SPOOL

SN: (1098)-UP

1шт.

13

198-15-25630

VALVE

SN: 10601-(1097)

1шт.

13A

714-07-17540

SCREEN

SN: (1098)-UP

1шт.

13B

714-07-17550

PLATE

SN: (1098)-UP

1шт.

13C

04065-01210

RING,SNAP

SN: (1098)-UP

1шт.

14

125-15-11230

PLUG

SN: 10601-(1097)

1шт.

15

195-15-35110

BODY

SN: 10601-UP

1шт.

16

195-15-35320

VALVE

SN: 10601-UP

1шт.

17

195-15-35330

VALVE

SN: 10601-UP

3шт.

18

195-15-35340

VALVE

SN: 10601-UP

1шт.

19

195-15-35370

STOPPER

SN: 10601-UP

5шт.

20

07000-72018

O-RING (K3)

SN: 10601-UP

5шт.

21

07000-72018

O-RING (K3)

SN: 10601-UP

1шт.

22

07000-73028

O-RING (K3)

SN: 10601-UP

5шт.

23

568-15-15330

SPRING, (L= 78.0)

SN: 10601-UP

5шт.

24

195-15-35380

PLATE

SN: 10601-UP

1шт.

25

01010-81030

BOLT

SN: 10601-UP

6шт.

26

01643-51032

WASHER

SN: 10601-UP

6шт.

27

195-15-35910

GASKET (K3)

SN: 10601-UP

1шт.

28

195-15-35920

GASKET (K3)

SN: 10601-UP

1шт.

Выбрано товаров: 0