Запчасти Komatsu D475A-3 ЦИЛИНДР ПОДЪЕМА ОТВАЛА ВИЛКА ЧАСТИ КОРПУСА

Схема запчастей Komatsu D475A-3 - ЦИЛИНДР ПОДЪЕМА ОТВАЛА ВИЛКА ЧАСТИ КОРПУСА
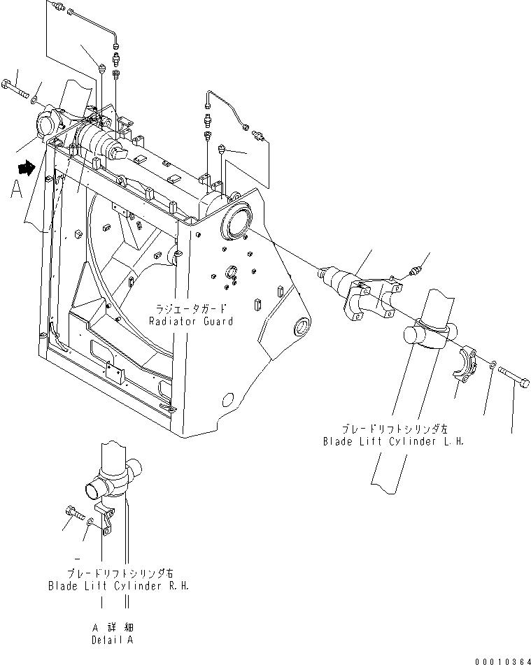
1
2
3
4
5
6
7
7
8
9
10
11
12
FIT
1:1
100%

Артикул

Название

Примечание

Количество

1

01010-81630

BOLT

SN: 10601-UP

2шт.

2

21T-09-11330

WASHER

SN: 10601-UP

2шт.

3

198-61-52132

YOKE

SN: 10601-UP

1шт.

4

19M-61-11133

CAP

SN: 10601-UP

2шт.

5

01011-83040

BOLT

SN: 10601-UP

4шт.

6

01643-33080

WASHER

SN: 10601-UP

4шт.

7

07042-30108

PLUG

SN: 10601-UP

2шт.

8

198-61-52140

YOKE

SN: 10601-UP

1шт.

9

19M-61-11133

CAP

SN: 10601-UP

2шт.

10

01011-83040

BOLT

SN: 10601-UP

4шт.

11

01643-33080

WASHER

SN: 10601-UP

4шт.

12

07020-00000

FITTING

SN: 10601-UP

4шт.

Выбрано товаров: 12