Запчасти Komatsu D475A-3 УПРАВЛЯЮЩ. КЛАПАН (/) ОСНОВН. КОМПОНЕНТЫ И РЕМКОМПЛЕКТЫ

Схема запчастей Komatsu D475A-3 - УПРАВЛЯЮЩ. КЛАПАН (/) ОСНОВН. КОМПОНЕНТЫ И РЕМКОМПЛЕКТЫ
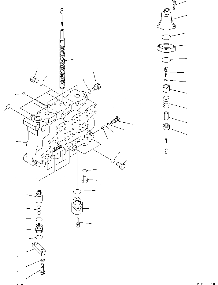
1
2
3
4
5
6
7
8
9
10
11
12
13
14
15
16
17
18
18
18
18
19
19
19
19
20
21
22
23
24
25
26
27
28
29
29
30
31
FIT
1:1
100%

Артикул

Название

Примечание

Количество

|$1

709-63-21400

CONTROL VALVE

SN: 10601-UP

1шт.

|$$2

THIS ASSEMBLY CONSISTS OF ALL PARTS SHOWN IN FIGS.Y1660-01A0 AND Y1660-02A0.

-1шт.

1

0

BODY,VALVE

SN: 10601-UP

1шт.

2

0

SPOOL

SN: 10601-UP

3шт.

3

709-63-21670

CASE

SN: 10601-UP

3шт.

4

07000-13028

O-RING

SN: 10601-UP

3шт.

5

01252-60825

BOLT

SN: 10601-UP

6шт.

6

709-63-21330

VALVE

SN: 10601-UP

3шт.

7

701-30-65131

SPRING

SN: 10601-UP

3шт.

8

709-63-21320

PLUG

SN: 10601-UP

3шт.

9

07000-13022

O-RING

SN: 10601-UP

3шт.

10

07000-13025

O-RING

SN: 10601-UP

3шт.

11

709-63-21340

PLATE

SN: 10601-UP

3шт.

12

01010-81235

BOLT

SN: 10601-UP

6шт.

13

01602-21236

WASHER

SN: 10601-UP

6шт.

14

709-63-21350

PLUG

SN: 10601-UP

1шт.

15

07002-11423

O-RING

SN: 10601-UP

1шт.

16

07000-11007

O-RING

SN: 10601-UP

1шт.

17

04260-00952

BALL

SN: 10601-UP

1шт.

18

07040-11409

PLUG

SN: 10601-UP

9шт.

19

07002-11423

O-RING

SN: 10601-UP

9шт.

20

07000-13038

O-RING

SN: 10601-UP

1шт.

21

07000-12015

O-RING

SN: 10601-UP

2шт.

22

709-74-92120

CASE

SN: 10601-UP

3шт.

23

709-63-21630

SPACER

SN: 10601-UP

3шт.

24

01252-60840

BOLT

SN: 10601-UP

6шт.

25

709-63-21640

COLLAR

SN: 10601-UP

3шт.

26

709-63-21650

SPRING

SN: 10601-UP

3шт.

27

709-63-21660

RETAINER

SN: 10601-UP

3шт.

28

709-74-92110

RETAINER

SN: 10601-UP

3шт.

29

709-74-92170

O-RING

SN: 10601-UP

6шт.

30

01252-60812

BOLT

SN: 10601-UP

3шт.

31

01643-30823

WASHER

SN: 10601-UP

3шт.

Выбрано товаров: 0