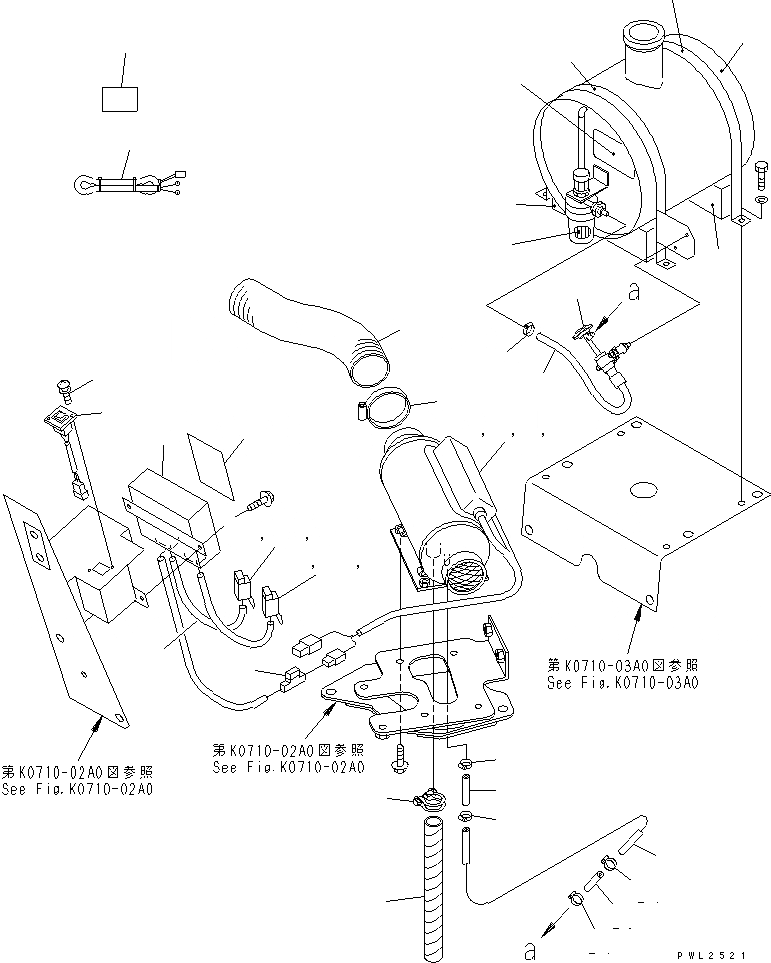
Запчасти Komatsu D475A-3-SC MIKUNI COMBUSTIBLE ОБОГРЕВАТЕЛЬ. (OP)(№-) КАБИНА ОПЕРАТОРА И СИСТЕМА УПРАВЛЕНИЯ

Схема запчастей Komatsu D475A-3-SC - MIKUNI COMBUSTIBLE ОБОГРЕВАТЕЛЬ. (OP)(№-) КАБИНА ОПЕРАТОРА И СИСТЕМА УПРАВЛЕНИЯ
1
2
3
4
5
6
7
7
8
9
10
11
12
13
14
15
16
17
18
19
20
21
21
22
23
23
24
24
24
24
24
25
26
27
28
29
30
31
32
FIT
1:1
100%

Артикул

Название

Примечание

Количество

|1

198-911-8801

HEATER ASS'Y

SN: 10602-UP

1шт.

1

198-911-8820

HEATER ASS'Y

SN: 10602-UP

1шт.

2

198-911-8890

PLUG,GLOW

SN: 10602-UP

1шт.

3

198-911-8940

MOTOR ASS'Y

SN: 10602-UP

1шт.

4

198-911-8950

SENSOR,FRAME

SN: 10602-UP

1шт.

5

198-911-8960

CONTROL BOX ASS'Y

SN: 10602-UP

1шт.

6

198-911-8830

FUEL TANK ASS'Y

SN: 10602-UP

1шт.

7

505159

SUPPORT

SN: 10602-UP

2шт.

8

007131A

BAND

SN: 10602-UP

1шт.

9

073111

PLATE,CAUTION

SN: 10602-UP

1шт.

10

007332A

BAND,HOLDER

SN: 10602-UP

1шт.

11

198-911-8870

ELEMENT,FILTER

SN: 10602-UP

1шт.

12

198-911-8880

PUMP ASS'Y

SN: 10602-UP

1шт.

13

198-911-8480

PIPE

SN: 10602-UP

1шт.

14

198-911-8970

CABLE ASS'Y

SN: 10602-UP

1шт.

15

198-911-8840

FUSE

SN: 10602-UP

1шт.

16

198-911-8980

SWITCH PANEL ASS'Y

SN: 10602-UP

1шт.

17

065101

HOLDER,FUSE

SN: 10602-UP

1шт.

18

198-911-8850

FUSE

SN: 10602-UP

1шт.

19

065108

HOLDER,FUSE

SN: 10602-UP

1шт.

20

198-911-8860

FUSE

SN: 10602-UP

1шт.

21

198-911-9750

BRACKET

SN: 10602-UP

2шт.

22

198-911-8990

PIPE,FUEL

SN: 10602-UP

1шт.

23

198-911-8490

PIPE,RUBBER

SN: 10602-UP

2шт.

24

198-911-8470

CLAMP

SN: 10602-UP

5шт.

25

198-911-9710

HOSE

SN: 10602-UP

1шт.

26

198-911-9760

CLAMP

SN: 10602-UP

1шт.

27

198-911-9720

HOSE,FLEXIBLE

SN: 10602-UP

1шт.

28

198-911-9770

CLAMP

SN: 10602-UP

1шт.

29

073092

PLATE,CAUTION

SN: 10602-UP

1шт.

30

01023-20308

SCREW

SN: 10602-UP

2шт.

31

073115

PLATE,NAME

SN: 10602-UP

1шт.

32

198-911-9730

CABLE ASS'Y

SN: 10602-UP

1шт.

Выбрано товаров: 0