Запчасти Komatsu D475A-3-SC КАПОТ И БОКОВ. КРЫШКА (OPEN) ЧАСТИ КОРПУСА

Схема запчастей Komatsu D475A-3-SC - КАПОТ И БОКОВ. КРЫШКА (OPEN) ЧАСТИ КОРПУСА
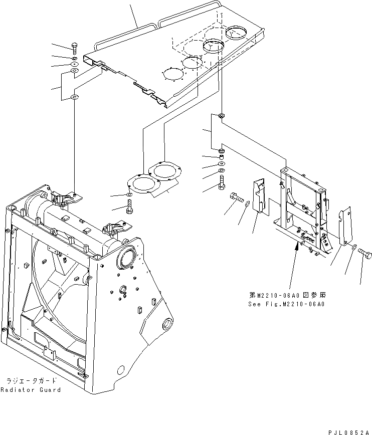
1
2
3
4
5
6
7
8
9
10
11
12
13
14
15
16
16
17
17
FIT
1:1
100%

Артикул

Название

Примечание

Количество

1

198-54-56780

HOOD

SN: 10601-UP

1шт.

2

198-54-55550

COVER

SN: 10601-UP

2шт.

3

01010-81225

BOLT

SN: 10601-UP

8шт.

4

01643-31232

WASHER

SN: 10601-UP

8шт.

5

195-54-42550

CUSHION

SN: 10601-UP

4шт.

6

195-54-42560

BOSS

SN: 10601-UP

2шт.

7

195-54-42570

PLATE

SN: 10601-UP

2шт.

8

01010-82075

BOLT

SN: 10601-UP

2шт.

9

01643-32060

WASHER

SN: 10601-UP

2шт.

10

195-54-42680

PLATE

SN: 10601-UP

2шт.

11

195-54-46180

PLATE

SN: 10601-UP

4шт.

12

01010-81635

BOLT

SN: 10601-UP

2шт.

13

01643-31645

WASHER

SN: 10601-UP

2шт.

14

198-54-56680

COVER,L.H.

SN: 10601-UP

1шт.

15

198-54-56690

COVER,R.H.

SN: 10601-UP

1шт.

16

01010-81225

BOLT

SN: 10601-UP

6шт.

17

01643-31232

WASHER

SN: 10601-UP

6шт.

Выбрано товаров: 17