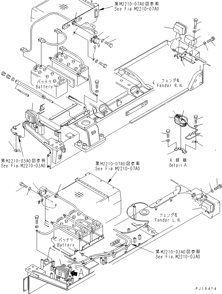
Запчасти Komatsu D475A-3-SC КРЫЛО ЭЛЕКТРОПРОВОДКА (/) (УСИЛ. ТИП) ЧАСТИ КОРПУСА

Схема запчастей Komatsu D475A-3-SC - КРЫЛО ЭЛЕКТРОПРОВОДКА (/) (УСИЛ. ТИП) ЧАСТИ КОРПУСА
1
1
2
2
3
3
4
4
5
5
5
5
5
6
7
8
9
9
10
10
10A
10A
10A
11
11
11
12
13
14
15
16
17
18
FIT
1:1
100%

Артикул

Название

Примечание

Количество

1

08088-40000

RELAY

SN: 10700-UP

2шт.

2

01010-80830

BOLT

SN: 10700-UP

4шт.

3

01643-31032

WASHER

SN: 10700-UP

4шт.

4

08037-03614

GROMMET

SN: 10700-UP

2шт.

5

17A-06-17930

LAMP ASS'Y

SN: 10700-UP

4шт.

6

17A-06-17970

BULB¤ 70W

SN: 10700-UP

1шт.

7

17A-06-17980

SLEEVE

SN: 10700-UP

1шт.

8

195-06-41150

BRACKET

SN: 10700-UP

2шт.

9

01010-81230

BOLT

SN: 10700-UP

4шт.

10

01643-31232

WASHER

SN: 10700-UP

4шт.

10A

08193-21012

CLIP

SN: 10700-UP

4шт.

11

209-68-19140

CLIP

SN: 10700-UP

2шт.

12

01010-81225

BOLT

SN: 10700-UP

2шт.

13

01643-31232

WASHER

SN: 10700-UP

2шт.

14

198-06-56550

BUZZER

SN: 10700-UP

1шт.

15

6132-11-6460

BOLT

SN: 10700-UP

2шт.

16

01643-30823

WASHER

SN: 10700-UP

2шт.

17

01010-81020

BOLT

SN: 10700-UP

1шт.

18

01643-31032

WASHER

SN: 10700-UP

1шт.

Выбрано товаров: 19