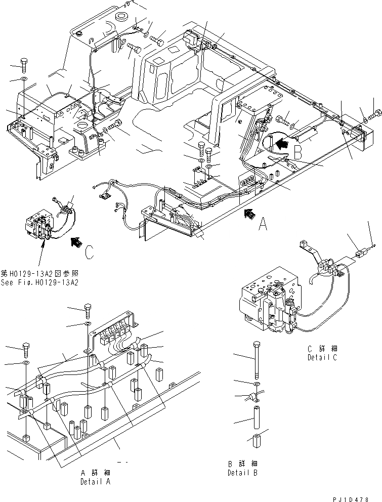
Запчасти Komatsu D475A-3-SC КРЫЛО ЭЛЕКТРОПРОВОДКА (/) (ДЛЯ ОТВАЛА С ДВОЙН. ПЕРЕКОСОМ¤ УСИЛ. ТИП)(№7-) ЧАСТИ КОРПУСА

Схема запчастей Komatsu D475A-3-SC - КРЫЛО ЭЛЕКТРОПРОВОДКА (/) (ДЛЯ ОТВАЛА С ДВОЙН. ПЕРЕКОСОМ¤ УСИЛ. ТИП)(№7-) ЧАСТИ КОРПУСА
1
1
2
2
3
4
5
5
6
7
8
9
10
11
11
11
11
12
13
14
15
16
16
17
18
18
19
19
20
20
21
22
23
24
25
26
27
28
29
30
30
30
31
32
33
34
35
36
37
38
39
40
41
42
FIT
1:1
100%

Артикул

Название

Примечание

Количество

1

198-06-58150

WIRING HARNESS

SN: 10700-UP

1шт.

2

08193-21012

CLIP

SN: 10700-UP

2шт.

3

01010-81225

BOLT

SN: 10700-UP

2шт.

4

01643-31232

WASHER

SN: 10700-UP

2шт.

5

209-68-19140

CLIP

SN: 10700-UP

3шт.

6

01010-81225

BOLT

SN: 10700-UP

3шт.

7

01643-31232

WASHER

SN: 10700-UP

3шт.

8

08193-21012

CLIP

SN: 10700-UP

1шт.

9

01010-81225

BOLT

SN: 10700-UP

1шт.

10

01643-31232

WASHER

SN: 10700-UP

1шт.

11

209-68-19140

CLIP

SN: 10700-UP

5шт.

12

01010-81225

BOLT

SN: 10700-UP

5шт.

13

01643-31232

WASHER

SN: 10700-UP

5шт.

14

198-06-58290

WIRING HARNESS

SN: 10700-UP

1шт.

15

08037-03614

GROMMET

SN: 10700-UP

1шт.

16

08192-12810

CONNECTOR

SN: 10700-UP

2шт.

17

08191-00770

PLUG

SN: 10700-UP

4шт.

18

198-06-58160

WIRING HARNESS

SN: 10700-UP

1шт.

19

198-06-58210

WIRING HARNESS

SN: 10700-UP

1шт.

20

04434-51412

CLIP

SN: 10700-UP

3шт.

21

01010-81225

BOLT

SN: 10700-UP

3шт.

22

01643-31232

WASHER

SN: 10700-UP

3шт.

23

198-06-58830

BRACKET

SN: 10700-UP

1шт.

24

01010-81225

BOLT

SN: 10700-UP

2шт.

25

01643-31232

WASHER

SN: 10700-UP

2шт.

26

04434-51912

CLIP

SN: 10700-UP

5шт.

27

01010-81225

BOLT

SN: 10700-UP

5шт.

28

01643-31232

WASHER

SN: 10700-UP

5шт.

29

04434-52512

CLIP

SN: 10700-UP

7шт.

30

04434-53412

CLIP

SN: 10700-UP

6шт.

31

01010-81225

BOLT

SN: 10700-UP

7шт.

32

01643-31232

WASHER

SN: 10700-UP

7шт.

33

209-68-19140

CLIP

SN: 10700-UP

1шт.

34

01010-81225

BOLT

SN: 10700-UP

1шт.

35

01643-31232

WASHER

SN: 10700-UP

1шт.

36

195-61-21440

SPACER

SN: 10700-UP

1шт.

37

04434-51412

CLIP

SN: 10700-UP

1шт.

38

01011-81280

BOLT

SN: 10700-UP

1шт.

39

01643-31232

WASHER

SN: 10700-UP

1шт.

40

08037-03614

GROMMET

SN: 10700-UP

1шт.

41

01010-81225

BOLT

SN: 10700-UP

4шт.

42

01643-31232

WASHER

SN: 10700-UP

4шт.

Выбрано товаров: 42