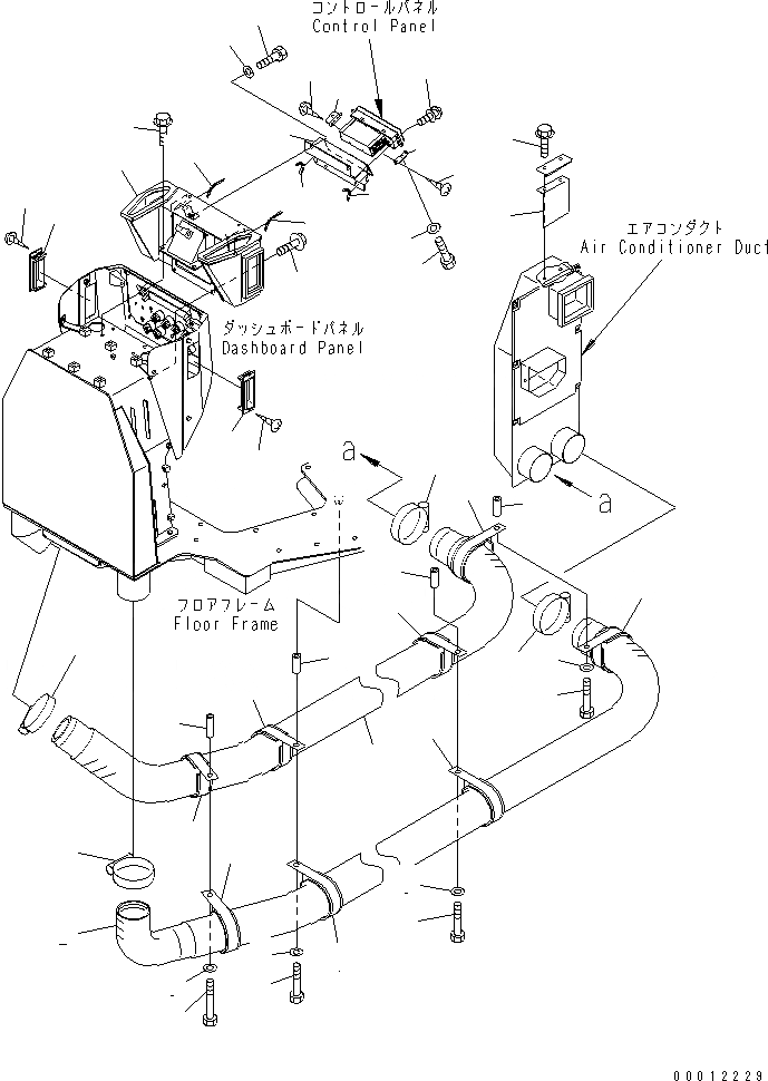
Запчасти Komatsu D475A-5 КОНДИЦ. ВОЗДУХА ВОЗДУХОВОДЫ КАБИНА ОПЕРАТОРА И СИСТЕМА УПРАВЛЕНИЯ

Схема запчастей Komatsu D475A-5 - КОНДИЦ. ВОЗДУХА ВОЗДУХОВОДЫ КАБИНА ОПЕРАТОРА И СИСТЕМА УПРАВЛЕНИЯ
1
2
3
3
3
3
4
4
4
4
4
4
4
4
5
5
5
6
6
6
7
7
7
8
9
10
11
12
13
14
14
15
15
16
16
17
17
18
19
20
21
22
22
23
24
25
26
27
27
FIT
1:1
100%

Артикул

Название

Примечание

Количество

1

198-911-6311

DUCT

SN: 20001-UP

1шт.

2

198-911-6321

DUCT

SN: 20001-UP

1шт.

3

07281-01159

CLAMP

SN: 20001-UP

4шт.

4

198-911-7650

CLIP

SN: 20001-UP

8шт.

5

01010-81075

BOLT

SN: 20001-UP

3шт.

6

01643-31032

WASHER

SN: 20001-UP

3шт.

7

6152-51-5520

SPACER

SN: 20001-UP

3шт.

8

01011-81000

BOLT

SN: 20001-UP

1шт.

9

01643-31032

WASHER

SN: 20001-UP

1шт.

10

6130-12-4571

SPACER

SN: 20001-UP

1шт.

11

198-911-6870

RUBBER

SN: 20001-UP

1шт.

12

01435-40814

BOLT

SN: 20001-UP

2шт.

|$48

198-54-72920

DUCT ASS'Y

SN: 20001-UP

1шт.

13

198-911-6531

DUCT

SN: 20001-UP

1шт.

14

198-54-72890

GROMMET

SN: 20001-UP

1шт.

15

01435-40820

BOLT

SN: 20001-UP

6шт.

16

17A-Z11-7161

LOUVER

SN: 20001-UP

2шт.

17

01370-10308

SCREW

SN: 20001-UP

4шт.

18

198-54-72860

BRACKET

SN: 20001-UP

1шт.

19

01023-10516

SCREW

SN: 20001-UP

4шт.

20

198-54-72870

BRACKET

SN: 20001-UP

1шт.

21

198-54-72880

BRACKET

SN: 20001-UP

1шт.

22

01370-00410

SCREW

SN: 20001-UP

4шт.

23

01010-80612

BOLT

SN: 20001-UP

2шт.

24

01643-30623

WASHER

SN: 20001-UP

2шт.

25

01010-80816

BOLT

SN: 20001-UP

4шт.

26

01643-50823

WASHER

SN: 20001-UP

4шт.

27

198-54-72890

GROMMET

SN: 20001-UP

2шт.

Выбрано товаров: 28