Запчасти Komatsu D475A-5 ГОЛОВНОЕ ОСВЕЩЕНИЕ И ПРОВОДКА ЧАСТИ КОРПУСА

Схема запчастей Komatsu D475A-5 - ГОЛОВНОЕ ОСВЕЩЕНИЕ И ПРОВОДКА ЧАСТИ КОРПУСА
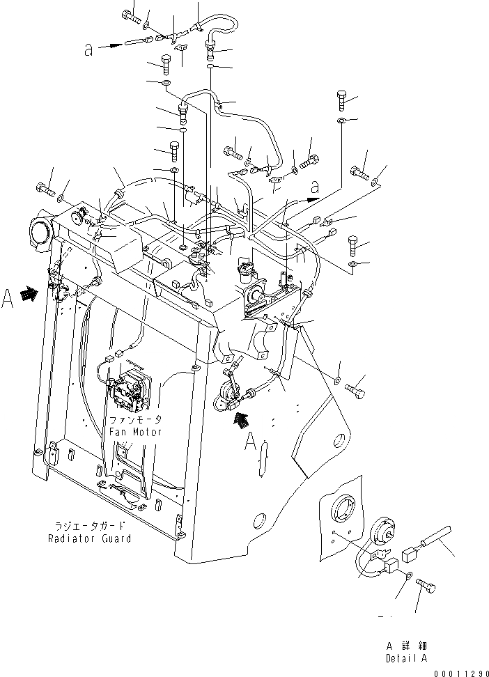
1
1
2
2
3
3
4
4
5
5
6
6
7
7
8
8
8
8
8
8
8
8
9
9
9
9
10
10
10
10
11
12
13
14
15
16
17
18
19
20
20
20
21
21
21
22
22
22
23
FIT
1:1
100%

Артикул

Название

Примечание

Количество

1

7861-93-4520

SENSOR

SN: 20001-UP

2шт.

2

07002-13634

O-RING

SN: 20001-UP

2шт.

3

08193-21012

CLIP

SN: 20001-UP

2шт.

4

01010-81220

BOLT

SN: 20001-UP

2шт.

5

01643-31232

WASHER

SN: 20001-UP

2шт.

6

04434-50612

CLIP

SN: 20160-UP

1шт.

6

04434-50612

CLIP

SN: 20001-20159

2шт.

7

198-06-62361

WIRING HARNESS

SN: 20001-UP

1шт.

8

04434-51412

CLIP

SN: 20001-UP

9шт.

9

01010-81220

BOLT

SN: 20001-UP

8шт.

10

01643-31232

WASHER

SN: 20001-UP

8шт.

11

04434-51812

CLIP

SN: 20001-UP

1шт.

12

198-06-62371

WIRING HARNESS

SN: 20001-UP

1шт.

13

04434-51412

CLIP

SN: 20001-UP

7шт.

14

01010-81220

BOLT

SN: 20001-UP

7шт.

15

01643-31232

WASHER

SN: 20001-UP

7шт.

16

04434-50612

CLIP

SN: 20160-UP

1шт.

16

04434-50612

CLIP

SN: 20001-20159

2шт.

17

04434-52512

CLIP

SN: 20001-UP

1шт.

18

01010-81220

BOLT

SN: 20001-UP

1шт.

19

01643-31232

WASHER

SN: 20001-UP

1шт.

20

01010-81220

BOLT

SN: 20001-UP

4шт.

21

01643-31232

WASHER

SN: 20001-UP

4шт.

22

08193-21012

CLIP

SN: 20001-UP

4шт.

23

04434-50612

CLIP

SN: 20160-UP

1шт.

23

0

CLIP

SN: 20001-20159

2шт.

Выбрано товаров: 0