Запчасти Komatsu D475A-5 ГУСЕНИЧНАЯ РАМА (2 ТЕЛЕЖКА) (ПРАВ.) (ДЛЯ ДВОЙН. НАКЛОН. PICH DOZER)(№8-) ХОДОВАЯ

Схема запчастей Komatsu D475A-5 - ГУСЕНИЧНАЯ РАМА (2 ТЕЛЕЖКА) (ПРАВ.) (ДЛЯ ДВОЙН. НАКЛОН. PICH DOZER)(№8-) ХОДОВАЯ
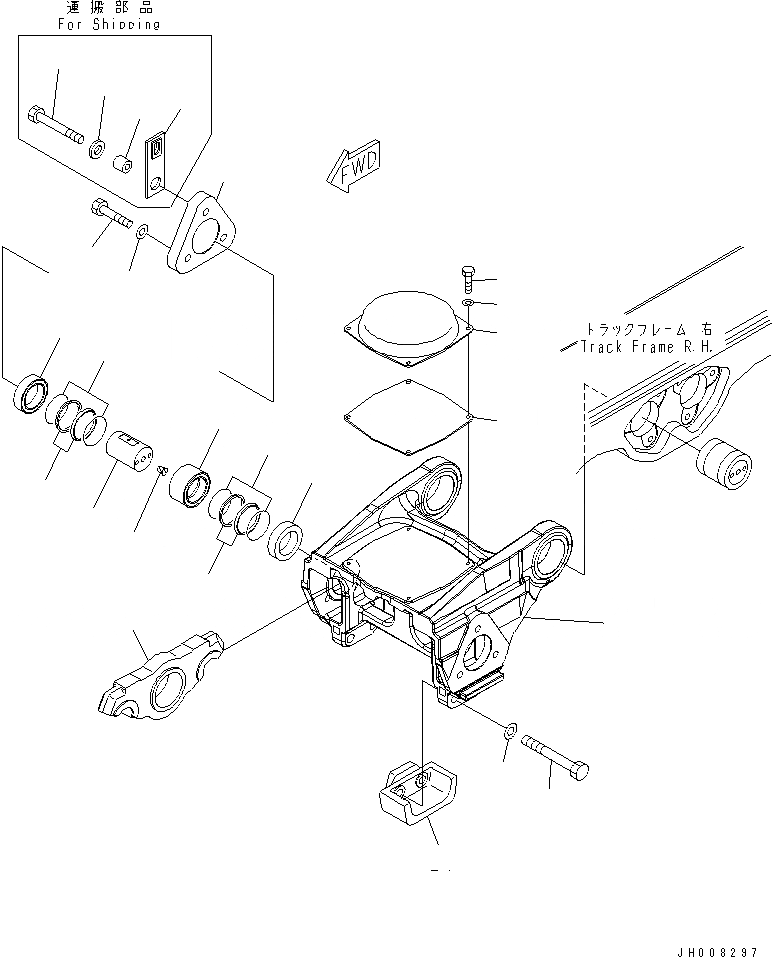
1
2
3
4
5
6
7
8
9
10
11
11
12
12
13
14
15
16
17
18
19
20
21
22
23
FIT
1:1
100%

Артикул

Название

Примечание

Количество

|$1

198-30-05230

BOGIE ASS'Y

SN: 20001-UP

1шт.

1

198-30-66111

BOGIE

SN: 20001-UP

1шт.

2

198-30-66120

PAD

SN: 20001-UP

1шт.

3

198-30-66220

PLATE

SN: 20001-UP

1шт.

4

01010-81230

BOLT

SN: 20001-UP

1шт.

5

01643-31232

WASHER

SN: 20001-UP

1шт.

6

198-30-66141

BOGIE

SN: 20001-UP

2шт.

|$10

198-30-32800

PIN ASS'Y

SN: 20001-UP

2шт.

7

198-30-32820

RING

SN: 20001-UP

1шт.

8

198-30-32830

RING

SN: 20001-UP

1шт.

9

198-30-32840

RING

SN: 20001-UP

1шт.

10

198-30-62350

SHAFT

SN: 20001-UP

1шт.

|$15

198-30-00170

FLOATING SEAL ASS'Y

SN: 20001-UP

2шт.

11

0

SEAL

SN: 20001-UP

2шт.

12

0

O-RING

SN: 20001-UP

2шт.

13

209-30-63150

PLUG

SN: 20001-UP

1шт.

14

198-30-66161

COVER

SN: 20001-UP

2шт.

15

01010-62765

BOLT

SN: 20001-UP

5шт.

16

01643-32780

WASHER

SN: 20001-UP

5шт.

17

198-30-66181

PLATE

SN: 20001-UP

1шт.

18

198-30-66190

COLLAR

SN: 20001-UP

1шт.

19

19M-54-11770

PLATE

SN: 20001-UP

1шт.

20

01011-62710

BOLT

SN: 20001-UP

1шт.

21

198-30-67131

GUIDE

SN: 20001-UP

2шт.

22

01011-63310

BOLT

SN: 20001-UP

4шт.

23

01643-33380

WASHER

SN: 20001-UP

4шт.

Выбрано товаров: 26