Запчасти Komatsu D475A-5 ХЛАДАГЕНТ И ОБОГРЕВ. МАСЛ. ПОДДОНА РАЗНОЕ

Схема запчастей Komatsu D475A-5 - ХЛАДАГЕНТ И ОБОГРЕВ. МАСЛ. ПОДДОНА РАЗНОЕ
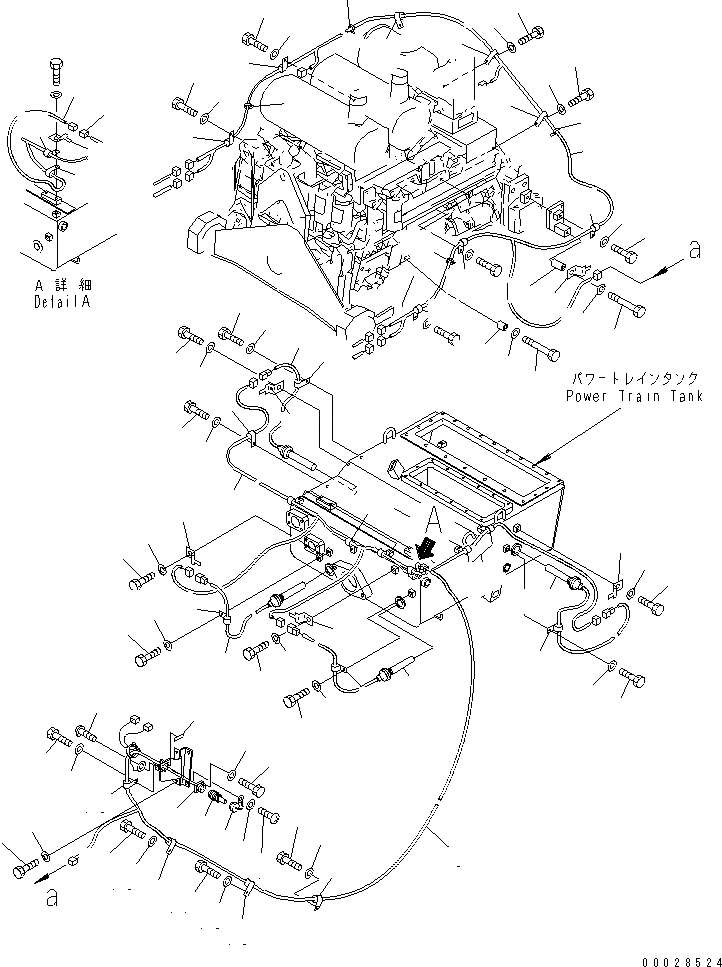
1
2
3
4
5
6
7
8
9
9
9
10
11
12
13
14
15
16
16
16
17
17
17
18
18
18
19
19
20
20
21
21
22
23
23
23
24
25
26
26
26
26
27
27
27
27
28
28
28
28
29
29
29
29
30
30
30
30
31
31
31
31
32
32
32
32
33
34
35
35
35
35
36
36
37
37
38
38
39
39
39
39
40
40
40
41
41
41
42
43
44
45
46
FIT
1:1
100%

Артикул

Название

Примечание

Количество

1

01010-81225

BOLT

SN: 20001-UP

2шт.

2

01643-31232

WASHER

SN: 20001-UP

2шт.

3

175-06-39830

CAP

SN: 20001-UP

1шт.

4

01220-40312

SCREW

SN: 20001-UP

1шт.

5

01601-20307

WASHER

SN: 20001-UP

1шт.

6

175-40-22540

SPACER

SN: 20001-UP

1шт.

7

01010-81275

BOLT

SN: 20001-UP

1шт.

8

01643-31232

WASHER

SN: 20001-UP

1шт.

9

198-06-51610

WIRING HARNESS

SN: 20001-UP

1шт.

9

22U-06-11270

FUSIBLE LINK, 65A

SN: 20001-UP

2шт.

10

01220-40312

SCREW

SN: 20001-UP

4шт.

11

01601-20307

WASHER

SN: 20001-UP

4шт.

12

01023-10610

SCREW

SN: 20001-UP

1шт.

13

04434-52312

CLIP

SN: 20001-UP

2шт.

14

01010-81220

BOLT

SN: 20001-UP

2шт.

15

01643-31232

WASHER

SN: 20001-UP

2шт.

16

04434-51512

CLIP

SN: 20001-UP

3шт.

17

01010-81220

BOLT

SN: 20001-UP

3шт.

18

01643-31232

WASHER

SN: 20001-UP

3шт.

19

04434-52112

CLIP

SN: 20001-UP

2шт.

20

04434-52312

CLIP

SN: 20001-UP

2шт.

21

198-06-51620

WIRING HARNESS

SN: 20001-UP

1шт.

22

08193-21012

CLIP

SN: 20001-UP

1шт.

23

04434-51512

CLIP

SN: 20001-UP

7шт.

24

01010-81220

BOLT

SN: 20001-UP

7шт.

25

01643-31232

WASHER

SN: 20001-UP

7шт.

26

600-815-9340

HEATER

SN: 20001-UP

4шт.

27

08193-21012

CLIP

SN: 20001-UP

4шт.

28

01010-81220

BOLT

SN: 20001-UP

4шт.

29

01643-31232

WASHER

SN: 20001-UP

4шт.

30

04434-51012

CLIP

SN: 20001-UP

4шт.

31

01010-81220

BOLT

SN: 20001-UP

4шт.

32

01643-31232

WASHER

SN: 20001-UP

4шт.

33

198-06-51640

WIRING HARNESS

SN: 20001-UP

1шт.

34

08193-21012

CLIP

SN: 20001-UP

1шт.

35

08034-20519

BAND

SN: 20001-UP

4шт.

36

04434-52712

CLIP

SN: 20001-UP

3шт.

37

01010-81220

BOLT

SN: 20001-UP

3шт.

38

01643-31232

WASHER

SN: 20001-UP

3шт.

39

04434-52312

CLIP

SN: 20001-UP

8шт.

40

01010-81220

BOLT

SN: 20001-UP

8шт.

41

01643-31232

WASHER

SN: 20001-UP

8шт.

42

205-03-71330

COLLAR

SN: 20001-UP

1шт.

43

01010-81275

BOLT

SN: 20001-UP

1шт.

44

01643-31232

WASHER

SN: 20001-UP

1шт.

45

175-06-37871

PLUG

SN: 20001-UP

1шт.

46

195-98-14780

PLATE, CAUTION

SN: 20001-UP

1шт.

Выбрано товаров: 47