Запчасти Komatsu D475A-5 СИЛОВАЯ ПЕРЕДАЧА (/) (РУЛЕВ. УПРАВЛЕНИЕ УПРАВЛ-Е) СИЛОВАЯ ПЕРЕДАЧА И КОНЕЧНАЯ ПЕРЕДАЧА

Схема запчастей Komatsu D475A-5 - СИЛОВАЯ ПЕРЕДАЧА (/) (РУЛЕВ. УПРАВЛЕНИЕ УПРАВЛ-Е) СИЛОВАЯ ПЕРЕДАЧА И КОНЕЧНАЯ ПЕРЕДАЧА
1
2
3
4
5
6
7
7
8
9
10
11
12
13
14
15
16
17
18
19
20
21
22
23
FIT
1:1
100%

Артикул

Название

Примечание

Количество

|$$1

SERIAL NO. IN ( ) INDICATES TRANSMISSION SERIAL NO.

-1шт.

|$5

198-22-60002

POWER TRAIN ASS'Y

SN: 20122-UP

1шт.

|$6

198-22-60001

POWER TRAIN ASS'Y

SN: 20002-20121

1шт.

|$7

198-22-60000

POWER TRAIN ASS'Y

SN: 20001-20001

1шт.

|$8

198-22-60020

POWER TRAIN ASS'Y,-50ЯC

SN: 20001-20001

1шт.

|$$6

THESE ASSEMBLIES CONSIST OF ALL PARTS SHOWN IN FIGS.F2300-51A0 TO F2300-64A0A.

-1шт.

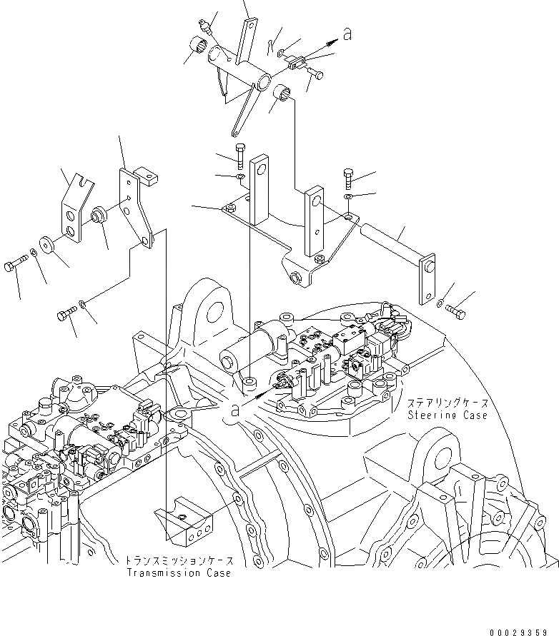
1

04213-20625

YOKE

SN: 20001-UP

1шт.

2

04205-10618

PIN

SN: 20001-UP

2шт.

3

04050-11612

PIN

SN: 20001-UP

2шт.

4

01641-20608

WASHER

SN: 20001-UP

2шт.

5

198-43-61320

LEVER

SN: 20001-UP

1шт.

6

198-43-61330

SHAFT

SN: 20001-UP

1шт.

7

06123-03018

BEARING

SN: 20001-UP

2шт.

8

198-43-61310

BRACKET

SN: 20001-UP

1шт.

9

01010-81230

BOLT

SN: 20001-UP

1шт.

10

01643-31232

WASHER

SN: 20001-UP

1шт.

11

07020-00000

FITTING

SN: 20001-UP

1шт.

12

01010-81665

BOLT

SN: 20001-UP

2шт.

13

01643-31645

WASHER

SN: 20001-UP

2шт.

14

198-43-61360

BRACKET

SN: 20001-UP

1шт.

15

198-43-61870

BRACKET

SN: 20002-UP

1шт.

15

198-43-61370

BRACKET

SN: 20001-20001

1шт.

16

195-03-41380

CUSHION

SN: 20001-UP

2шт.

17

178-60-12250

COLLAR

SN: 20001-UP

2шт.

18

01010-81050

BOLT

SN: 20001-UP

2шт.

19

01643-31032

WASHER

SN: 20001-UP

2шт.

20

01011-61690

BOLT

SN: 20001-UP

1шт.

21

01643-31645

WASHER

SN: 20001-UP

1шт.

22

01010-61670

BOLT

SN: 20001-UP

1шт.

23

01643-31645

WASHER

SN: 20001-UP

1шт.

Выбрано товаров: 30