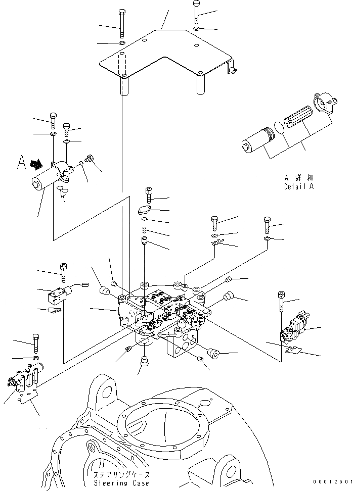
Запчасти Komatsu D475A-5 РУЛЕВ. УПРАВЛЕНИЕ (8/8) (КЛАПАН РУЛЕВОГО УПРАВЛЕНИЯ) СИЛОВАЯ ПЕРЕДАЧА И КОНЕЧНАЯ ПЕРЕДАЧА

Схема запчастей Komatsu D475A-5 - РУЛЕВ. УПРАВЛЕНИЕ (8/8) (КЛАПАН РУЛЕВОГО УПРАВЛЕНИЯ) СИЛОВАЯ ПЕРЕДАЧА И КОНЕЧНАЯ ПЕРЕДАЧА
1
2
2
2
2
3
3
4
4
5
6
7
8
9
9
10
11
12
13
14
15
16
17
18
19
20
21
22
23
24
25
26
27
28
29
30
31
32
33
34
35
36
37
38
FIT
1:1
100%

Артикул

Название

Примечание

Количество

|$$1

SERIAL NO. IN ( ) INDICATES TRANSMISSION SERIAL NO.

-1шт.

|$4

198-22-61002

STEERING ASS'Y

SN: (100168)-UP

1шт.

|$5

198-22-61001

STEERING ASS'Y

SN: 20001-(100167)

1шт.

|$6

0

STEERING ASS'Y

SN: (20001-20001)

1шт.

|$$5

THESE ASSEMBLIES CONSIST OF ALL PARTS SHOWN IN FIGS.F2370-51A0 TO F2370-58A0.

-1шт.

|$10

198-22-62003

VALVE ASS'Y

SN: 20147-UP

1шт.

|$11

198-22-62002

VALVE ASS'Y

SN: (100156)-00024146

1шт.

|$12

198-22-62001

VALVE ASS'Y

SN: 20002-(100155)

1шт.

|$13

0

VALVE ASS'Y

SN: (20001-20060)

1шт.

1

0

COVER

SN: 20001-UP

1шт.

2

07043-70211

PLUG

SN: 20001-UP

23шт.

3

07043-71019

PLUG

SN: 20001-UP

2шт.

4

07043-71222

PLUG

SN: 20001-UP

2шт.

5

17A-22-46401

VALVE ASS'Y

SN: (100144)-UP

4шт.

5

0

ECMV ASS'Y

SN: ((100144)-00020146)

4шт.

5

17A-22-46300

ECMV ASS'Y

SN: 20001-(100143)

4шт.

5

0

ECMV ASS'Y

SN: (20001-20060)

4шт.

6

07000-72015

O-RING

SN: 20001-UP

16шт.

7

07000-71007

O-RING

SN: 20001-UP

4шт.

8

01252-70650

BOLT

SN: 20001-UP

16шт.

9

569-15-51720

FILTER ASS'Y

SN: (10034)-UP

1шт.

9

714-23-11720

FILTER

SN: 20001-(10033)

1шт.

9

569-15-51731

ELEMENT ASS'Y

SN: 20153-UP

1шт.

9

0

ELEMENT ASS'Y

SN: (10034)-00020152

1шт.

9

714-23-11730

ELEMENT ASS'Y

SN: 20001-(10033)

1шт.

9

07000-02060

O-RING

SN: 20001-UP

1шт.

10

07040-11812

PLUG

SN: 20001-UP

1шт.

11

07002-61823

O-RING

SN: (100156)-UP

1шт.

11

07002-11823

O-RING

SN: 20001-(100155)

1шт.

12

07000-73022

O-RING

SN: 20001-UP

2шт.

13

01010-81030

BOLT

SN: 20001-UP

1шт.

14

01643-31032

WASHER

SN: 20001-UP

1шт.

15

01010-81080

BOLT

SN: 20001-UP

2шт.

16

01643-31032

WASHER

SN: 20001-UP

2шт.

17

195-22-71101

VALVE ASS'Y

SN: 20122-UP

1шт.

17

0

VALVE ASS'Y

SN: 20001-20121

1шт.

18

07000-72015

O-RING

SN: 20001-UP

4шт.

19

01010-80895

BOLT

SN: 20001-UP

4шт.

20

01643-30823

WASHER

SN: 20001-UP

4шт.

21

198-22-62100

VALVE ASS'Y

SN: 20001-UP

1шт.

22

07000-72010

O-RING

SN: 20001-UP

4шт.

23

01252-70650

BOLT

SN: 20001-UP

4шт.

24

08193-20010

CLIP

SN: 20001-UP

1шт.

25

01010-81020

BOLT

SN: 20001-UP

1шт.

26

01643-31032

WASHER

SN: 20001-UP

1шт.

27

07750-01623

VALVE

SN: 20001-UP

1шт.

28

07750-01628

SPRING

SN: 20001-UP

1шт.

29

709-25-11670

PLATE

SN: 20001-UP

1шт.

30

07000-72021

O-RING

SN: 20001-UP

1шт.

31

01252-60616

BOLT

SN: 20001-UP

2шт.

32

01010-61660

BOLT

SN: 20001-UP

2шт.

33

01643-31645

WASHER

SN: 20001-UP

2шт.

34

198-22-65152

COVER

SN: 20001-UP

1шт.

35

01011-61690

BOLT

SN: 20001-UP

3шт.

36

01643-31645

WASHER

SN: 20001-UP

3шт.

37

01011-61655

BOLT

SN: 20001-UP

1шт.

38

01643-31645

WASHER

SN: 20001-UP

1шт.

Выбрано товаров: 0