Запчасти Komatsu SDA12V140E-1D-DH ГЛУШИТЕЛЬ (КРОМЕ ЯПОН.)(№-) ДВИГАТЕЛЬ

Схема запчастей Komatsu SDA12V140E-1D-DH - ГЛУШИТЕЛЬ (КРОМЕ ЯПОН.)(№-) ДВИГАТЕЛЬ
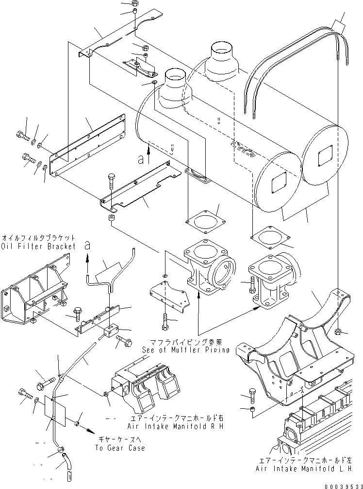
1
2
2
3
4
5
6
7
8
8
9
10
11
12
13
14
15
16
17
18
19
20
21
22
23
24
25
26
27
28
28
29
30
31
31
32
32
33
34
34
1
2
2
3
4
5
6
7
8
8
9
10
11
12
13
14
15
16
17
18
19
20
21
22
23
24
25
26
27
28
28
29
30
31
31
32
32
33
34
34
FIT
1:1
100%

Артикул

Название

Примечание

Количество

1

6215-11-7420

MUFFLER

SN: 13436-UP

2шт.

2

6211-11-5890

GASKET (K1)

SN: 13436-UP

2шт.

3

6110-23-6490

SPACER

SN: 13436-UP

1шт.

4

01010-E1060

BOLT

SN: 13436-UP

6шт.

5

01010-E1065

BOLT

SN: 13436-UP

2шт.

6

6631-11-5630

SPACER

SN: 13436-UP

6шт.

7

6131-12-5920

SPACER

SN: 13436-UP

2шт.

8

01580-01008

NUT

SN: 13436-UP

8шт.

9

6215-11-5220

BAND

SN: 13436-UP

2шт.

10

6215-11-5740

NUT

SN: 13436-UP

4шт.

11

6215-11-6610

BRACKET

SN: 13436-UP

1шт.

12

01010-81045

BOLT

SN: 13436-UP

6шт.

13

6631-11-5630

SPACER

SN: 13436-UP

6шт.

14

6215-11-4270

TUBE,DRAIN

SN: 13436-UP

2шт.

15

6215-11-7440

TUBE,DRAIN

SN: 13436-UP

1шт.

16

6215-11-6370

BRACKET

SN: 13436-UP

1шт.

17

01435-01025

BOLT

SN: 13436-UP

2шт.

18

07286-01030

HOSE

SN: 13436-UP

1шт.

19

07285-00130

CLIP

SN: 13436-UP

1шт.

20

6215-11-7430

ADAPTER

SN: 13436-UP

1шт.

21

01435-01055

BOLT

SN: 13436-UP

2шт.

22

01435-01085

BOLT

SN: 13436-UP

1шт.

23

6136-51-6190

SPACER

SN: 13436-UP

1шт.

24

04434-51010

CLIP

SN: 13436-UP

1шт.

25

01010-81040

BOLT

SN: 13436-UP

2шт.

26

01643-31032

WASHER

SN: 13436-UP

2шт.

27

6151-61-3781

SPACER

SN: 13436-UP

2шт.

28

04434-51010

CLIP

SN: 13436-UP

2шт.

29

6215-11-5311

BRACKET

SN: 13436-UP

1шт.

30

6215-11-5321

BRACKET

SN: 13436-UP

1шт.

31

01643-31032

WASHER

SN: 13436-UP

6шт.

32

01010-81025

BOLT

SN: 13436-UP

6шт.

33

6215-11-5190

COVER

SN: 13436-UP

1шт.

34

6211-11-9590

WASHER

SN: 13436-UP

6шт.

1

6215-11-7420

MUFFLER

SN: 13436-UP

2шт.

2

6211-11-5890

GASKET (K1)

SN: 13436-UP

2шт.

3

6110-23-6490

SPACER

SN: 13436-UP

1шт.

4

01010-E1060

BOLT

SN: 13436-UP

6шт.

5

01010-E1065

BOLT

SN: 13436-UP

2шт.

6

6631-11-5630

SPACER

SN: 13436-UP

6шт.

7

6131-12-5920

SPACER

SN: 13436-UP

2шт.

8

01580-01008

NUT

SN: 13436-UP

8шт.

9

6215-11-5220

BAND

SN: 13436-UP

2шт.

10

6215-11-5740

NUT

SN: 13436-UP

4шт.

11

6215-11-6610

BRACKET

SN: 13436-UP

1шт.

12

01010-81045

BOLT

SN: 13436-UP

6шт.

13

6631-11-5630

SPACER

SN: 13436-UP

6шт.

14

6215-11-4270

TUBE,DRAIN

SN: 13436-UP

2шт.

15

6215-11-7440

TUBE,DRAIN

SN: 13436-UP

1шт.

16

6215-11-6370

BRACKET

SN: 13436-UP

1шт.

17

01435-01025

BOLT

SN: 13436-UP

2шт.

18

07286-01030

HOSE

SN: 13436-UP

1шт.

19

07285-00130

CLIP

SN: 13436-UP

1шт.

20

6215-11-7430

ADAPTER

SN: 13436-UP

1шт.

21

01435-01055

BOLT

SN: 13436-UP

2шт.

22

01435-01085

BOLT

SN: 13436-UP

1шт.

23

6136-51-6190

SPACER

SN: 13436-UP

1шт.

24

04434-51010

CLIP

SN: 13436-UP

1шт.

25

01010-81040

BOLT

SN: 13436-UP

2шт.

26

01643-31032

WASHER

SN: 13436-UP

2шт.

27

6151-61-3781

SPACER

SN: 13436-UP

2шт.

28

04434-51010

CLIP

SN: 13436-UP

2шт.

29

6215-11-5311

BRACKET

SN: 13436-UP

1шт.

30

6215-11-5321

BRACKET

SN: 13436-UP

1шт.

31

01643-31032

WASHER

SN: 13436-UP

6шт.

32

01010-81025

BOLT

SN: 13436-UP

6шт.

33

6215-11-5190

COVER

SN: 13436-UP

1шт.

34

6211-11-9590

WASHER

SN: 13436-UP

6шт.

Выбрано товаров: 68