Запчасти Komatsu SDA12V140E-1D-DH ПРОВОДКА (/)(№9-) ДВИГАТЕЛЬ

Схема запчастей Komatsu SDA12V140E-1D-DH - ПРОВОДКА (/)(№9-) ДВИГАТЕЛЬ
1
1
2
2
3
3
4
5
6
7
8
9
9
10
10
11
12
12
13
14
14
15
15
16
16
17
18
19
20
21
22
23
24
25
26
27
28
29
30
31
32
33
34
34
35
36
37
38
39
39
40
41
42
42
43
43
43
44
44
45
45
46
46
47
48
49
50
51
51
52
53
54
55
56
1
1
2
2
3
3
4
5
6
7
8
9
9
10
10
11
12
12
13
14
14
15
15
16
16
17
18
19
20
21
22
23
24
25
26
27
28
29
30
31
32
33
34
34
35
36
37
38
39
39
40
41
42
42
43
43
43
44
44
45
45
46
46
47
48
49
50
51
51
52
53
54
55
56
FIT
1:1
100%

Артикул

Название

Примечание

Количество

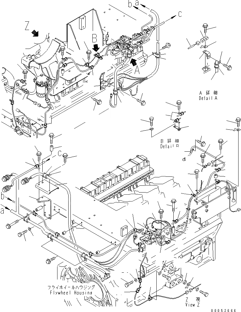
1

6217-81-8770

HARNESS

SN: 13436-UP

2шт.

2

56B-06-16510

DIODE

SN: 13436-UP

2шт.

3

08193-20010

CLIP

SN: 13436-UP

2шт.

4

01435-01016

BOLT

SN: 13436-UP

1шт.

5

6162-63-8820

CLIP

SN: 13436-UP

1шт.

6

01435-01090

BOLT

SN: 13436-UP

1шт.

7

6112-23-6971

SPACER

SN: 13436-UP

1шт.

8

01435-01020

BOLT

SN: 13436-UP

1шт.

9

01435-01016

BOLT

SN: 13986-UP

2шт.

10

04434-51710

CLIP

SN: 13986-UP

2шт.

11

6210-51-8320

CLIP

SN: 13436-UP

1шт.

12

198-06-46170

WIRING HARNESS

SN: 13436-UP

1шт.

13

17M-49-15260

BRACKET

SN: 13436-UP

1шт.

14

01435-01220

BOLT

SN: 13436-UP

2шт.

15

04434-52512

CLIP

SN: 13436-UP

2шт.

16

198-06-53560

CUSHION

SN: 14710-UP

2шт.

16

0

BUSHING

SN: 13436-14709

2шт.

17

01010-81070

BOLT

SN: 13436-UP

1шт.

18

01643-31032

WASHER

SN: 13436-UP

1шт.

19

01010-81030

BOLT

SN: 13436-UP

1шт.

20

01643-31032

WASHER

SN: 13436-UP

1шт.

21

04434-53212

CLIP

SN: 13436-UP

1шт.

22

07095-20522

CUSHION

SN: 13436-UP

1шт.

23

6215-81-5510

BRACKET

SN: 13436-UP

1шт.

24

01010-81045

BOLT

SN: 13436-UP

4шт.

25

01643-31032

WASHER

SN: 13436-UP

4шт.

26

6215-81-5570

BRACKET

SN: 13436-UP

1шт.

27

04434-51910

CLIP

SN: 13436-UP

1шт.

28

198-06-53540

CUSHION

SN: 13436-UP

1шт.

29

04434-52510

CLIP

SN: 13436-UP

1шт.

30

198-06-53560

CUSHION

SN: 14710-UP

1шт.

30

0

BUSHING

SN: 13436-14709

1шт.

31

6152-11-4970

SPACER

SN: 13436-UP

1шт.

32

08193-20010

CLIP

SN: 13436-UP

1шт.

33

6162-63-8820

CLIP

SN: 13436-UP

1шт.

34

01435-01055

BOLT

SN: 13986-UP

2шт.

35

6215-81-5660

BRACKET

SN: 13436-UP

1шт.

36

01435-01025

BOLT

SN: 13986-UP

1шт.

37

01435-01060

BOLT

SN: 13986-UP

1шт.

38

6144-81-6680

SPACER

SN: 13986-UP

2шт.

39

01435-01016

BOLT

SN: 13436-UP

3шт.

40

01435-01020

BOLT

SN: 13436-UP

1шт.

41

6162-73-5940

SPACER

SN: 13436-UP

1шт.

42

08193-20010

CLIP

SN: 13436-UP

2шт.

43

6151-53-8280

CLIP

SN: 13436-UP

4шт.

44

113-06-23220

COVER

SN: 13436-UP

2шт.

45

04434-52110

CLIP

SN: 13986-UP

2шт.

46

07095-20314

CUSHION

SN: 13986-UP

2шт.

47

01010-81025

BOLT

SN: 13436-UP

1шт.

48

01643-31032

WASHER

SN: 13436-UP

1шт.

49

6934-71-5850

PLATE

SN: 13436-UP

1шт.

50

01435-01020

BOLT

SN: 13436-UP

1шт.

51

6162-63-8820

CLIP

SN: 13436-UP

2шт.

52

01435-01220

BOLT

SN: 13436-UP

2шт.

53

6218-81-8490

BAND

SN: 14921-UP

1шт.

54

6218-81-8440

CLAMP

SN: 14921-UP

1шт.

55

6210-51-8320

CLIP

SN: 14921-UP

1шт.

56

01435-01016

BOLT

SN: 14921-UP

1шт.

1

6217-81-8770

HARNESS

SN: 13436-UP

2шт.

2

56B-06-16510

DIODE

SN: 13436-UP

2шт.

3

08193-20010

CLIP

SN: 13436-UP

2шт.

4

01435-01016

BOLT

SN: 13436-UP

1шт.

5

6162-63-8820

CLIP

SN: 13436-UP

1шт.

6

01435-01090

BOLT

SN: 13436-UP

1шт.

7

6112-23-6971

SPACER

SN: 13436-UP

1шт.

8

01435-01020

BOLT

SN: 13436-UP

1шт.

9

01435-01016

BOLT

SN: 13986-UP

2шт.

10

04434-51710

CLIP

SN: 13986-UP

2шт.

11

6210-51-8320

CLIP

SN: 13436-UP

1шт.

12

198-06-46170

WIRING HARNESS

SN: 13436-UP

1шт.

13

17M-49-15260

BRACKET

SN: 13436-UP

1шт.

14

01435-01220

BOLT

SN: 13436-UP

2шт.

15

04434-52512

CLIP

SN: 13436-UP

2шт.

16

198-06-53560

CUSHION

SN: 14710-UP

2шт.

16

0

BUSHING

SN: 13436-14709

2шт.

17

01010-81070

BOLT

SN: 13436-UP

1шт.

18

01643-31032

WASHER

SN: 13436-UP

1шт.

19

01010-81030

BOLT

SN: 13436-UP

1шт.

20

01643-31032

WASHER

SN: 13436-UP

1шт.

21

04434-53212

CLIP

SN: 13436-UP

1шт.

22

07095-20522

CUSHION

SN: 13436-UP

1шт.

23

6215-81-5510

BRACKET

SN: 13436-UP

1шт.

24

01010-81045

BOLT

SN: 13436-UP

4шт.

25

01643-31032

WASHER

SN: 13436-UP

4шт.

26

6215-81-5570

BRACKET

SN: 13436-UP

1шт.

27

04434-51910

CLIP

SN: 13436-UP

1шт.

28

198-06-53540

CUSHION

SN: 13436-UP

1шт.

29

04434-52510

CLIP

SN: 13436-UP

1шт.

30

198-06-53560

CUSHION

SN: 14710-UP

1шт.

30

0

BUSHING

SN: 13436-14709

1шт.

31

6152-11-4970

SPACER

SN: 13436-UP

1шт.

32

08193-20010

CLIP

SN: 13436-UP

1шт.

33

6162-63-8820

CLIP

SN: 13436-UP

1шт.

34

01435-01055

BOLT

SN: 13986-UP

2шт.

35

6215-81-5660

BRACKET

SN: 13436-UP

1шт.

36

01435-01025

BOLT

SN: 13986-UP

1шт.

37

01435-01060

BOLT

SN: 13986-UP

1шт.

38

6144-81-6680

SPACER

SN: 13986-UP

2шт.

39

01435-01016

BOLT

SN: 13436-UP

3шт.

40

01435-01020

BOLT

SN: 13436-UP

1шт.

41

6162-73-5940

SPACER

SN: 13436-UP

1шт.

42

08193-20010

CLIP

SN: 13436-UP

2шт.

43

6151-53-8280

CLIP

SN: 13436-UP

4шт.

44

113-06-23220

COVER

SN: 13436-UP

2шт.

45

04434-52110

CLIP

SN: 13986-UP

2шт.

46

07095-20314

CUSHION

SN: 13986-UP

2шт.

47

01010-81025

BOLT

SN: 13436-UP

1шт.

48

01643-31032

WASHER

SN: 13436-UP

1шт.

49

6934-71-5850

PLATE

SN: 13436-UP

1шт.

50

01435-01020

BOLT

SN: 13436-UP

1шт.

51

6162-63-8820

CLIP

SN: 13436-UP

2шт.

52

01435-01220

BOLT

SN: 13436-UP

2шт.

53

6218-81-8490

BAND

SN: 14921-UP

1шт.

54

6218-81-8440

CLAMP

SN: 14921-UP

1шт.

55

6210-51-8320

CLIP

SN: 14921-UP

1шт.

56

01435-01016

BOLT

SN: 14921-UP

1шт.

Выбрано товаров: 116