Запчасти Komatsu SDA12V140E-1D-DH PRELUBE МАСЛ. НАСОС КОМПОНЕНТЫ(№7-) ДВИГАТЕЛЬ

Схема запчастей Komatsu SDA12V140E-1D-DH - PRELUBE МАСЛ. НАСОС КОМПОНЕНТЫ(№7-) ДВИГАТЕЛЬ
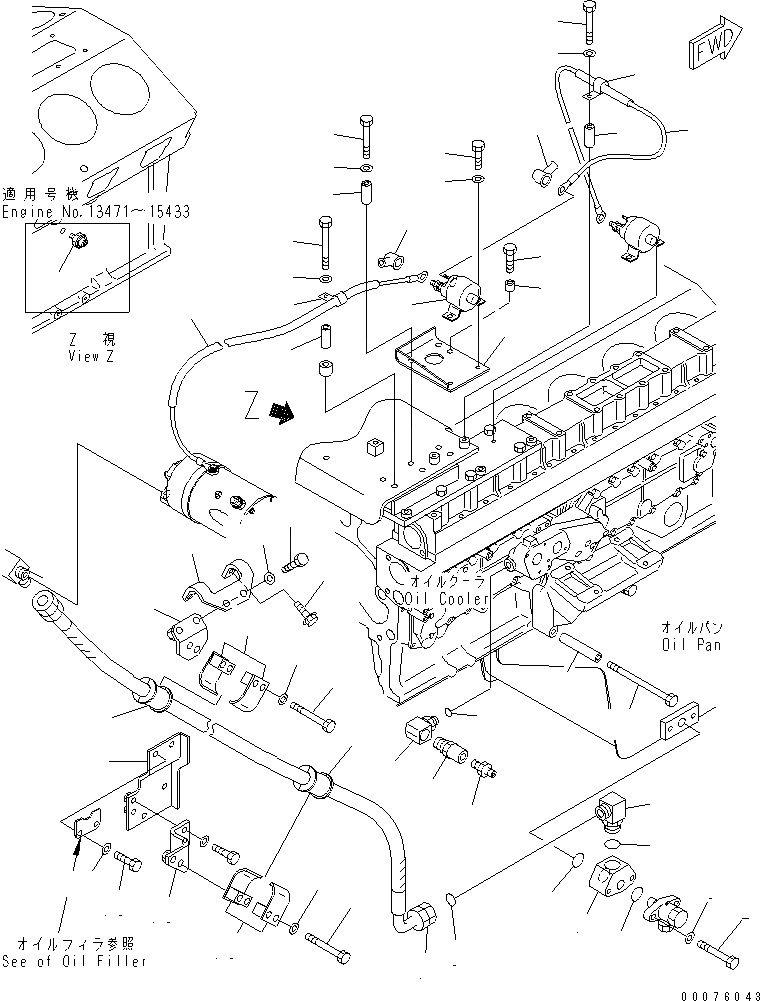
1
2
3
4
4
5
6
7
8
9
10
11
12
13
14
15
16
17
18
18
19
19
20
20
21
21
22
23
24
25
26
27
28
29
29
29
30
30
31
32
32
32
33
34
35
36
37
38
39
40
41
42
43
44
1
2
3
4
4
5
6
7
8
9
10
11
12
13
14
15
16
17
18
18
19
19
20
20
21
21
22
23
24
25
26
27
28
29
29
29
30
30
31
32
32
32
33
34
35
36
37
38
39
40
41
42
43
44
FIT
1:1
100%

Артикул

Название

Примечание

Количество

1

6215-51-5130

PLATE

SN: 13471-UP

1шт.

2

01010-81075

BOLT

SN: 13471-UP

2шт.

3

01643-31032

WASHER

SN: 13471-UP

2шт.

4

07000-73028

O-RING

SN: 13471-UP

2шт.

5

569-43-84720

ELBOW

SN: 13471-UP

1шт.

6

22X-62-11140

O-RING

SN: 13471-UP

1шт.

7

198-01-61220

HOSE

SN: 13471-UP

1шт.

8

207-62-64740

O-RING

SN: 13471-UP

1шт.

9

6219-51-3110

BRACKET

SN: 15315-UP

1шт.

9

6215-51-3110

BRACKET

SN: 13471-15314

1шт.

10

198-01-61310

BRACKET

SN: 13471-UP

1шт.

11

01010-81235

BOLT

SN: 13471-UP

2шт.

12

01643-31232

WASHER

SN: 13471-UP

2шт.

13

198-01-61320

BRACKET

SN: 13471-UP

1шт.

14

01435-01030

BOLT

SN: 13471-UP

2шт.

15

198-01-61241

BRACKET

SN: 13471-UP

1шт.

16

01010-81030

BOLT

SN: 13471-UP

2шт.

17

01643-31032

WASHER

SN: 13471-UP

2шт.

18

07094-11024

CLAMP

SN: 13471-UP

4шт.

19

07095-01034

CUSHION

SN: 13471-UP

2шт.

20

01010-81285

BOLT

SN: 13471-UP

4шт.

21

01643-31232

WASHER

SN: 13471-UP

4шт.

22

6215-51-5160

ELBOW

SN: 13471-UP

1шт.

23

07002-22034

O-RING

SN: 13471-UP

1шт.

24

6215-51-3200

VALVE

SN: 13471-UP

1шт.

25

6215-51-5120

NIPPLE

SN: 13471-UP

1шт.

26

198-06-62970

WIRING HARNESS

SN: 13471-UP

1шт.

27

08038-12027

CAP

SN: 13471-UP

1шт.

28

04434-51510

CLIP

SN: 13471-UP

1шт.

29

6112-23-6961

SPACER

SN: 13471-UP

5шт.

30

01010-81070

BOLT

SN: 13471-UP

4шт.

31

01011-81000

BOLT

SN: 13471-UP

1шт.

32

01643-31032

WASHER

SN: 13471-UP

5шт.

33

198-06-62951

WIRING HARNESS

SN: 13471-UP

1шт.

34

08038-12027

CAP

SN: 13471-UP

1шт.

35

04434-51510

CLIP

SN: 13471-UP

1шт.

36

7861-91-1320

SENSOR

SN: 15352-15433

1шт.

36

08073-00503

SWITCH

SN: 13471-15351

1шт.

37

6215-81-5152

BRACKET

SN: 13986-UP

1шт.

37

0

BRACKET

SN: 13471-13985

1шт.

38

600-815-7510

SWITCH,HEATER

SN: 13471-UP

1шт.

39

6631-11-5630

SPACER

SN: 13471-UP

4шт.

40

01010-81040

BOLT

SN: 13471-UP

4шт.

41

01010-80816

BOLT

SN: 13471-UP

2шт.

42

01643-30823

WASHER

SN: 13471-UP

2шт.

43

01011-81075

BOLT

SN: 13471-UP

1шт.

44

6206-81-9870

SPACER

SN: 13471-UP

1шт.

1

6215-51-5130

PLATE

SN: 13471-UP

1шт.

2

01010-81075

BOLT

SN: 13471-UP

2шт.

3

01643-31032

WASHER

SN: 13471-UP

2шт.

4

07000-73028

O-RING

SN: 13471-UP

2шт.

5

569-43-84720

ELBOW

SN: 13471-UP

1шт.

6

22X-62-11140

O-RING

SN: 13471-UP

1шт.

7

198-01-61220

HOSE

SN: 13471-UP

1шт.

8

207-62-64740

O-RING

SN: 13471-UP

1шт.

9

6219-51-3110

BRACKET

SN: 15315-UP

1шт.

9

6215-51-3110

BRACKET

SN: 13471-15314

1шт.

10

198-01-61310

BRACKET

SN: 13471-UP

1шт.

11

01010-81235

BOLT

SN: 13471-UP

2шт.

12

01643-31232

WASHER

SN: 13471-UP

2шт.

13

198-01-61320

BRACKET

SN: 13471-UP

1шт.

14

01435-01030

BOLT

SN: 13471-UP

2шт.

15

198-01-61241

BRACKET

SN: 13471-UP

1шт.

16

01010-81030

BOLT

SN: 13471-UP

2шт.

17

01643-31032

WASHER

SN: 13471-UP

2шт.

18

07094-11024

CLAMP

SN: 13471-UP

4шт.

19

07095-01034

CUSHION

SN: 13471-UP

2шт.

20

01010-81285

BOLT

SN: 13471-UP

4шт.

21

01643-31232

WASHER

SN: 13471-UP

4шт.

22

6215-51-5160

ELBOW

SN: 13471-UP

1шт.

23

07002-22034

O-RING

SN: 13471-UP

1шт.

24

6215-51-3200

VALVE

SN: 13471-UP

1шт.

25

6215-51-5120

NIPPLE

SN: 13471-UP

1шт.

26

198-06-62970

WIRING HARNESS

SN: 13471-UP

1шт.

27

08038-12027

CAP

SN: 13471-UP

1шт.

28

04434-51510

CLIP

SN: 13471-UP

1шт.

29

6112-23-6961

SPACER

SN: 13471-UP

5шт.

30

01010-81070

BOLT

SN: 13471-UP

4шт.

31

01011-81000

BOLT

SN: 13471-UP

1шт.

32

01643-31032

WASHER

SN: 13471-UP

5шт.

33

198-06-62951

WIRING HARNESS

SN: 13471-UP

1шт.

34

08038-12027

CAP

SN: 13471-UP

1шт.

35

04434-51510

CLIP

SN: 13471-UP

1шт.

36

7861-91-1320

SENSOR

SN: 15352-15433

1шт.

36

08073-00503

SWITCH

SN: 13471-15351

1шт.

37

6215-81-5152

BRACKET

SN: 13986-UP

1шт.

37

0

BRACKET

SN: 13471-13985

1шт.

38

600-815-7510

SWITCH,HEATER

SN: 13471-UP

1шт.

39

6631-11-5630

SPACER

SN: 13471-UP

4шт.

40

01010-81040

BOLT

SN: 13471-UP

4шт.

41

01010-80816

BOLT

SN: 13471-UP

2шт.

42

01643-30823

WASHER

SN: 13471-UP

2шт.

43

01011-81075

BOLT

SN: 13471-UP

1шт.

44

6206-81-9870

SPACER

SN: 13471-UP

1шт.

Выбрано товаров: 94