Запчасти Komatsu D475A-5 РЫХЛИТЕЛЬ DELIVERLY ЛИНИЯ (РЫХЛИТЕЛЬ ЛИНИЯ LESS) ЧАСТИ КОРПУСА

Схема запчастей Komatsu D475A-5 - РЫХЛИТЕЛЬ DELIVERLY ЛИНИЯ (РЫХЛИТЕЛЬ ЛИНИЯ LESS) ЧАСТИ КОРПУСА
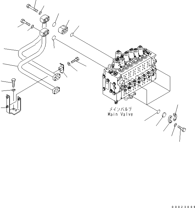
1
2
3
4
5
6
7
8
9
10
11
12
13
14
15
16
17
18
19
19
20
21
FIT
1:1
100%

Артикул

Название

Примечание

Количество

1

419-62-13210

FLANGE

SN: 20001-UP

1шт.

2

07000-F3032

O-RING

SN: 20001-UP

1шт.

3

198-61-61111

TUBE

SN: 20001-UP

1шт.

4

07000-F3035

O-RING

SN: 20001-UP

1шт.

5

01011-81010

BOLT

SN: 20001-UP

4шт.

6

01643-31032

WASHER

SN: 20001-UP

4шт.

7

198-61-61121

TUBE

SN: 20001-UP

1шт.

8

07000-F3035

O-RING

SN: 20001-UP

1шт.

9

01010-81060

BOLT

SN: 20001-UP

4шт.

10

01643-31032

WASHER

SN: 20001-UP

4шт.

11

198-61-61861

BRACKET

SN: 20001-UP

1шт.

12

01010-81235

BOLT

SN: 20001-UP

2шт.

13

01643-31232

WASHER

SN: 20001-UP

2шт.

14

07094-30417

CLAMP

SN: 20001-UP

2шт.

15

01010-81270

BOLT

SN: 20001-UP

1шт.

16

01643-31232

WASHER

SN: 20001-UP

1шт.

17

07378-11000

HEAD

SN: 20001-UP

4шт.

18

07000-F3032

O-RING

SN: 20001-UP

4шт.

19

07371-31049

FLANGE

SN: 20001-UP

8шт.

20

07375-21035

BOLT

SN: 20001-UP

16шт.

21

07372-21035

BOLT

SN: 20001-UP

16шт.

Выбрано товаров: 21