Запчасти Komatsu D475A-5 ОСНОВН. КЛАПАН (ДЛЯ ДВОЙН. НАКЛОН. ГЛАВН. ЛИНИЯ) (РЫХЛИТЕЛЬ LESS) ЧАСТИ КОРПУСА

Схема запчастей Komatsu D475A-5 - ОСНОВН. КЛАПАН (ДЛЯ ДВОЙН. НАКЛОН. ГЛАВН. ЛИНИЯ) (РЫХЛИТЕЛЬ LESS) ЧАСТИ КОРПУСА
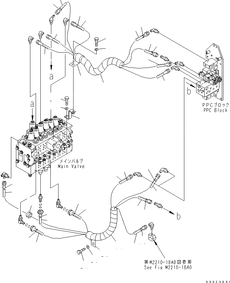
1
2
2
3
3
4
4
5
5
6
6
7
7
8
9
10
11
12
13
14
15
15
16
16
17
17
18
18
19
19
20
20
21
21
22
22
23
24
25
26
FIT
1:1
100%

Артикул

Название

Примечание

Количество

1

08210-01803

SPIRAL TUBE

SN: 20001-UP

1шт.

2

02762-00208

HOSE

SN: 20001-UP

2шт.

3

02762-00211

HOSE

SN: 20001-UP

1шт.

4

02762-003A8

HOSE

SN: 20001-UP

1шт.

5

20Y-62-22810

BAND¤ YELLOW

SN: 20001-UP

2шт.

6

20Y-62-22820

BAND¤ BLUE

SN: 20001-UP

2шт.

7

20Y-62-22860

BAND¤ BROWN

SN: 20001-UP

2шт.

8

21T-06-11940

CLIP

SN: 20001-UP

1шт.

9

01010-81225

BOLT

SN: 20001-UP

1шт.

10

01643-31232

WASHER

SN: 20001-UP

1шт.

11

198-61-61870

BRACKET

SN: 20001-UP

1шт.

12

01010-81225

BOLT

SN: 20001-UP

1шт.

13

01643-31232

WASHER

SN: 20001-UP

1шт.

14

08210-01806

SPIRAL TUBE

SN: 20001-UP

1шт.

15

02762-00313

HOSE

SN: 20001-UP

1шт.

16

198-61-62160

HOSE

SN: 20001-UP

1шт.

17

20Y-62-42160

HOSE¤ 850MM

SN: 20001-UP

1шт.

18

20Y-62-42180

HOSE¤ 950MM

SN: 20001-UP

1шт.

19

20Y-62-22790

BAND¤ RED

SN: 20001-UP

2шт.

20

20Y-62-22830

BAND¤ WHITE

SN: 20001-UP

2шт.

21

20Y-62-22840

BAND¤ BLACK

SN: 20001-UP

2шт.

22

20Y-62-22850

BAND¤ GREEN

SN: 20001-UP

2шт.

23

21T-06-11940

CLIP

SN: 20001-UP

1шт.

24

01010-81225

BOLT

SN: 20001-UP

1шт.

25

01643-31232

WASHER

SN: 20001-UP

1шт.

26

201-46-38220

GROMMET

SN: 20001-UP

1шт.

Выбрано товаров: 0