Запчасти Komatsu D475A-5 СИСТЕМА ТРУБ СТОПОРН. ПАЛЬЦА (С ГИГАНТСК. РЫХЛИТ) ГИДРАВЛИКА

Схема запчастей Komatsu D475A-5 - СИСТЕМА ТРУБ СТОПОРН. ПАЛЬЦА (С ГИГАНТСК. РЫХЛИТ) ГИДРАВЛИКА
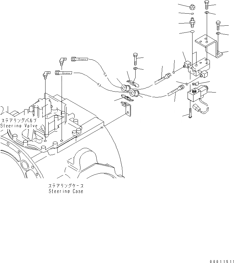
1
2
2
3
4
5
6
7
8
9
10
11
12
13
13
14
14
15
16
17
18
19
20
FIT
1:1
100%

Артикул

Название

Примечание

Количество

1

198-78-61191

BLOCK

SN: 20001-UP

1шт.

2

02896-21009

O-RING

SN: 20001-UP

2шт.

3

01010-81025

BOLT

SN: 20001-UP

3шт.

4

01643-31032

WASHER

SN: 20001-UP

3шт.

5

198-06-56580

VALVE

SN: 20001-UP

1шт.

6

07000-F1009

O-RING

SN: 20001-UP

4шт.

7

01220-40545

SCREW

SN: 20001-UP

4шт.

8

198-78-61210

BRACKET

SN: 20001-UP

1шт.

9

01010-81230

BOLT

SN: 20001-UP

2шт.

10

01643-31232

WASHER

SN: 20001-UP

2шт.

11

02762-003A8

HOSE

SN: 20001-UP

1шт.

12

02762-003A9

HOSE

SN: 20001-UP

1шт.

13

07094-20315

CLAMP

SN: 20001-UP

2шт.

14

07095-00314

CUSHION

SN: 20001-UP

2шт.

15

01010-81260

BOLT

SN: 20001-UP

1шт.

16

01643-31232

WASHER

SN: 20001-UP

1шт.

17

02781-0031D

UNION

SN: 20001-UP

2шт.

18

02896-21009

O-RING

SN: 20001-UP

2шт.

19

07002-21423

O-RING

SN: 20001-UP

2шт.

20

02789-10315

PLUG

SN: 20001-UP

2шт.

Выбрано товаров: 0