Запчасти Komatsu D475A-5 PRE-LUBLICATION БЛОК КОМПОНЕНТЫ ДВИГАТЕЛЯ

Схема запчастей Komatsu D475A-5 - PRE-LUBLICATION БЛОК КОМПОНЕНТЫ ДВИГАТЕЛЯ
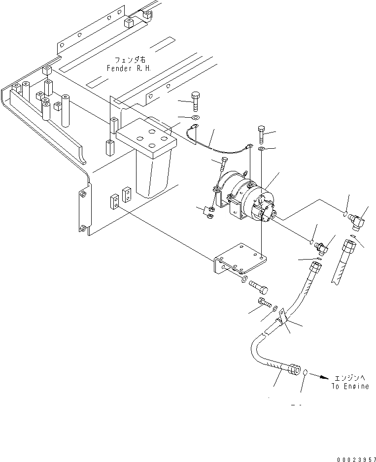
1
2
3
4
5
6
7
8
9
10
11
12
13
14
15
16
17
18
19
20
FIT
1:1
100%

Артикул

Название

Примечание

Количество

1

02762-004A5

HOSE

SN: 20001-UP

1шт.

2

02896-11012

O-RING

SN: 20001-UP

1шт.

3

04434-52712

CLIP

SN: 20001-UP

1шт.

4

07095-20418

CUSHION

SN: 20001-UP

1шт.

5

01010-81225

BOLT

SN: 20001-UP

1шт.

6

01643-31232

WASHER

SN: 20001-UP

1шт.

7

600-815-9510

PRE-LUBE PUMP ASS'Y

SN: 20001-UP

1шт.

8

01010-81035

BOLT

SN: 20001-UP

6шт.

9

01643-31032

WASHER

SN: 20001-UP

6шт.

10

198-01-61261

ELBOW

SN: 20001-UP

1шт.

11

6216-74-6220

O-RING

SN: 20001-UP

1шт.

12

56B-61-13740

ELBOW

SN: 20001-UP

1шт.

13

6735-21-4160

O-RING

SN: 20001-UP

1шт.

14

198-06-62960

WIRING HARNESS

SN: 20001-UP

1шт.

15

01010-81220

BOLT

SN: 20001-UP

1шт.

16

01643-31232

WASHER

SN: 20001-UP

1шт.

17

01010-80835

BOLT

SN: 20001-UP

2шт.

18

01580-10806

NUT

SN: 20001-UP

4шт.

19

207-62-64740

O-RING

SN: 20001-UP

1шт.

20

02896-11012

O-RING

SN: 20001-UP

1шт.

Выбрано товаров: 20