Качественные детали и логистика
Оригинальные и аналоговые запчасти с доставкой по России, Казахстану и Беларуси
©2022 PartSell ООО "Система" ИНН 2463123282 ОГРН 1212400004838
Центральный офис: г. Красноярск, Академика Киренского, д.87, пом.4
Телефон: 8 (800) 777-65-74 Email: zakaz@partsell.ru
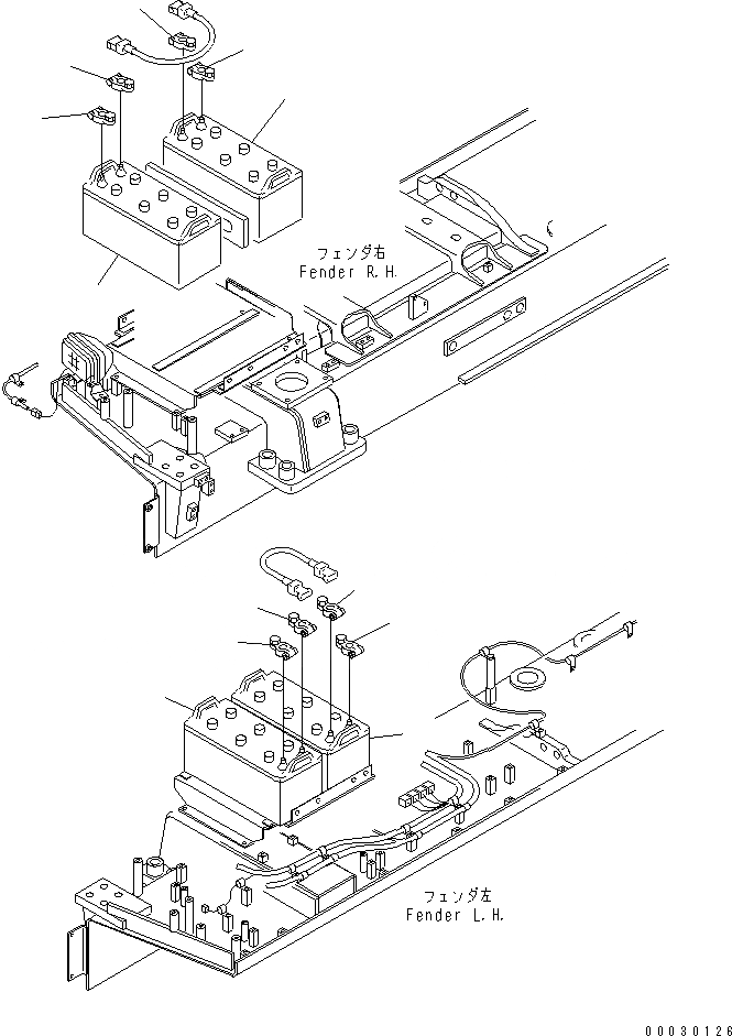
АККУМУЛЯТОР (NS¤ СУХ.)
№
Артикул
Название
Примечание
Количество
1
08000-42220
BATTERY, DRY(165G51)
SN: 20001-UP
4шт.
2
08000-00000
TERMINAL, (+),(+)
3
08000-00001
TERMINAL, (-),(-)
Выбрано товаров: 0