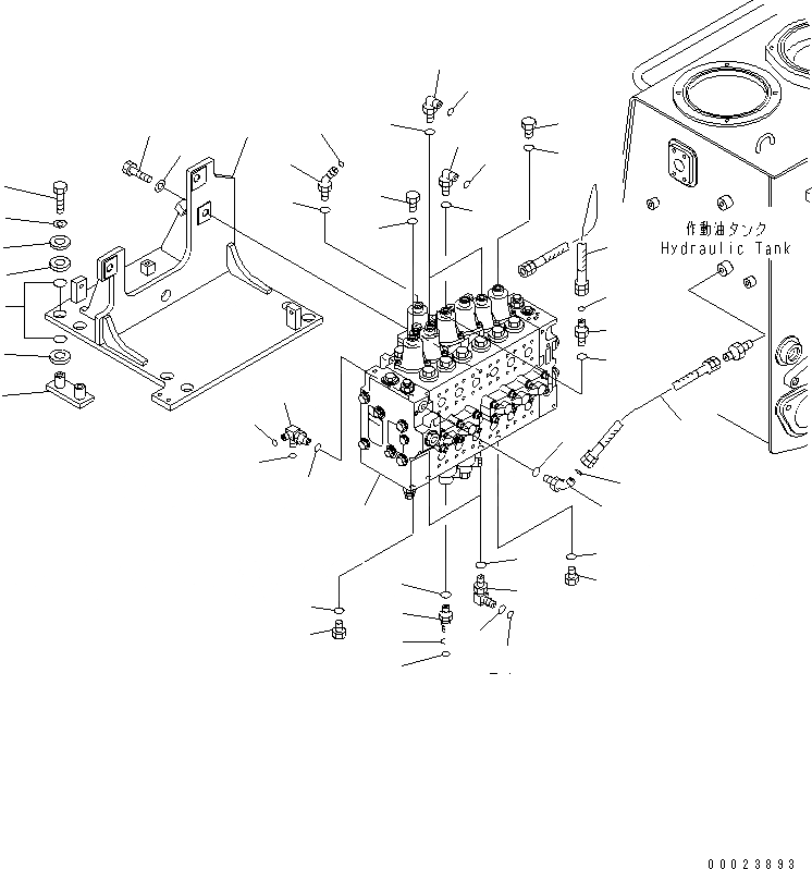
Запчасти Komatsu D475A-5 УПРАВЛЯЮЩ. КЛАПАН(БЕЗ РЫХЛИТЕЛЯ) ЧАСТИ КОРПУСА

Схема запчастей Komatsu D475A-5 - УПРАВЛЯЮЩ. КЛАПАН  (БЕЗ РЫХЛИТЕЛЯ) ЧАСТИ КОРПУСА
1
2
3
4
5
6
7
8
9
9
10
11
12
13
14
15
16
17
18
19
20
21
22
23
24
25
26
26
27
28
29
30
31
32
32
33
34
35
36
37
38
38
38
38
39
39
39
39
FIT
1:1
100%

Артикул

Название

Примечание

Количество

1

723-46-27101

CONTROL VALVE ASS'Y

SN: 20106-UP

1шт.

1

723-46-27100

CONTROL VALVE

SN: 20001-20105

1шт.

2

198-60-61211

BRACKET

SN: 20001-UP

1шт.

3

01010-81650

BOLT

SN: 20001-UP

3шт.

4

01643-31645

WASHER

SN: 20001-UP

3шт.

5

01010-81280

BOLT

SN: 20001-UP

8шт.

6

01643-31232

WASHER

SN: 20001-UP

8шт.

7

561-74-61750

WASHER

SN: 20001-UP

8шт.

8

198-60-61220

BRACKET

SN: 20001-UP

4шт.

9

14X-60-12120

CUSHION

SN: 20001-UP

16шт.

10

07000-03025

O-RING

SN: 20001-UP

16шт.

11

02782-10210

ELBOW

SN: 20001-UP

2шт.

12

02896-21008

O-RING

SN: 20001-UP

2шт.

13

07002-21423

O-RING

SN: 20001-UP

2шт.

14

02782-10311

ELBOW

SN: 20001-UP

1шт.

15

02896-21009

O-RING

SN: 20001-UP

1шт.

16

07002-21423

O-RING

SN: 20001-UP

1шт.

17

198-61-62380

ELBOW

SN: 20106-UP

1шт.

17

02783-10210

ELBOW

SN: 20001-20105

1шт.

18

02896-21008

O-RING

SN: 20001-UP

1шт.

19

07002-21423

O-RING

SN: 20001-UP

1шт.

20

20Y-62-22271

ELBOW

SN: 20001-UP

2шт.

21

201-60-11390

O-RING

SN: 20001-UP

1шт.

22

20Y-62-19560

O-RING

SN: 20001-UP

1шт.

23

20Y-62-16630

NIPPLE

SN: 20001-UP

1шт.

24

201-60-11390

O-RING

SN: 20001-UP

1шт.

25

20Y-62-19560

O-RING

SN: 20001-UP

1шт.

26

07002-21423

O-RING

SN: 20001-UP

3шт.

27

02762-00305

HOSE

SN: 20001-UP

1шт.

28

02782-10311

ELBOW

SN: 20001-UP

1шт.

29

02896-21009

O-RING

SN: 20001-UP

1шт.

30

07002-21423

O-RING

SN: 20001-UP

1шт.

31

21W-62-45140

ELBOW

SN: 20001-UP

1шт.

32

02896-21009

O-RING

SN: 20001-UP

2шт.

33

07002-21423

O-RING

SN: 20001-UP

1шт.

34

02781-0031D

UNION

SN: 20001-UP

1шт.

35

02896-21009

O-RING

SN: 20001-UP

1шт.

36

07002-21423

O-RING

SN: 20001-UP

1шт.

37

02763-003A5

HOSE

SN: 20001-UP

1шт.

38

07040-11409

PLUG

SN: 20001-UP

4шт.

39

07002-21423

O-RING

SN: 20001-UP

4шт.

Выбрано товаров: 41