Запчасти Komatsu D475A-5 БАЛКА БАЛАНСИРА СМАЗКА (ДЛЯ 8 ОПОРНЫЙ КАТОК)(№88-) ХОДОВАЯ

Схема запчастей Komatsu D475A-5 - БАЛКА БАЛАНСИРА СМАЗКА (ДЛЯ 8 ОПОРНЫЙ КАТОК)(№88-) ХОДОВАЯ
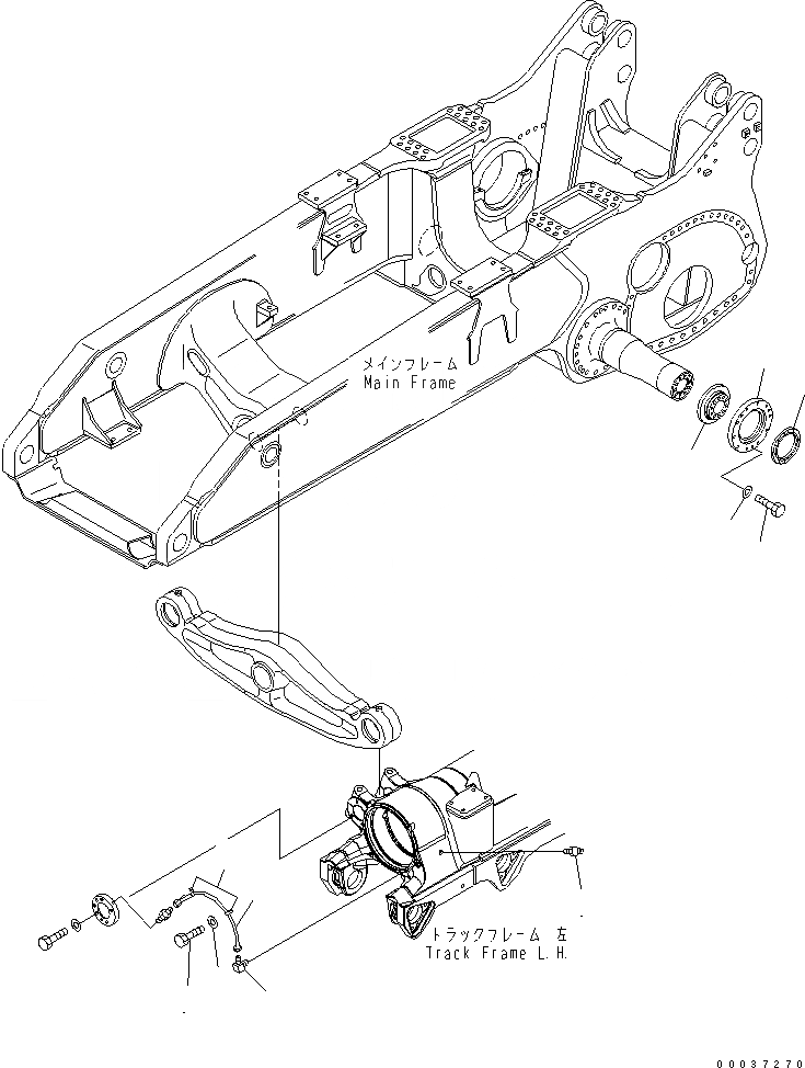
1
2
3
4
5
6
7
8
9
10
11
FIT
1:1
100%

Артикул

Название

Примечание

Количество

1

198-50-62331

TUBE

SN: 20088-UP

1шт.

2

566-16-11970

CLIP

SN: 20088-UP

2шт.

3

01010-81020

BOLT

SN: 20088-UP

2шт.

4

01643-31032

WASHER

SN: 20088-UP

2шт.

5

20D-68-11780

ELBOW

SN: 20088-UP

1шт.

6

07020-00000

FITTING,GREASE

SN: 20088-UP

1шт.

7

198-50-31160

WASHER

SN: 20088-UP

1шт.

8

198-50-52171

WASHER

SN: 20088-UP

1шт.

9

198-50-31241

SEAL

SN: 20088-UP

1шт.

10

01010-81665

BOLT

SN: 20088-UP

3шт.

11

01643-31645

WASHER

SN: 20088-UP

3шт.

Выбрано товаров: 11