Запчасти Komatsu D475A-5 МЕХ-М ОТБОРА МОЩНОСТИ (/) СИЛОВАЯ ПЕРЕДАЧА И КОНЕЧНАЯ ПЕРЕДАЧА

Схема запчастей Komatsu D475A-5 - МЕХ-М ОТБОРА МОЩНОСТИ (/) СИЛОВАЯ ПЕРЕДАЧА И КОНЕЧНАЯ ПЕРЕДАЧА
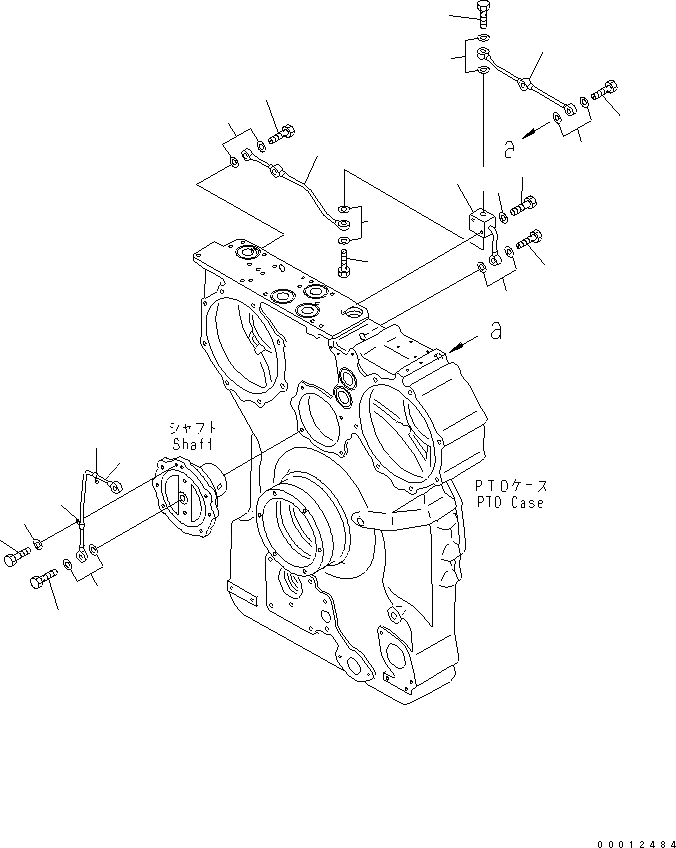
1
2
3
4
5
6
7
7
8
8
9
10
10
11
11
12
13
14
15
15
16
17
FIT
1:1
100%

Артикул

Название

Примечание

Количество

|$2

198-13-41001

T/CONVERTER ASS'Y

SN: 20002-UP

1шт.

|$3

198-13-41000

CONVERTER ASS'Y

SN: 20001-20001

1шт.

|$$3

THESE ASSEMBLIES CONSIST OF ALL PARTS SHOWN IN FIGS.F2310-51A0 TO F2310-60A0.

-1шт.

1

711-62-16920

TUBE

SN: 20001-UP

1шт.

2

01010-81045

BOLT

SN: 20001-UP

2шт.

3

01643-31032

WASHER

SN: 20001-UP

2шт.

4

07206-30812

BOLT

SN: 20001-UP

1шт.

5

07005-01212

SEAL, WASHER

SN: 20001-UP

2шт.

6

711-60-16930

TUBE

SN: 20001-UP

1шт.

7

07206-30812

BOLT

SN: 20001-UP

3шт.

8

07005-01212

SEAL, WASHER

SN: 20001-UP

6шт.

9

711-60-16940

TUBE

SN: 20001-UP

1шт.

10

07206-30812

BOLT

SN: 20001-UP

3шт.

11

07005-01212

SEAL, WASHER

SN: 20001-UP

6шт.

12

711-62-16950

TUBE

SN: 20001-UP

1шт.

13

07206-30812

BOLT

SN: 20001-UP

2шт.

14

07005-01212

SEAL, WASHER

SN: 20001-UP

4шт.

15

04434-00808

CLIP

SN: 20001-UP

2шт.

16

01010-80816

BOLT

SN: 20001-UP

2шт.

17

01643-30823

WASHER

SN: 20001-UP

2шт.

Выбрано товаров: 0