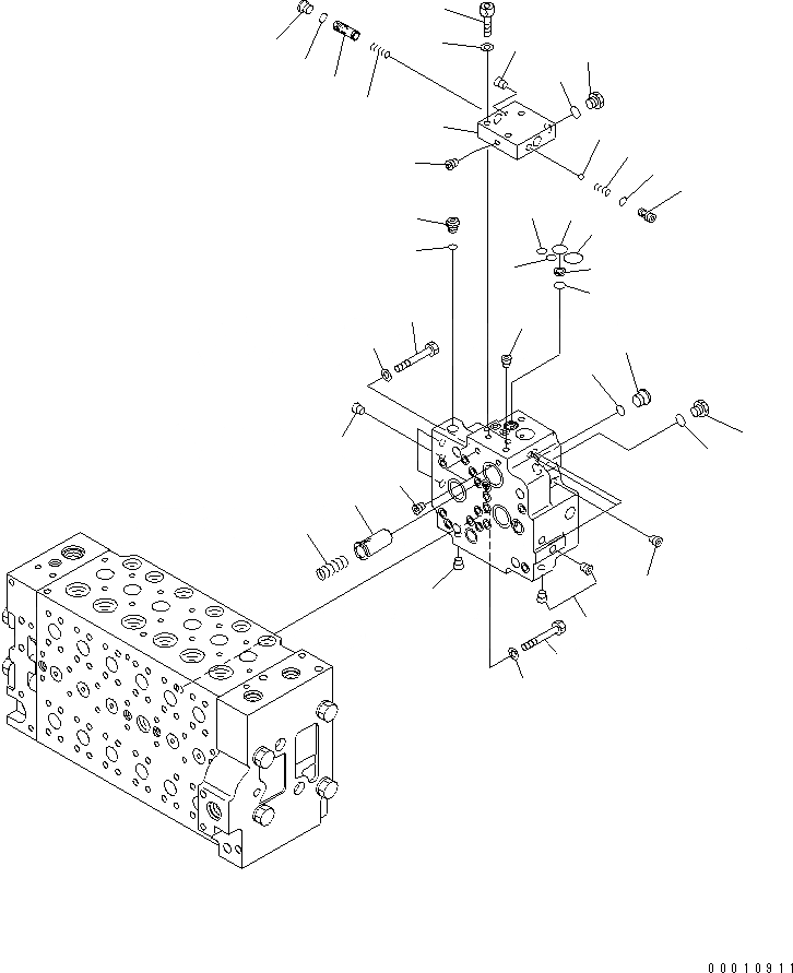
Запчасти Komatsu D475A-5 УПРАВЛЯЮЩ. КЛАПАН (/) ОСНОВН. КОМПОНЕНТЫ И РЕМКОМПЛЕКТЫ

Схема запчастей Komatsu D475A-5 - УПРАВЛЯЮЩ. КЛАПАН (/) ОСНОВН. КОМПОНЕНТЫ И РЕМКОМПЛЕКТЫ
1
2
3
4
5
6
7
8
9
10
11
12
13
14
15
16
17
18
19
20
21
22
23
24
25
26
27
28
29
29
29
29
29
29
29
30
31
32
32
FIT
1:1
100%

Артикул

Название

Примечание

Количество

|$1

723-46-27100

CONTROL VALVE

SN: 20001-UP

1шт.

|$$2

THIS ASSEMBLY CONSISTS OF ALL PARTS SHOWN IN FIGS.Y1660-01A0 T0 Y1660-13A0.

-1шт.

|$3

723-40-71500

VALVE ASS'Y

SN: 20001-UP

1шт.

1

723-40-71430

VALVE

SN: 20001-UP

1шт.

2

702-21-55460

SPRING

SN: 20001-UP

1шт.

3

702-21-55420

O-RING

SN: 20001-UP

1шт.

4

702-21-55520

O-RING

SN: 20001-UP

1шт.

5

702-21-55440

O-RING

SN: 20001-UP

1шт.

6

702-21-53120

FILTER

SN: 20001-UP

1шт.

7

07000-12011

O-RING

SN: 20001-UP

1шт.

8

0

BLOCK

SN: 20001-UP

1шт.

9

0

SPOOL

SN: 20001-UP

1шт.

10

0

SPRING

SN: 20001-UP

1шт.

11

702-21-55620

PLUG

SN: 20001-UP

1шт.

12

07002-11423

O-RING

SN: 20001-UP

1шт.

13

702-21-55710

SEAT

SN: 20001-UP

1шт.

14

702-21-55720

SPRING

SN: 20001-UP

1шт.

15

04260-00793

BALL

SN: 20001-UP

1шт.

16

07000-11009

O-RING

SN: 20001-UP

1шт.

17

0

PLUG

SN: 20001-UP

2шт.

18

708-8H-11530

PLUG

SN: 20001-UP

1шт.

19

07002-11423

O-RING

SN: 20001-UP

1шт.

20

01252-61040

BOLT

SN: 20001-UP

3шт.

21

01643-51032

WASHER

SN: 20001-UP

3шт.

22

708-8H-11530

PLUG

SN: 20001-UP

1шт.

23

07002-11423

O-RING

SN: 20001-UP

1шт.

24

702-21-55620

PLUG

SN: 20001-UP

1шт.

25

07002-11423

O-RING

SN: 20001-UP

1шт.

26

708-8E-16160

PLUG

SN: 20001-UP

1шт.

27

07002-11023

O-RING

SN: 20001-UP

1шт.

28

07000-12011

O-RING

SN: 20001-UP

1шт.

29

0

PLUG

SN: 20001-UP

17шт.

30

01010-61460

BOLT

SN: 20001-UP

1шт.

31

01010-61470

BOLT

SN: 20001-UP

3шт.

32

01643-31445

WASHER

SN: 20001-UP

4шт.

Выбрано товаров: 0