Запчасти Komatsu SDA12V140E-1D-D ТОЛКАТЕЛЬ КЛАПАНА (ДЛЯ ЭЛЕКТРИЧ. РЕГУЛЯТОРА) ДВИГАТЕЛЬ

Схема запчастей Komatsu SDA12V140E-1D-D - ТОЛКАТЕЛЬ КЛАПАНА (ДЛЯ ЭЛЕКТРИЧ. РЕГУЛЯТОРА) ДВИГАТЕЛЬ
1
2
3
4
5
6
7
8
9
10
11
12
13
14
15
16
17
18
19
20
21
22
23
24
24
1
2
3
4
5
6
7
8
9
10
11
12
13
14
15
16
17
18
19
20
21
22
23
24
24
FIT
1:1
100%

Артикул

Название

Примечание

Количество

|1

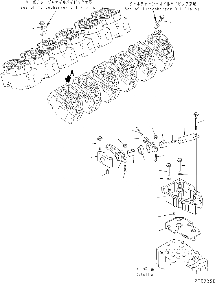
6210-11-7101

HOUSING ASS'Y

SN: 13436-UP

12шт.

1

0

HOUSING,ROCKER ARM

SN: 13436-UP

1шт.

2

07046-41008

PLUG,EXPANSION

SN: 13436-UP

3шт.

3

6210-11-7830

GASKET

SN: 13436-UP

12шт.

4

01437-01280

BOLT

SN: 13436-UP

12шт.

5

01643-51232

WASHER

SN: 13436-UP

12шт.

6

01437-11080

BOLT

SN: 13436-UP

34шт.

7

01643-51032

WASHER

SN: 13436-UP

34шт.

|8

6210-41-5041

ROCKER ARM ASS'Y

SN: 13436-UP

12шт.

|8

6210-41-5401

ARM ASS'Y

SN: 13436-UP

1шт.

8

0

ARM,INTAKE

SN: 13436-UP

1шт.

9

6210-41-5421

BUSHING

SN: 13436-UP

1шт.

10

6162-43-5340

RIVET

SN: 13436-UP

1шт.

11

6150-41-5541

SCREW

SN: 13436-UP

1шт.

12

01582-01008

NUT

SN: 13436-UP

1шт.

|13

6210-41-5051

ROCKER ARM ASS'Y

SN: 13436-UP

12шт.

|13

6210-41-5501

ARM ASS'Y

SN: 13436-UP

1шт.

13

0

ARM,EXHAUST

SN: 13436-UP

1шт.

14

6210-41-5520

BUSHING

SN: 13436-UP

1шт.

15

6150-41-5541

SCREW

SN: 13436-UP

1шт.

16

01582-01008

NUT

SN: 13436-UP

1шт.

|17

6210-41-5303

ROCKER ARM SHAFT A.

SN: 13436-UP

12шт.

17

0

SHAFT

SN: 13436-UP

1шт.

18

6162-43-5340

RIVET

SN: 13436-UP

1шт.

19

6210-41-5530

BRACKET

SN: 13436-UP

12шт.

20

04020-00514

PIN

SN: 13436-UP

12шт.

21

6210-41-5440

COLLAR

SN: 13436-UP

12шт.

22

6210-81-8310

BOLT

SN: 13436-UP

12шт.

23

01438-01220

BOLT

SN: 13436-UP

24шт.

24

01437-01085

BOLT

SN: 13436-UP

2шт.

|1

6210-11-7101

HOUSING ASS'Y

SN: 13436-UP

12шт.

1

0

HOUSING,ROCKER ARM

SN: 13436-UP

1шт.

2

07046-41008

PLUG,EXPANSION

SN: 13436-UP

3шт.

3

6210-11-7830

GASKET

SN: 13436-UP

12шт.

4

01437-01280

BOLT

SN: 13436-UP

12шт.

5

01643-51232

WASHER

SN: 13436-UP

12шт.

6

01437-11080

BOLT

SN: 13436-UP

34шт.

7

01643-51032

WASHER

SN: 13436-UP

34шт.

|8

6210-41-5041

ROCKER ARM ASS'Y

SN: 13436-UP

12шт.

|8

6210-41-5401

ARM ASS'Y

SN: 13436-UP

1шт.

8

0

ARM,INTAKE

SN: 13436-UP

1шт.

9

6210-41-5421

BUSHING

SN: 13436-UP

1шт.

10

6162-43-5340

RIVET

SN: 13436-UP

1шт.

11

6150-41-5541

SCREW

SN: 13436-UP

1шт.

12

01582-01008

NUT

SN: 13436-UP

1шт.

|13

6210-41-5051

ROCKER ARM ASS'Y

SN: 13436-UP

12шт.

|13

6210-41-5501

ARM ASS'Y

SN: 13436-UP

1шт.

13

0

ARM,EXHAUST

SN: 13436-UP

1шт.

14

6210-41-5520

BUSHING

SN: 13436-UP

1шт.

15

6150-41-5541

SCREW

SN: 13436-UP

1шт.

16

01582-01008

NUT

SN: 13436-UP

1шт.

|17

6210-41-5303

ROCKER ARM SHAFT A.

SN: 13436-UP

12шт.

17

0

SHAFT

SN: 13436-UP

1шт.

18

6162-43-5340

RIVET

SN: 13436-UP

1шт.

19

6210-41-5530

BRACKET

SN: 13436-UP

12шт.

20

04020-00514

PIN

SN: 13436-UP

12шт.

21

6210-41-5440

COLLAR

SN: 13436-UP

12шт.

22

6210-81-8310

BOLT

SN: 13436-UP

12шт.

23

01438-01220

BOLT

SN: 13436-UP

24шт.

24

01437-01085

BOLT

SN: 13436-UP

2шт.

Выбрано товаров: 60