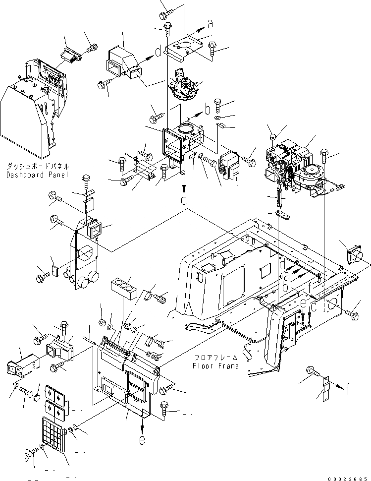
Запчасти Komatsu D475A-5A КОНДИЦ. ВОЗДУХА (С ДОПОЛН. ОБОГРЕВАТ) КАБИНА ОПЕРАТОРА И СИСТЕМА УПРАВЛЕНИЯ

Схема запчастей Komatsu D475A-5A - КОНДИЦ. ВОЗДУХА (С ДОПОЛН. ОБОГРЕВАТ) КАБИНА ОПЕРАТОРА И СИСТЕМА УПРАВЛЕНИЯ
1
2
3
3
4
5
6
7
8
8
9
10
11
12
12
12
12
13
14
15
15
16
16
17
17
18
18
19
19
20
21
22
23
24
25
26
26
27
28
29
30
30
31
32
32
33
34
34
34
35
36
37
38
39
40
40
41
41
42
43
44
45
46
47
48
49
50
51
52
FIT
1:1
100%

Артикул

Название

Примечание

Количество

1

20Y-979-6141

CONTROL PANEL ASS'Y

SN: 20001-UP

1шт.

2

20Y-979-6821

UNIT ASS'Y

SN: 20001-UP

1шт.

3

20Y-979-6741

BLOWER

SN: 20001-UP

1шт.

4

198-911-6720

DUCT ASS'Y

SN: 20001-UP

1шт.

5

198-911-6880

DUCT ASS'Y

SN: 20001-UP

1шт.

6

203-979-6960

CAP

SN: 20001-UP

1шт.

7

08034-20310

BAND

SN: 20001-UP

1шт.

8

20Y-979-6281

HOSE

SN: 20001-UP

2шт.

9

20Y-54-65130

GROMMET

SN: 20001-UP

1шт.

10

01023-10516

SCREW

SN: 20001-UP

4шт.

11

01435-41020

BOLT

SN: 20001-UP

6шт.

12

01435-40814

BOLT

SN: 20001-UP

10шт.

13

198-911-6581

COVER

SN: 20001-UP

1шт.

14

198-911-6760

CUSHION

SN: 20001-UP

1шт.

15

198-Z11-2850

HANDLE

SN: 20001-UP

1шт.

16

198-911-6890

CATCHER

SN: 20001-UP

2шт.

17

01023-70316

SCREW

SN: 20001-UP

8шт.

18

01580-20302

NUT

SN: 20001-UP

8шт.

19

01640-20305

WASHER

SN: 20001-UP

8шт.

20

20Y-979-6261

FILTER

SN: 20001-UP

2шт.

21

198-911-7660

COVER

SN: 20001-UP

1шт.

22

198-911-6970

BOLT

SN: 20001-UP

2шт.

23

01643-70623

WASHER

SN: 20001-UP

2шт.

24

198-911-6990

RING

SN: 20001-UP

2шт.

25

01640-20610

WASHER

SN: 20001-UP

2шт.

26

01435-41016

BOLT

SN: 20001-UP

6шт.

27

198-911-6520

DUCT

SN: 20001-UP

1шт.

28

01435-41016

BOLT

SN: 20001-UP

2шт.

29

198-911-6560

DUCT

SN: 20001-UP

1шт.

30

01435-41016

BOLT

SN: 20001-UP

4шт.

31

198-911-6620

BRACKET

SN: 20001-UP

1шт.

32

01435-41016

BOLT

SN: 20001-UP

4шт.

33

198-911-6460

DUCT

SN: 20001-UP

1шт.

34

01435-40816

BOLT

SN: 20001-UP

5шт.

35

198-911-6451

DUCT

SN: 20001-UP

1шт.

36

09415-02110

CAP

SN: 20001-UP

4шт.

37

01010-80816

BOLT

SN: 20001-UP

4шт.

38

01643-50823

WASHER

SN: 20001-UP

4шт.

39

04435-51008

CLIP

SN: 20001-UP

2шт.

40

01010-80816

BOLT

SN: 20001-UP

2шт.

41

01643-30823

WASHER

SN: 20001-UP

2шт.

42

198-911-6980

BRACKET

SN: 20001-UP

1шт.

43

01435-41016

BOLT

SN: 20001-UP

2шт.

44

04434-51010

CLIP

SN: 20001-UP

1шт.

45

198-911-7870

DUCT

SN: 20001-UP

1шт.

46

01435-41020

BOLT

SN: 20001-UP

5шт.

47

01435-41025

BOLT

SN: 20001-UP

1шт.

48

198-911-6550

PLATE

SN: 20001-UP

1шт.

49

01435-41016

BOLT

SN: 20001-UP

1шт.

50

198-911-6590

DUCT

SN: 20001-UP

1шт.

51

01435-41020

BOLT

SN: 20001-UP

4шт.

52

198-911-6860

PLATE

SN: 20001-UP

1шт.

Выбрано товаров: 52