Запчасти Komatsu D475A-5A УПРАВЛЯЮЩ. КЛАПАН (ДЛЯ НАСОС PRESSURE ТРУБЫ) ЧАСТИ КОРПУСА

Схема запчастей Komatsu D475A-5A - УПРАВЛЯЮЩ. КЛАПАН (ДЛЯ НАСОС PRESSURE ТРУБЫ) ЧАСТИ КОРПУСА
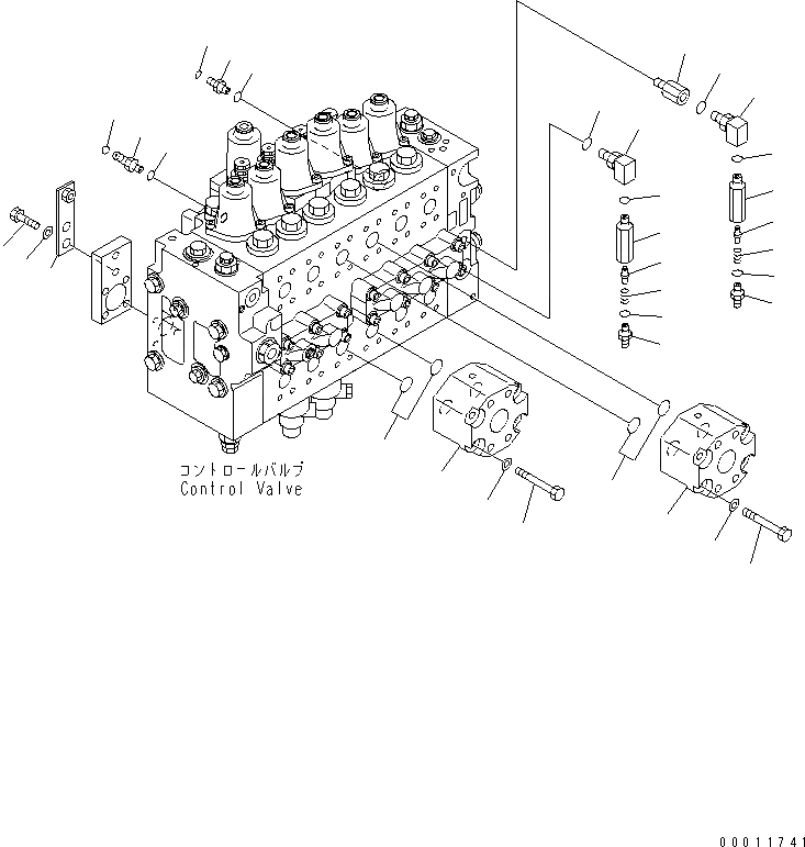
1
2
3
4
5
6
7
8
9
10
11
12
12
13
14
15
16
17
18
19
20
21
22
23
24
25
26
27
27
28
28
29
29
30
30
FIT
1:1
100%

Артикул

Название

Примечание

Количество

1

07002-21423

O-RING

SN: 20001-UP

1шт.

2

11Y-62-12230

NIPPLE

SN: 20001-UP

1шт.

3

02896-21008

O-RING

SN: 20001-UP

1шт.

4

07002-21423

O-RING

SN: 20001-UP

1шт.

5

02782-10210

ELBOW

SN: 20001-UP

1шт.

6

02896-21008

O-RING

SN: 20001-UP

1шт.

7

198-61-61850

PLATE

SN: 20001-UP

1шт.

8

01010-81225

BOLT

SN: 20001-UP

2шт.

9

01643-31232

WASHER

SN: 20001-UP

2шт.

10

20Y-62-22160

ADAPTER

SN: 20001-UP

1шт.

11

20Y-62-23541

ELBOW

SN: 20001-UP

1шт.

12

20Y-62-41701

VALVE ASS'Y

SN: 20046-UP

1шт.

12

20Y-62-41700

VALVE ASS'Y

SN: 20001-20045

1шт.

12

20Y-60-22210

BODY

SN: 20001-UP

1шт.

13

20Y-60-22270

POPPET

SN: 20001-UP

1шт.

14

701-20-61230

SPRING

SN: 20001-UP

1шт.

15

07002-11423

O-RING

SN: 20001-UP

1шт.

16

20Y-62-47630

NIPPLE

SN: 20046-UP

1шт.

16

11Y-62-12130

NIPPLE

SN: 20001-20045

1шт.

17

02896-21008

O-RING

SN: 20001-UP

1шт.

18

07002-21423

O-RING

SN: 20001-UP

3шт.

19

20Y-62-23541

ELBOW

SN: 20001-UP

1шт.

|$58

20Y-62-41701

VALVE ASS'Y

SN: 20046-UP

1шт.

|$59

20Y-62-41700

VALVE ASS'Y

SN: 20001-20045

1шт.

20

20Y-60-22210

BODY

SN: 20001-UP

1шт.

21

20Y-60-22270

POPPET

SN: 20001-UP

1шт.

22

701-20-61230

SPRING

SN: 20001-UP

1шт.

23

07002-11423

O-RING

SN: 20001-UP

1шт.

24

20Y-62-47630

NIPPLE

SN: 20046-UP

1шт.

24

11Y-62-12130

NIPPLE

SN: 20001-20045

1шт.

25

02896-21008

O-RING

SN: 20001-UP

1шт.

26

07002-21423

O-RING

SN: 20001-UP

2шт.

27

198-61-61131

BLOCK

SN: 20001-UP

2шт.

28

07000-F3035

O-RING

SN: 20001-UP

4шт.

29

01010-81085

BOLT

SN: 20001-UP

8шт.

30

01643-31032

WASHER

SN: 20001-UP

8шт.

Выбрано товаров: 36