Запчасти Komatsu D475A-5A ТЕЛЕЖКА (ЛЕВ.) (3) (TAR ПЕСЧАН. СПЕЦ-Я.) ХОДОВАЯ

Схема запчастей Komatsu D475A-5A - ТЕЛЕЖКА (ЛЕВ.) (3) (TAR ПЕСЧАН. СПЕЦ-Я.) ХОДОВАЯ
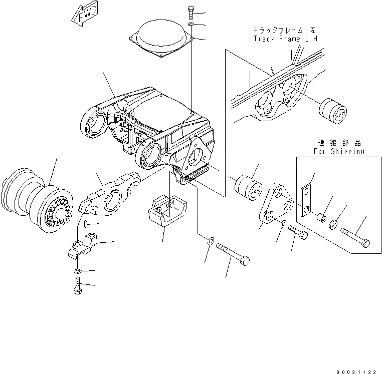
1
2
3
4
5
6
7
8
9
10
11
12
13
14
15
16
17
18
19
20
21
FIT
1:1
100%

Артикул

Название

Примечание

Количество

1

198-30-00580

TRACK ROLLER ASS'Y,SINGLE

SN: 20001-UP

2шт.

2

198-30-67141

CAP

SN: 20001-UP

4шт.

3

04020-00616

PIN

SN: 20001-UP

2шт.

4

19M-09-12850

BOLT

SN: 20001-UP

8шт.

5

01643-33380

WASHER

SN: 20001-UP

8шт.

|$40

198-30-05240

BOGIE ASS'Y

SN: 20001-UP

1шт.

6

198-30-66111

BOGIE,MAJOR

SN: 20001-UP

1шт.

7

198-30-66120

PAD

SN: 20001-UP

1шт.

8

01010-81225

BOLT

SN: 20001-UP

4шт.

9

01643-31232

WASHER

SN: 20001-UP

4шт.

10

198-30-66141

BOGIE,MINOR

SN: 20001-UP

2шт.

11

198-30-32800

PIN ASS'Y

SN: 20001-UP

2шт.

12

198-30-66161

COVER

SN: 20001-UP

2шт.

13

01010-62765

BOLT

SN: 20001-UP

5шт.

14

01643-32780

WASHER

SN: 20001-UP

5шт.

15

198-30-66181

PLATE

SN: 20001-UP

1шт.

16

198-30-66190

COLLAR

SN: 20001-UP

1шт.

17

19M-54-11770

PLATE

SN: 20001-UP

1шт.

18

01011-62710

BOLT

SN: 20001-UP

1шт.

19

198-30-67131

GUIDE

SN: 20001-UP

2шт.

20

01011-63310

BOLT

SN: 20001-UP

4шт.

21

01643-33380

WASHER

SN: 20001-UP

4шт.

Выбрано товаров: 22