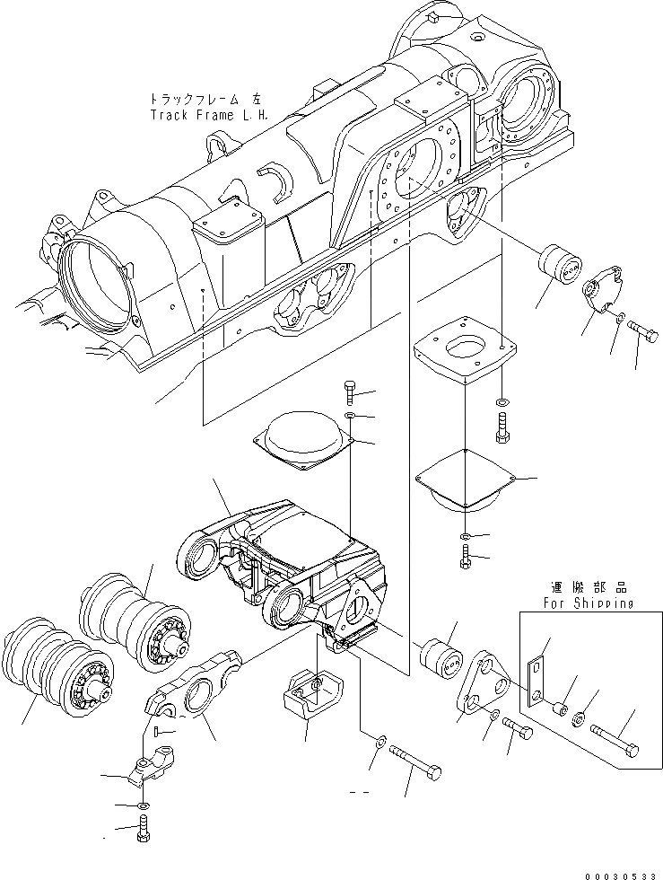
Запчасти Komatsu D475A-5A ТЕЛЕЖКА (ЛЕВ.) (4) ХОДОВАЯ

Схема запчастей Komatsu D475A-5A - ТЕЛЕЖКА (ЛЕВ.) (4) ХОДОВАЯ
1
2
3
4
5
6
7
8
9
10
11
12
13
14
15
16
17
18
19
20
21
22
23
24
25
26
27
28
29
FIT
1:1
100%

Артикул

Название

Примечание

Количество

1

198-30-00551

TRACK ROLLER ASS'Y,DOUBLE

SN: 20001-UP

1шт.

2

198-30-00541

TRACK ROLLER ASS'Y,SINGLE

SN: 20001-UP

1шт.

3

198-30-67141

CAP

SN: 20001-UP

4шт.

4

04020-00616

PIN

SN: 20001-UP

2шт.

5

19M-09-12850

BOLT

SN: 20001-UP

8шт.

6

01643-33380

WASHER

SN: 20001-UP

8шт.

|$41

198-30-05240

BOGIE ASS'Y

SN: 20001-UP

1шт.

7

198-30-66111

BOGIE

SN: 20001-UP

1шт.

8

198-30-66120

PAD

SN: 20001-UP

1шт.

9

01010-81225

BOLT

SN: 20001-UP

4шт.

10

01643-31232

WASHER

SN: 20001-UP

4шт.

11

198-30-66141

BOGIE

SN: 20001-UP

2шт.

12

198-30-32800

PIN ASS'Y

SN: 20001-UP

2шт.

13

198-30-66161

COVER

SN: 20001-UP

2шт.

14

01010-62765

BOLT

SN: 20001-UP

5шт.

15

01643-32780

WASHER

SN: 20001-UP

5шт.

16

198-30-66181

PLATE

SN: 20001-UP

1шт.

17

198-30-66190

COLLAR

SN: 20001-UP

1шт.

18

19M-54-11770

PLATE

SN: 20001-UP

1шт.

19

01011-62710

BOLT

SN: 20001-UP

1шт.

20

198-30-67131

GUIDE

SN: 20001-UP

2шт.

21

01011-63310

BOLT

SN: 20001-UP

4шт.

22

01643-33380

WASHER

SN: 20001-UP

4шт.

23

198-30-66120

PAD

SN: 20001-UP

3шт.

24

01010-81225

BOLT

SN: 20001-UP

12шт.

25

01643-31232

WASHER

SN: 20001-UP

12шт.

26

198-30-32800

PIN ASS'Y

SN: 20001-UP

6шт.

27

198-30-62391

COVER

SN: 20001-UP

6шт.

28

01010-62765

BOLT

SN: 20001-UP

18шт.

29

01643-32780

WASHER

SN: 20001-UP

19шт.

Выбрано товаров: 0