Запчасти Komatsu D475A-5A ТЕЛЕЖКА (ПРАВ.) (2) ХОДОВАЯ

Схема запчастей Komatsu D475A-5A - ТЕЛЕЖКА (ПРАВ.) (2) ХОДОВАЯ
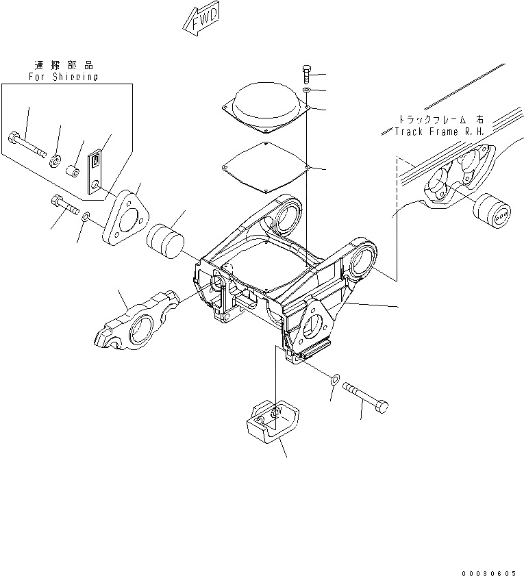
1
2
3
4
5
6
7
8
9
10
11
12
13
14
15
16
17
FIT
1:1
100%

Артикул

Название

Примечание

Количество

|$5

198-30-05230

BOGIE ASS'Y

SN: 20001-UP

1шт.

1

198-30-66111

BOGIE

SN: 20001-UP

1шт.

2

198-30-66120

PAD

SN: 20001-UP

1шт.

3

198-30-66220

PLATE

SN: 20001-UP

1шт.

4

01010-81230

BOLT

SN: 20001-UP

4шт.

5

01643-31232

WASHER

SN: 20001-UP

4шт.

6

198-30-66141

BOGIE

SN: 20001-UP

2шт.

7

198-30-32800

PIN ASS'Y

SN: 20001-UP

2шт.

8

198-30-66161

COVER

SN: 20001-UP

2шт.

9

01010-62765

BOLT

SN: 20001-UP

5шт.

10

01643-32780

WASHER

SN: 20001-UP

5шт.

11

198-30-66181

PLATE

SN: 20001-UP

1шт.

12

198-30-66190

COLLAR

SN: 20001-UP

1шт.

13

19M-54-11770

PLATE

SN: 20001-UP

1шт.

14

01011-62710

BOLT

SN: 20001-UP

1шт.

15

198-30-67131

GUIDE

SN: 20001-UP

2шт.

16

01011-63310

BOLT

SN: 20001-UP

4шт.

17

01643-33380

WASHER

SN: 20001-UP

4шт.

Выбрано товаров: 18