Запчасти Komatsu D475A-5A СИЛОВАЯ ПЕРЕДАЧА (/) (ПОДАЮЩ. ТРУБЫ (/)) СИЛОВАЯ ПЕРЕДАЧА И КОНЕЧНАЯ ПЕРЕДАЧА

Схема запчастей Komatsu D475A-5A - СИЛОВАЯ ПЕРЕДАЧА (/) (ПОДАЮЩ. ТРУБЫ (/)) СИЛОВАЯ ПЕРЕДАЧА И КОНЕЧНАЯ ПЕРЕДАЧА
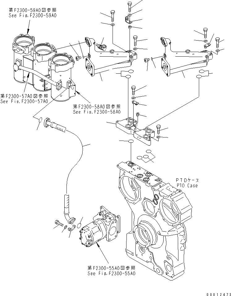
1
2
3
3
4
4
5
6
7
8
9
10
11
12
13
14
15
16
17
18
19
20
21
22
23
24
25
26
27
28
29
30
31
31
32
33
34
FIT
1:1
100%

Артикул

Название

Примечание

Количество

|$4

198-22-60002

POWER TRAIN ASS'Y

SN: 20122-UP

1шт.

|$5

198-22-60001

POWER TRAIN ASS'Y

SN: 20002-20121

1шт.

|$6

198-22-60000

POWER TRAIN ASS'Y

SN: 20001-20001

1шт.

|$7

198-22-60020

POWER TRAIN ASS'Y,-50ЯC

SN: 20001-20001

1шт.

|$$5

THESE ASSEMBLIES CONSIST OF ALL PARTS SHOWN IN FIGS.F2300-51A0 TO F2300-64A0A.

-1шт.

1

198-49-62311

VALVE SEAT

SN: 20001-UP

1шт.

2

07043-70108

PLUG

SN: 20001-UP

1шт.

3

07000-E3048

O-RING

SN: 20001-UP

4шт.

4

07000-E2055

O-RING

SN: 20001-UP

4шт.

5

01010-81275

BOLT

SN: 20001-UP

1шт.

6

01643-31232

WASHER

SN: 20001-UP

1шт.

7

198-61-61470

BRACKET

SN: 20001-UP

1шт.

8

01010-81295

BOLT

SN: 20001-UP

1шт.

9

01643-31232

WASHER

SN: 20001-UP

1шт.

10

198-49-62192

ELBOW

SN: 20001-UP

1шт.

11

07040-12412

PLUG

SN: 20001-UP

2шт.

12

07002-22434

O-RING

SN: 20001-UP

2шт.

13

01011-81225

BOLT

SN: 20001-UP

5шт.

14

01643-31232

WASHER

SN: 20001-UP

5шт.

15

198-61-61470

BRACKET

SN: 20001-UP

1шт.

16

01011-81245

BOLT

SN: 20001-UP

1шт.

17

01643-31232

WASHER

SN: 20001-UP

1шт.

18

198-49-62192

ELBOW

SN: 20001-UP

1шт.

19

195-49-36120

NIPPLE

SN: 20001-UP

1шт.

20

07040-12412

PLUG

SN: 20001-UP

2шт.

21

07002-22434

O-RING

SN: 20001-UP

2шт.

22

01011-81225

BOLT

SN: 20001-UP

2шт.

23

01643-31232

WASHER

SN: 20001-UP

2шт.

24

17M-49-15260

BRACKET

SN: 20001-UP

1шт.

25

23S-43-53140

SPACER

SN: 20001-UP

1шт.

26

01011-81245

BOLT

SN: 20001-UP

1шт.

27

01643-31232

WASHER

SN: 20001-UP

1шт.

28

195-979-5720

BOLT, 210MM

SN: 20001-UP

3шт.

29

01643-31232

WASHER

SN: 20001-UP

3шт.

30

07298-012A6

HOSE

SN: 20001-UP

1шт.

31

07000-E3038

O-RING

SN: 20001-UP

2шт.

32

07371-31255

FLANGE

SN: 20001-UP

4шт.

33

07372-21035

BOLT

SN: 20001-UP

8шт.

34

01643-51032

WASHER

SN: 20001-UP

8шт.

Выбрано товаров: 0