Запчасти Komatsu D475A-5A СИЛОВАЯ ПЕРЕДАЧА (/) (СИЛОВАЯ ПЕРЕДАЧА КРЕПЛЕНИЕ) СИЛОВАЯ ПЕРЕДАЧА И КОНЕЧНАЯ ПЕРЕДАЧА

Схема запчастей Komatsu D475A-5A - СИЛОВАЯ ПЕРЕДАЧА (/) (СИЛОВАЯ ПЕРЕДАЧА КРЕПЛЕНИЕ) СИЛОВАЯ ПЕРЕДАЧА И КОНЕЧНАЯ ПЕРЕДАЧА
1
2
2
3
4
4
4
4
5
5
6
6
7
7
8
8
9
9
10
11
12
13
FIT
1:1
100%

Артикул

Название

Примечание

Количество

|$4

198-22-60002

POWER TRAIN ASS'Y

SN: 20122-UP

1шт.

|$5

198-22-60001

POWER TRAIN ASS'Y

SN: 20002-20121

1шт.

|$6

198-22-60000

POWER TRAIN ASS'Y

SN: 20001-20001

1шт.

|$7

198-22-60020

POWER TRAIN ASS'Y,-50ЯC

SN: 20001-20001

1шт.

|$$5

THESE ASSEMBLIES CONSIST OF ALL PARTS SHOWN IN FIGS.F2300-51A0 TO F2300-64A0A.

-1шт.

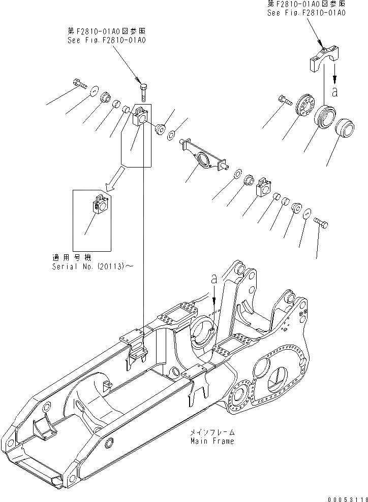
1

198-21-66110

BRACKET

SN: 20001-UP

1шт.

2

198-01-31191

CAP

SN: (20113)-UP

1шт.

2

198-01-31191

CAP

SN: 20001-(20112)

2шт.

3

198-21-61230

CAP

SN: (20113)-UP

1шт.

4

198-01-31121

CUSHION

SN: 20001-UP

4шт.

5

198-01-31220

CUSHION

SN: 20001-UP

2шт.

6

198-01-31230

SPACER

SN: 20001-UP

2шт.

7

198-01-31150

SPACER

SN: 20001-UP

2шт.

8

198-21-32160

PLATE

SN: 20001-UP

2шт.

9

01010-62040

BOLT

SN: 20001-UP

4шт.

10

198-21-32131

BUSHING

SN: 20001-UP

2шт.

11

198-21-32151

CUSHION

SN: 20001-UP

2шт.

12

198-21-32140

FLANGE

SN: 20001-UP

2шт.

13

01010-81235

BOLT

SN: 20001-UP

20шт.

Выбрано товаров: 19