Запчасти Komatsu SDA12V140E-1D-AD ПРОВОДКА (/)(№-98) ДВИГАТЕЛЬ

Схема запчастей Komatsu SDA12V140E-1D-AD - ПРОВОДКА (/)(№-98) ДВИГАТЕЛЬ
1
1
1
1
2
3
4
4
4
5
6
7
7
7
7
7
7
7
7
8
9
10
11
11
11
11
11
11
12
13
14
15
16
17
18
18
18
19
19
19
20
20
20
20
21
22
22
23
24
25
26
27
28
29
30
30
31
1
1
1
1
2
3
4
4
4
5
6
7
7
7
7
7
7
7
7
8
9
10
11
11
11
11
11
11
12
13
14
15
16
17
18
18
18
19
19
19
20
20
20
20
21
22
22
23
24
25
26
27
28
29
30
30
31
FIT
1:1
100%

Артикул

Название

Примечание

Количество

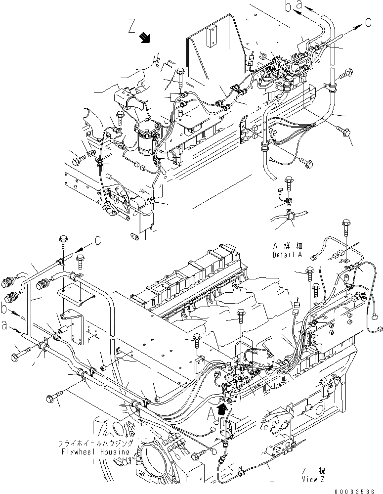
1

6215-81-6560

WIRING HARNESS

SN: 13436-@

1шт.

2

6215-81-6570

WIRING HARNESS

SN: 13436-@

1шт.

3

6215-81-6580

WIRING HARNESS

SN: 13436-@

1шт.

4

6215-81-6590

WIRING HARNESS

SN: 13436-@

1шт.

5

6210-51-8320

CLIP

SN: 13436-@

1шт.

6

01435-01016

BOLT

SN: 13436-@

1шт.

7

08034-20519

BAND

SN: 13436-@

8шт.

8

426-01-11310

BRACKET

SN: 13436-@

1шт.

9

6134-12-5120

SPACER

SN: 13436-@

1шт.

10

01435-01060

BOLT

SN: 13436-@

1шт.

11

6151-53-8280

CLIP

SN: 13436-@

12шт.

12

04434-51610

CLIP

SN: 13436-@

1шт.

13

01435-01025

BOLT

SN: 13436-@

1шт.

14

01580-01008

NUT

SN: 13436-@

1шт.

15

01435-01035

BOLT

SN: 13436-@

1шт.

16

04434-51910

CLIP

SN: 13436-@

1шт.

17

198-06-53540

CUSHION

SN: 13436-@

1шт.

18

04434-52510

CLIP

SN: 13436-@

3шт.

19

198-06-53570

BUSHING

SN: 13436-@

3шт.

20

6162-63-8820

CLIP

SN: 13436-@

4шт.

21

01435-01040

BOLT

SN: 13436-@

2шт.

22

6631-11-5630

SPACER

SN: 13436-@

2шт.

23

01435-01070

BOLT

SN: 13436-@

1шт.

24

6152-51-5520

SPACER

SN: 13436-@

1шт.

25

04434-52510

CLIP

SN: 13436-13985

2шт.

26

198-06-53570

BUSHING

SN: 13436-13985

2шт.

27

6210-51-8320

CLIP

SN: 13436-@

1шт.

28

01435-01016

BOLT

SN: 13436-@

2шт.

29

08193-20010

CLIP

SN: 13436-@

2шт.

30

6210-51-8320

CLIP

SN: 13436-@

2шт.

31

01435-01020

BOLT

SN: 13436-@

1шт.

1

6215-81-6560

WIRING HARNESS

SN: 13436-@

1шт.

2

6215-81-6570

WIRING HARNESS

SN: 13436-@

1шт.

3

6215-81-6580

WIRING HARNESS

SN: 13436-@

1шт.

4

6215-81-6590

WIRING HARNESS

SN: 13436-@

1шт.

5

6210-51-8320

CLIP

SN: 13436-@

1шт.

6

01435-01016

BOLT

SN: 13436-@

1шт.

7

08034-20519

BAND

SN: 13436-@

8шт.

8

426-01-11310

BRACKET

SN: 13436-@

1шт.

9

6134-12-5120

SPACER

SN: 13436-@

1шт.

10

01435-01060

BOLT

SN: 13436-@

1шт.

11

6151-53-8280

CLIP

SN: 13436-@

12шт.

12

04434-51610

CLIP

SN: 13436-@

1шт.

13

01435-01025

BOLT

SN: 13436-@

1шт.

14

01580-01008

NUT

SN: 13436-@

1шт.

15

01435-01035

BOLT

SN: 13436-@

1шт.

16

04434-51910

CLIP

SN: 13436-@

1шт.

17

198-06-53540

CUSHION

SN: 13436-@

1шт.

18

04434-52510

CLIP

SN: 13436-@

3шт.

19

198-06-53570

BUSHING

SN: 13436-@

3шт.

20

6162-63-8820

CLIP

SN: 13436-@

4шт.

21

01435-01040

BOLT

SN: 13436-@

2шт.

22

6631-11-5630

SPACER

SN: 13436-@

2шт.

23

01435-01070

BOLT

SN: 13436-@

1шт.

24

6152-51-5520

SPACER

SN: 13436-@

1шт.

25

04434-52510

CLIP

SN: 13436-13985

2шт.

26

198-06-53570

BUSHING

SN: 13436-13985

2шт.

27

6210-51-8320

CLIP

SN: 13436-@

1шт.

28

01435-01016

BOLT

SN: 13436-@

2шт.

29

08193-20010

CLIP

SN: 13436-@

2шт.

30

6210-51-8320

CLIP

SN: 13436-@

2шт.

31

01435-01020

BOLT

SN: 13436-@

1шт.

Выбрано товаров: 62