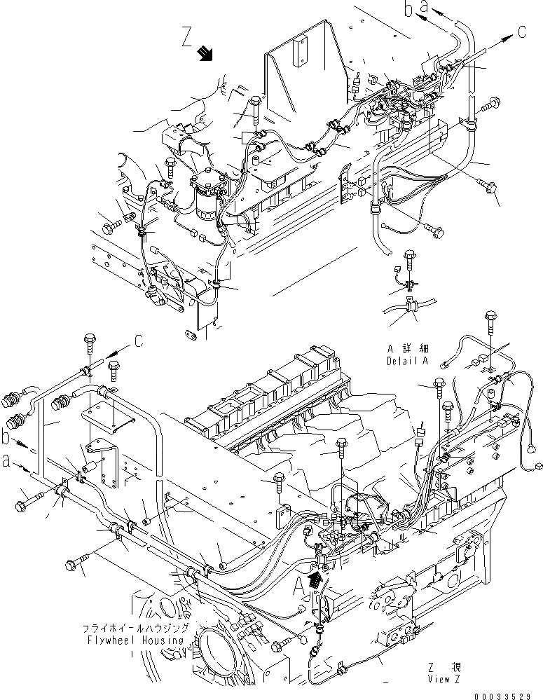
Запчасти Komatsu SDA12V140E-1D-AD ПРОВОДКА (/) (ДЛЯ VHMS LESS)(№7-) ДВИГАТЕЛЬ

Схема запчастей Komatsu SDA12V140E-1D-AD - ПРОВОДКА (/) (ДЛЯ VHMS LESS)(№7-) ДВИГАТЕЛЬ
1
1
1
1
2
3
4
5
6
6
6
6
6
6
6
6
7
8
9
10
10
10
10
10
10
11
12
13
14
15
16
17
17
17
18
18
18
19
19
19
20
21
21
22
23
24
24
25
25
26
27
28
29
29
30
1
1
1
1
2
3
4
5
6
6
6
6
6
6
6
6
7
8
9
10
10
10
10
10
10
11
12
13
14
15
16
17
17
17
18
18
18
19
19
19
20
21
21
22
23
24
24
25
25
26
27
28
29
29
30
FIT
1:1
100%

Артикул

Название

Примечание

Количество

1

6215-81-6560

WIRING HARNESS

SN: 13471-UP

1шт.

2

6215-81-6570

WIRING HARNESS

SN: 13471-UP

1шт.

3

6215-81-6580

WIRING HARNESS

SN: 13471-UP

1шт.

4

6210-51-8320

CLIP

SN: 13471-UP

1шт.

5

01435-01016

BOLT

SN: 13471-UP

1шт.

6

08034-20519

BAND

SN: 13471-UP

8шт.

7

426-01-11310

BRACKET

SN: 13471-UP

1шт.

8

6134-12-5120

SPACER

SN: 13471-UP

1шт.

9

01435-01060

BOLT

SN: 13471-UP

1шт.

10

6151-53-8280

CLIP

SN: 13471-UP

12шт.

11

04434-51610

CLIP

SN: 13471-UP

1шт.

12

01435-01025

BOLT

SN: 13471-UP

1шт.

13

01580-01008

NUT

SN: 13471-UP

1шт.

14

01435-01035

BOLT

SN: 13471-UP

1шт.

15

04434-51910

CLIP

SN: 13471-UP

1шт.

16

198-06-53540

CUSHION

SN: 13471-UP

1шт.

17

04434-52510

CLIP

SN: 13471-UP

3шт.

18

198-06-53560

CUSHION

SN: 14710-UP

3шт.

18

0

BUSHING

SN: 13471-14709

3шт.

19

6162-63-8820

CLIP

SN: 13471-UP

4шт.

20

01435-01040

BOLT

SN: 13471-UP

2шт.

21

6631-11-5630

SPACER

SN: 13471-UP

2шт.

22

01435-01070

BOLT

SN: 13471-UP

1шт.

23

6152-51-5520

SPACER

SN: 13471-UP

1шт.

24

04434-52510

CLIP

SN: 13471-UP

1шт.

25

198-06-53560

CUSHION

SN: 14710-UP

1шт.

25

0

BUSHING

SN: 13471-14709

1шт.

26

6210-51-8320

CLIP

SN: 13471-UP

1шт.

27

01435-01016

BOLT

SN: 13471-UP

2шт.

28

08193-20010

CLIP

SN: 13471-UP

2шт.

29

6210-51-8320

CLIP

SN: 13471-UP

2шт.

30

01435-01020

BOLT

SN: 13471-UP

1шт.

1

6215-81-6560

WIRING HARNESS

SN: 13471-UP

1шт.

2

6215-81-6570

WIRING HARNESS

SN: 13471-UP

1шт.

3

6215-81-6580

WIRING HARNESS

SN: 13471-UP

1шт.

4

6210-51-8320

CLIP

SN: 13471-UP

1шт.

5

01435-01016

BOLT

SN: 13471-UP

1шт.

6

08034-20519

BAND

SN: 13471-UP

8шт.

7

426-01-11310

BRACKET

SN: 13471-UP

1шт.

8

6134-12-5120

SPACER

SN: 13471-UP

1шт.

9

01435-01060

BOLT

SN: 13471-UP

1шт.

10

6151-53-8280

CLIP

SN: 13471-UP

12шт.

11

04434-51610

CLIP

SN: 13471-UP

1шт.

12

01435-01025

BOLT

SN: 13471-UP

1шт.

13

01580-01008

NUT

SN: 13471-UP

1шт.

14

01435-01035

BOLT

SN: 13471-UP

1шт.

15

04434-51910

CLIP

SN: 13471-UP

1шт.

16

198-06-53540

CUSHION

SN: 13471-UP

1шт.

17

04434-52510

CLIP

SN: 13471-UP

3шт.

18

198-06-53560

CUSHION

SN: 14710-UP

3шт.

18

0

BUSHING

SN: 13471-14709

3шт.

19

6162-63-8820

CLIP

SN: 13471-UP

4шт.

20

01435-01040

BOLT

SN: 13471-UP

2шт.

21

6631-11-5630

SPACER

SN: 13471-UP

2шт.

22

01435-01070

BOLT

SN: 13471-UP

1шт.

23

6152-51-5520

SPACER

SN: 13471-UP

1шт.

24

04434-52510

CLIP

SN: 13471-UP

1шт.

25

198-06-53560

CUSHION

SN: 14710-UP

1шт.

25

0

BUSHING

SN: 13471-14709

1шт.

26

6210-51-8320

CLIP

SN: 13471-UP

1шт.

27

01435-01016

BOLT

SN: 13471-UP

2шт.

28

08193-20010

CLIP

SN: 13471-UP

2шт.

29

6210-51-8320

CLIP

SN: 13471-UP

2шт.

30

01435-01020

BOLT

SN: 13471-UP

1шт.

Выбрано товаров: 64