Запчасти Komatsu SDA12V140E-1D-AD PRE LUBE МАСЛ. НАСОС И БЫСТР. ЗАПРАВ. СИСТЕМА КОМПОНЕНТЫ(№7-) ДВИГАТЕЛЬ

Схема запчастей Komatsu SDA12V140E-1D-AD - PRE LUBE МАСЛ. НАСОС И БЫСТР. ЗАПРАВ. СИСТЕМА КОМПОНЕНТЫ(№7-) ДВИГАТЕЛЬ
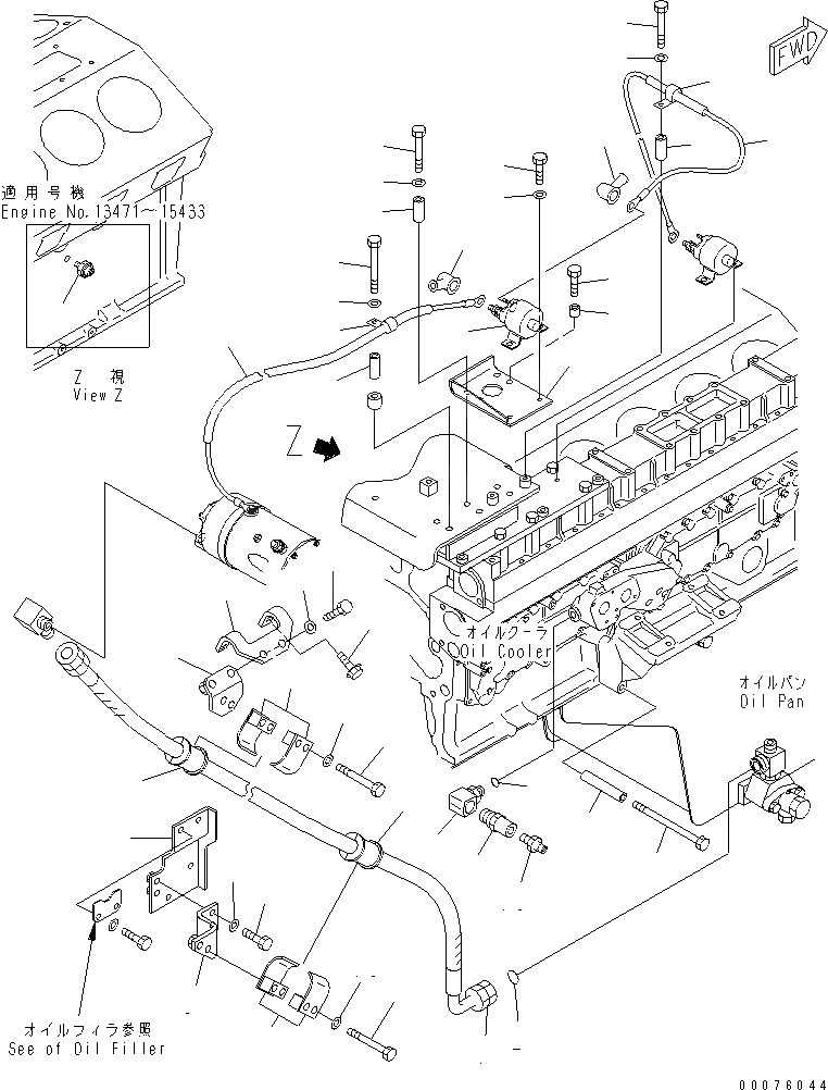
1
2
3
4
5
6
7
8
9
10
11
12
12
13
13
14
14
15
15
16
17
18
19
20
21
22
22
23
23
23
24
24
25
26
26
26
27
28
29
30
31
32
33
34
35
36
37
1
2
3
4
5
6
7
8
9
10
11
12
12
13
13
14
14
15
15
16
17
18
19
20
21
22
22
23
23
23
24
24
25
26
26
26
27
28
29
30
31
32
33
34
35
36
37
FIT
1:1
100%

Артикул

Название

Примечание

Количество

1

198-01-61220

HOSE

SN: 13471-UP

1шт.

2

207-62-64740

O-RING

SN: 13471-UP

1шт.

3

6219-51-3110

BRACKET

SN: 15315-UP

1шт.

3

6215-51-3110

BRACKET

SN: 13471-15314

1шт.

4

198-01-61310

BRACKET

SN: 13471-UP

1шт.

5

01010-81235

BOLT

SN: 13471-UP

2шт.

6

01643-31232

WASHER

SN: 13471-UP

2шт.

7

198-01-61320

BRACKET

SN: 13471-UP

1шт.

8

01435-01030

BOLT

SN: 13471-UP

2шт.

9

198-01-61241

BRACKET

SN: 13471-UP

1шт.

10

01010-81030

BOLT

SN: 13471-UP

2шт.

11

01643-31032

WASHER

SN: 13471-UP

2шт.

12

07094-11024

CLAMP

SN: 13471-UP

4шт.

13

07095-01034

CUSHION

SN: 13471-UP

2шт.

14

01010-81285

BOLT

SN: 13471-UP

4шт.

15

01643-31232

WASHER

SN: 13471-UP

4шт.

16

6215-51-5160

ELBOW

SN: 13471-UP

1шт.

17

07002-22034

O-RING

SN: 13471-UP

1шт.

18

6215-51-3200

VALVE

SN: 13471-UP

1шт.

19

6215-51-5120

NIPPLE

SN: 13471-UP

1шт.

20

198-06-62970

WIRING HARNESS

SN: 13471-UP

1шт.

21

08038-12027

CAP

SN: 13471-UP

1шт.

22

04434-51510

CLIP

SN: 13471-UP

2шт.

23

6112-23-6961

SPACER

SN: 13471-UP

5шт.

24

01010-81070

BOLT

SN: 13471-UP

4шт.

25

01011-81000

BOLT

SN: 13471-UP

1шт.

26

01643-31032

WASHER

SN: 13471-UP

5шт.

27

198-06-62951

WIRING HARNESS

SN: 13471-UP

1шт.

28

08038-12027

CAP

SN: 13471-UP

1шт.

29

7861-91-1320

SENSOR

SN: 15352-15433

1шт.

29

08073-00503

SWITCH

SN: 13471-15351

1шт.

30

6215-81-5152

BRACKET

SN: 13986-UP

1шт.

30

0

BRACKET

SN: 13471-13985

1шт.

31

600-815-7510

SWITCH,HEATER

SN: 13471-UP

1шт.

32

6631-11-5630

SPACER

SN: 13471-UP

1шт.

33

01010-81040

BOLT

SN: 13471-UP

1шт.

34

01010-80816

BOLT

SN: 13471-UP

2шт.

35

01643-30823

WASHER

SN: 13471-UP

2шт.

36

01011-81075

BOLT

SN: 13471-UP

1шт.

37

6206-81-9870

SPACER

SN: 13471-UP

1шт.

1

198-01-61220

HOSE

SN: 13471-UP

1шт.

2

207-62-64740

O-RING

SN: 13471-UP

1шт.

3

6219-51-3110

BRACKET

SN: 15315-UP

1шт.

3

6215-51-3110

BRACKET

SN: 13471-15314

1шт.

4

198-01-61310

BRACKET

SN: 13471-UP

1шт.

5

01010-81235

BOLT

SN: 13471-UP

2шт.

6

01643-31232

WASHER

SN: 13471-UP

2шт.

7

198-01-61320

BRACKET

SN: 13471-UP

1шт.

8

01435-01030

BOLT

SN: 13471-UP

2шт.

9

198-01-61241

BRACKET

SN: 13471-UP

1шт.

10

01010-81030

BOLT

SN: 13471-UP

2шт.

11

01643-31032

WASHER

SN: 13471-UP

2шт.

12

07094-11024

CLAMP

SN: 13471-UP

4шт.

13

07095-01034

CUSHION

SN: 13471-UP

2шт.

14

01010-81285

BOLT

SN: 13471-UP

4шт.

15

01643-31232

WASHER

SN: 13471-UP

4шт.

16

6215-51-5160

ELBOW

SN: 13471-UP

1шт.

17

07002-22034

O-RING

SN: 13471-UP

1шт.

18

6215-51-3200

VALVE

SN: 13471-UP

1шт.

19

6215-51-5120

NIPPLE

SN: 13471-UP

1шт.

20

198-06-62970

WIRING HARNESS

SN: 13471-UP

1шт.

21

08038-12027

CAP

SN: 13471-UP

1шт.

22

04434-51510

CLIP

SN: 13471-UP

2шт.

23

6112-23-6961

SPACER

SN: 13471-UP

5шт.

24

01010-81070

BOLT

SN: 13471-UP

4шт.

25

01011-81000

BOLT

SN: 13471-UP

1шт.

26

01643-31032

WASHER

SN: 13471-UP

5шт.

27

198-06-62951

WIRING HARNESS

SN: 13471-UP

1шт.

28

08038-12027

CAP

SN: 13471-UP

1шт.

29

7861-91-1320

SENSOR

SN: 15352-15433

1шт.

29

08073-00503

SWITCH

SN: 13471-15351

1шт.

30

6215-81-5152

BRACKET

SN: 13986-UP

1шт.

30

0

BRACKET

SN: 13471-13985

1шт.

31

600-815-7510

SWITCH,HEATER

SN: 13471-UP

1шт.

32

6631-11-5630

SPACER

SN: 13471-UP

1шт.

33

01010-81040

BOLT

SN: 13471-UP

1шт.

34

01010-80816

BOLT

SN: 13471-UP

2шт.

35

01643-30823

WASHER

SN: 13471-UP

2шт.

36

01011-81075

BOLT

SN: 13471-UP

1шт.

37

6206-81-9870

SPACER

SN: 13471-UP

1шт.

Выбрано товаров: 80