Запчасти Komatsu D475A-5E0 КРЫЛО (ОСНОВН. POWER) (MINING СПЕЦ-Я.) (С REFILL ХЛАДАГЕНТ) ЧАСТИ КОРПУСА

Схема запчастей Komatsu D475A-5E0 - КРЫЛО (ОСНОВН. POWER) (MINING СПЕЦ-Я.) (С REFILL ХЛАДАГЕНТ) ЧАСТИ КОРПУСА
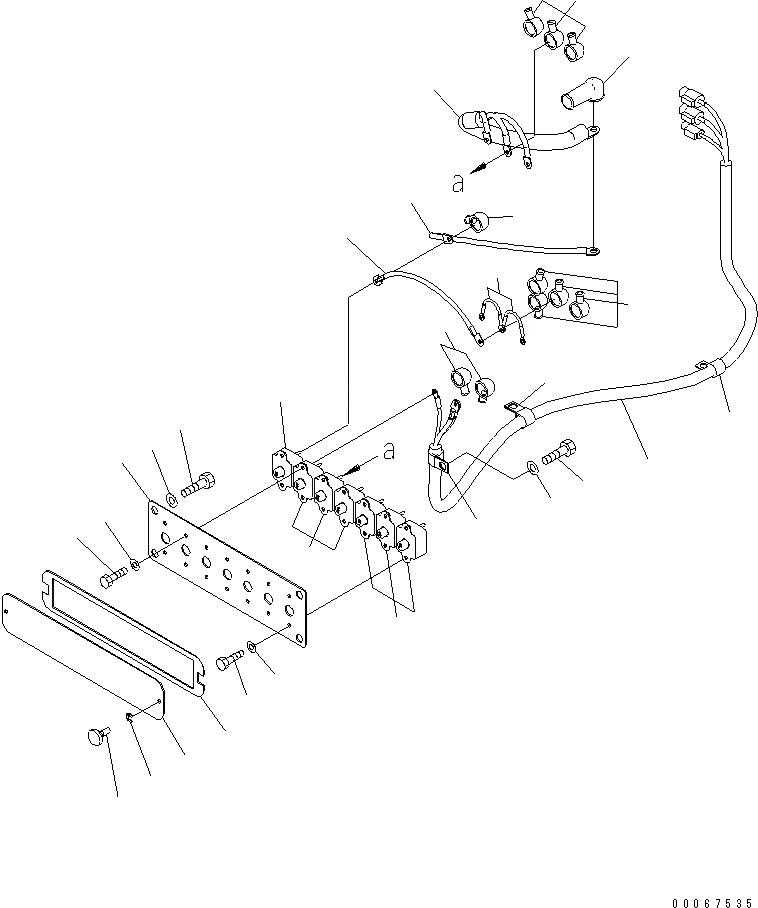
1
2
2
2
3
4
5
6
7
8
9
9
10
11
12
13
14
15
16
17
18
19
20
21
22
23
24
25
26
FIT
1:1
100%

Артикул

Название

Примечание

Количество

1

198-06-62414

WIRING HARNESS

SN: 30001-UP

1шт.

2

04434-51912

CLIP

SN: 30001-UP

3шт.

3

01010-81225

BOLT

SN: 30001-UP

1шт.

4

01643-31232

WASHER

SN: 30001-UP

1шт.

5

08038-00525

CAP

SN: 30001-UP

2шт.

6

198-06-71111

PLATE

SN: 30001-UP

1шт.

7

01010-81225

BOLT

SN: 30001-UP

4шт.

8

01643-31232

WASHER

SN: 30001-UP

4шт.

9

198-06-62830

CIRCUIT BREAKER

SN: 30001-UP

4шт.

10

01010-80612

BOLT

SN: 30001-UP

8шт.

11

01643-30623

WASHER

SN: 30001-UP

8шт.

12

198-06-62840

CIRCUIT BREAKER

SN: 30001-UP

3шт.

13

01010-80612

BOLT

SN: 30001-UP

6шт.

14

01643-30623

WASHER

SN: 30001-UP

6шт.

15

198-06-71241

WIRING HARNESS

SN: 30001-UP

1шт.

16

198-06-71261

WIRING HARNESS

SN: 30001-UP

2шт.

17

08038-00525

CAP

SN: 30001-UP

4шт.

18

198-06-71120

COVER

SN: 30001-UP

1шт.

19

198-06-71130

SEAL

SN: 30001-UP

1шт.

20

198-54-75730

SCREW

SN: 30001-UP

2шт.

21

195-54-78790

SNAP RING

SN: 30001-UP

2шт.

22

198-06-73690

WIRING HARNESS

SN: 30001-UP

1шт.

23

08038-00525

CAP

SN: 30001-UP

1шт.

24

198-06-73680

WIRING HARNESS

SN: 30001-UP

1шт.

25

08038-00525

CAP

SN: 30001-UP

3шт.

26

08038-00035

CAP

SN: 30001-UP

1шт.

Выбрано товаров: 26