Запчасти Komatsu D475A-5E0 КЛАПАН УПРАВЛЕНИЯ ТРАНСМИССИЕЙ (/) СИЛОВАЯ ПЕРЕДАЧА И КОНЕЧНАЯ ПЕРЕДАЧА

Схема запчастей Komatsu D475A-5E0 - КЛАПАН УПРАВЛЕНИЯ ТРАНСМИССИЕЙ (/) СИЛОВАЯ ПЕРЕДАЧА И КОНЕЧНАЯ ПЕРЕДАЧА
1
1
2
2
2
3
3
3
3
4
4
4
4
4
5
6
7
8
9
10
11
11
12
12
13
13
14
14
14
15
16
17
18
19
20
21
22
23
FIT
1:1
100%

Артикул

Название

Примечание

Количество

|$1

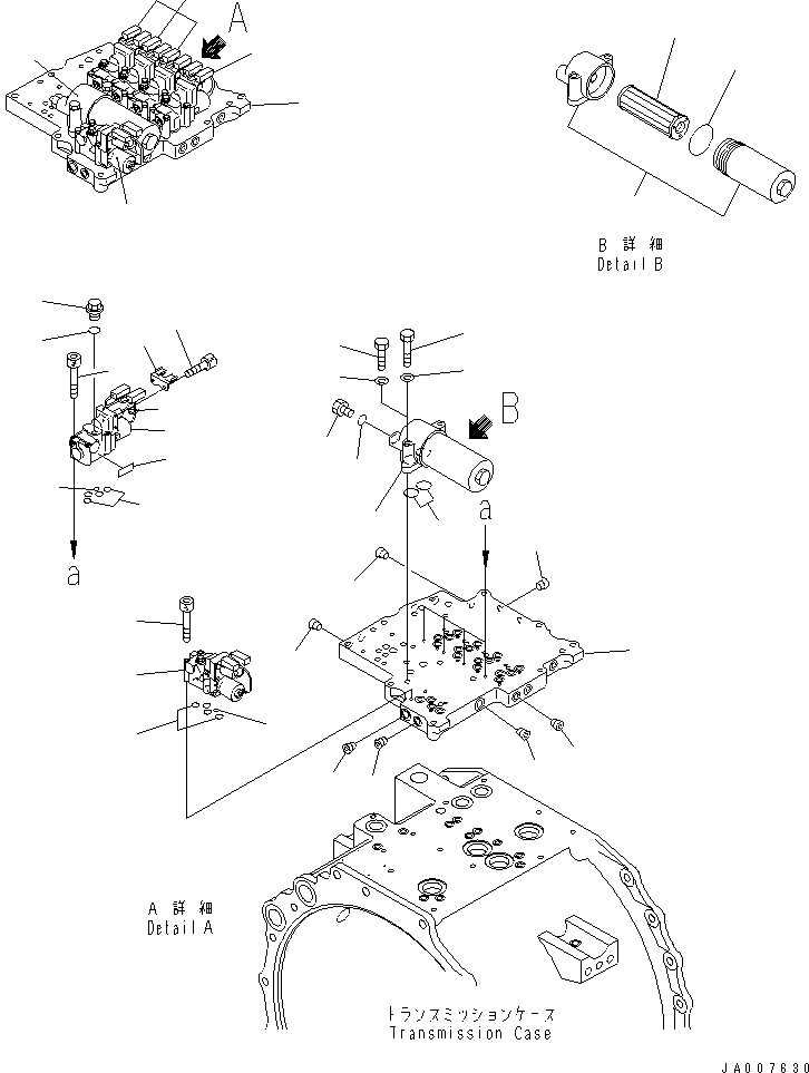
198-15-41001

TRANSMISSION ASS'Y

SN: 30001-UP

1шт.

|$$2

THIS ASSEMBLY CONSISTS OF ALL PARTS SHOWN IN FIGS.F2320-51A0 TO F2320-60A0.

-1шт.

|$4

198-15-45051

VALVE ASS'Y

SN: 30001-UP

1шт.

|$5

0

VALVE ASS'Y

SN: (30001-30063)

1шт.

|$$5

THESE ASSEMBLIES CONSIST OF ALL PARTS SHOWN IN FIGS.F2320-59A0 AND F2320-60A0.

-1шт.

1

198-15-45131

VALVE SEAT

SN: 30001-UP

1шт.

2

07043-70211

PLUG

SN: 30001-UP

7шт.

3

07043-70312

PLUG

SN: 30001-UP

6шт.

4

56B-15-25301

ECMV GROUP

SN: 30064-UP

5шт.

4

0

ECMV GROUP

SN: 30001-30063

5шт.

5

01252-60510

BOLT

SN: 30001-UP

4шт.

6

714-23-15690

BRACKET

SN: 30001-UP

1шт.

7

708-8E-16150

PLUG

SN: 30001-UP

1шт.

8

07002-61023

O-RING

SN: 30001-UP

1шт.

9

0

PLATE,(LIMITED SUPPLY)

SN: 30001-UP

1шт.

10

08034-00310

BAND

SN: 30001-UP

1шт.

11

07000-72015

O-RING (K3)

SN: 30001-UP

20шт.

12

07000-71007

O-RING (K3)

SN: 30001-UP

5шт.

13

01252-70650

BOLT

SN: 30001-UP

20шт.

14

569-15-51720

FILTER ASS'Y

SN: 30001-UP

1шт.

15

569-15-51731

ELEMENT ASS'Y

SN: 30072-UP

1шт.

15

0

ELEMENT ASS'Y

SN: 30001-30071

1шт.

16

07000-02060

O-RING

SN: 30001-UP

1шт.

17

07040-11812

PLUG

SN: 30001-UP

1шт.

18

07002-61823

O-RING (K3)

SN: 30001-UP

1шт.

19

07000-73022

O-RING (K3)

SN: 30001-UP

2шт.

20

01010-81030

BOLT

SN: 30001-UP

1шт.

21

01643-31032

WASHER

SN: 30001-UP

1шт.

22

01010-81080

BOLT

SN: 30001-UP

1шт.

23

01643-31032

WASHER

SN: 30001-UP

1шт.

Выбрано товаров: 30