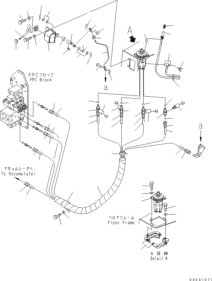
Запчасти Komatsu D475A-5E0 ОСНОВН. КОНСТРУКЦИЯ (ОТВАЛ УПРАВЛ-Е) (PPC ТРУБЫ И РУЧКА УПРАВЛ-Я) (ДЛЯ ОТВАЛ С ДВОЙН. ПЕРЕКОСОМ) КАБИНА ОПЕРАТОРА И СИСТЕМА УПРАВЛЕНИЯ

Схема запчастей Komatsu D475A-5E0 - ОСНОВН. КОНСТРУКЦИЯ (ОТВАЛ УПРАВЛ-Е) (PPC ТРУБЫ И РУЧКА УПРАВЛ-Я) (ДЛЯ ОТВАЛ С ДВОЙН. ПЕРЕКОСОМ) КАБИНА ОПЕРАТОРА И СИСТЕМА УПРАВЛЕНИЯ
1
2
2
2
2
3
4
4
4
4
5
5
5
5
6
7
8
9
10
11
12
12
12
13
14
15
15
15
15
16
16
16
16
16
16
17
17
18
18
19
19
19
19
20
20
21
22
23
24
25
26
27
28
29
30
31
32
33
34
35
35
36
36
37
38
39
40
41
42
43
44
45
FIT
1:1
100%

Артикул

Название

Примечание

Количество

1

702-16-06161

PILOT VALVE

SN: 30071-UP

1шт.

1

0

PILOT VALVE

SN: 30001-30070

1шт.

2

17M-61-42540

UNION

SN: 30001-UP

4шт.

3

02896-21009

O-RING

SN: 30001-UP

4шт.

4

195-06-55120

SWITCH

SN: 30001-UP

4шт.

5

07002-21423

O-RING

SN: 30001-UP

4шт.

6

08034-20834

BAND

SN: 30001-UP

1шт.

7

195-43-58161

PLATE

SN: 30001-UP

2шт.

8

01010-80825

BOLT

SN: 30001-UP

4шт.

9

01643-30823

WASHER

SN: 30001-UP

4шт.

10

702-16-53240

PLUG

SN: 30001-UP

1шт.

11

203-62-57730

BOLT

SN: 30001-UP

1шт.

12

07000-F2018

O-RING

SN: 30001-UP

4шт.

13

08034-20519

BAND

SN: 30001-UP

1шт.

14

08210-01805

SPIRAL TUBE

SN: 30001-UP

1шт.

15

198-61-61591

HOSE, 1000MM

SN: 30001-UP

2шт.

16

20Y-62-42540

HOSE, 1050MM

SN: 30001-UP

3шт.

17

20Y-62-22790

BAND, RED

SN: 30001-UP

2шт.

18

20Y-62-22810

BAND, YELLOW

SN: 30001-UP

2шт.

19

20Y-62-22840

BAND, BLACK

SN: 30001-UP

2шт.

20

20Y-62-22850

BAND, GREEN

SN: 30001-UP

2шт.

21

20Y-62-17930

CLIP

SN: 30001-UP

2шт.

22

01010-81220

BOLT

SN: 30001-UP

2шт.

23

01643-31232

WASHER

SN: 30001-UP

2шт.

24

01010-80825

BOLT

SN: 30001-UP

6шт.

25

01643-30823

WASHER

SN: 30001-UP

6шт.

26

09304-10835

KNOB

SN: 30001-UP

1шт.

27

195-43-49410

BRACKET

SN: 30001-UP

1шт.

28

06124-02020

BEARING

SN: 30001-UP

1шт.

29

198-43-61810

LEVER

SN: 30001-UP

1шт.

30

04010-00516

KEY

SN: 30001-UP

1шт.

31

01010-80830

BOLT

SN: 30001-UP

1шт.

32

01643-30823

WASHER

SN: 30001-UP

1шт.

33

17A-43-25460

LEVER

SN: 30001-UP

1шт.

34

198-54-75760

SPRING

SN: 30001-UP

1шт.

35

01641-20608

WASHER

SN: 30001-UP

4шт.

36

04050-11612

PIN

SN: 30001-UP

2шт.

37

198-43-61740

ROD

SN: 30001-UP

1шт.

38

04211-20634

YOKE

SN: 30001-UP

1шт.

39

01580-10605

NUT

SN: 30001-UP

1шт.

40

04205-10618

PIN

SN: 30001-UP

1шт.

41

04050-11612

PIN

SN: 30001-UP

1шт.

42

01010-81025

BOLT

SN: 30001-UP

2шт.

43

01643-31032

WASHER

SN: 30001-UP

2шт.

44

04205-10618

PIN

SN: 30001-UP

1шт.

45

04050-11612

PIN

SN: 30001-UP

1шт.

Выбрано товаров: 0