Запчасти Komatsu D475A-5E0 ГУСЕНИЧНАЯ РАМА (ПРУЖИНА) (ЛЕВ.) (МОРОЗОУСТОЙЧИВ. СПЕЦ-Я B СПЕЦ-Я.) ХОДОВАЯ

Схема запчастей Komatsu D475A-5E0 - ГУСЕНИЧНАЯ РАМА (ПРУЖИНА) (ЛЕВ.) (МОРОЗОУСТОЙЧИВ. СПЕЦ-Я B СПЕЦ-Я.) ХОДОВАЯ
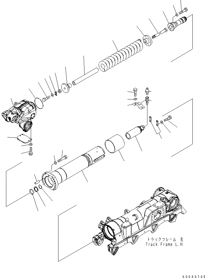
1
2
3
4
5
6
7
8
9
10
11
12
13
14
15
16
17
18
19
20
21
22
23
24
25
26
27
28
29
30
31
32
33
34
FIT
1:1
100%

Артикул

Название

Примечание

Количество

1

198-30-64211

SPRING

SN: 30001-UP

1шт.

2

198-30-64240

SPACER

SN: 30001-UP

1шт.

3

198-30-64230

PILOT

SN: 30001-UP

1шт.

4

198-30-64221

PILOT

SN: 30001-UP

1шт.

5

198-30-64250

BOLT

SN: 30001-UP

1шт.

6

208-30-11760

NUT

SN: 30001-UP

1шт.

7

198-30-64260

PLATE

SN: 30001-UP

1шт.

8

01010-81230

BOLT

SN: 30001-UP

2шт.

9

01643-31232

WASHER

SN: 30001-UP

2шт.

10

198-30-69450

PISTON

SN: 30001-UP

1шт.

11

01010-81255

BOLT

SN: 30001-UP

6шт.

12

01643-31232

WASHER

SN: 30001-UP

6шт.

|$18

198-30-01530

CASE ASS'Y

SN: 30001-UP

1шт.

13

0

CASE

SN: 30001-UP

1шт.

14

198-30-34120

BUSHING

SN: 30001-UP

1шт.

15

195-78-21590

PLATE

SN: 30001-UP

2шт.

16

01010-82050

BOLT

SN: 30001-UP

4шт.

17

01643-32060

WASHER

SN: 30001-UP

4шт.

18

198-30-69440

CYLINDER

SN: 30001-UP

1шт.

19

07959-30000

VALVE

SN: 30001-UP

1шт.

20

07020-00000

FITTING

SN: 30001-UP

1шт.

21

195-30-34380

PLATE

SN: 30001-UP

1шт.

22

01010-81020

BOLT

SN: 30001-UP

2шт.

23

01643-31032

WASHER

SN: 30001-UP

2шт.

24

04070-00140

RING

SN: 30001-UP

1шт.

25

19M-30-14170

RING

SN: 30001-UP

2шт.

26

19M-30-14180

PACKING

SN: 30001-UP

1шт.

27

198-30-68210

YOKE

SN: 30001-UP

1шт.

28

04020-01842

PIN

SN: 30001-UP

1шт.

29

07000-15345

O-RING

SN: 30001-UP

1шт.

30

198-30-69170

PLATE

SN: 30001-UP

1шт.

31

01010-82455

BOLT

SN: 30001-UP

4шт.

32

01643-32460

WASHER

SN: 30001-UP

4шт.

33

19M-09-12851

BOLT

SN: 30001-UP

16шт.

34

01643-33380

WASHER

SN: 30001-UP

16шт.

Выбрано товаров: 0