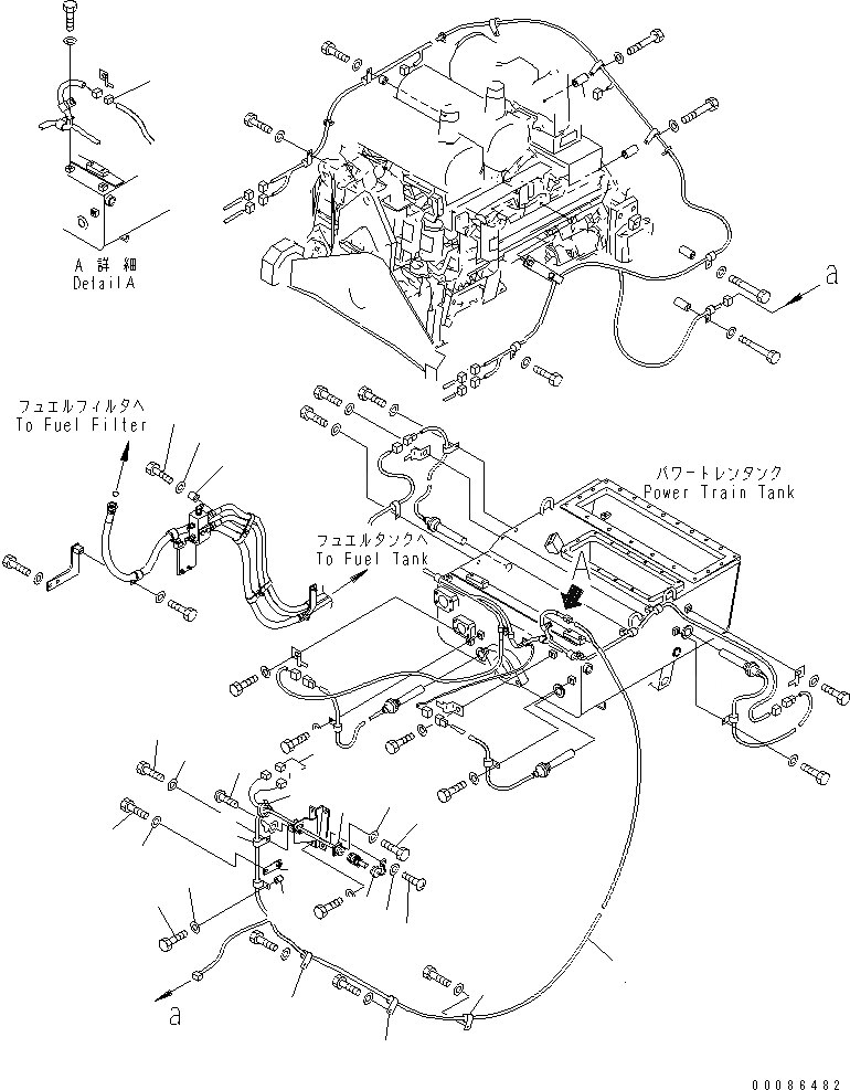
Запчасти Komatsu D475A-5E0 ХЛАДАГЕНТ И ОБОГРЕВ. МАСЛ. ПОДДОНА (ОСНОВН. РАМА Э/ПРОВОДКА) РАЗНОЕ

Схема запчастей Komatsu D475A-5E0 - ХЛАДАГЕНТ И ОБОГРЕВ. МАСЛ. ПОДДОНА (ОСНОВН. РАМА Э/ПРОВОДКА) РАЗНОЕ
1
2
3
4
4
4
5
6
7
8
9
10
11
12
13
14
15
16
17
18
19
19
19
20
21
22
FIT
1:1
100%

Артикул

Название

Примечание

Количество

1

175-06-39830

CAP

SN: 30001-UP

1шт.

2

01220-40312

SCREW

SN: 30001-UP

1шт.

3

01601-20307

WASHER

SN: 30001-UP

1шт.

4

198-06-51610

WIRING HARNESS

SN: 30001-UP

1шт.

5

22U-06-11270

FUSIBLE LINK, 65A

SN: 30001-UP

2шт.

6

01220-40312

SCREW

SN: 30001-UP

4шт.

7

01601-20307

WASHER

SN: 30001-UP

4шт.

8

01023-10610

SCREW

SN: 30001-UP

1шт.

9

154-Z11-5340

BRACKET

SN: 30001-UP

1шт.

10

01010-81225

BOLT

SN: 30001-UP

1шт.

11

01643-31232

WASHER

SN: 30001-UP

1шт.

12

08034-20414

BAND

SN: 30001-UP

1шт.

13

04434-52312

CLIP

SN: 30001-UP

2шт.

14

01010-81225

BOLT

SN: 30001-UP

1шт.

15

01643-31232

WASHER

SN: 30001-UP

1шт.

16

01010-81245

BOLT

SN: 30001-UP

1шт.

17

01643-31232

WASHER

SN: 30001-UP

1шт.

18

195-33-11220

SPACER

SN: 30001-UP

1шт.

19

04434-51512

CLIP

SN: 30001-UP

3шт.

20

20Y-03-11220

COLLAR

SN: 30001-UP

1шт.

21

01010-81260

BOLT

SN: 30001-UP

1шт.

22

01643-31232

WASHER

SN: 30001-UP

1шт.

Выбрано товаров: 22