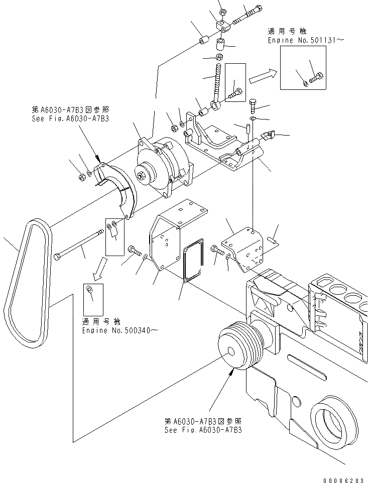
Запчасти Komatsu SAA12V140E-3A КРЕПЛЕНИЕ ГЕНЕРАТОРА (9A) ДВИГАТЕЛЬ

Схема запчастей Komatsu SAA12V140E-3A - КРЕПЛЕНИЕ ГЕНЕРАТОРА (9A) ДВИГАТЕЛЬ
1
2
3
3
4
5
6
7
7
7A
8
9
9
10
11
12
13
14
15
16
17
18
18A
19
20
21
22
23
24
24A
25
25
26
1
2
3
3
4
5
6
7
7
7A
8
9
9
10
11
12
13
14
15
16
17
18
18A
19
20
21
22
23
24
24A
25
25
26
FIT
1:1
100%

Артикул

Название

Примечание

Количество

1

600-825-9330

ALTERNATOR A. (90A),(SEE FIG.A6010-B7B8)

SN: 500001-UP

1шт.

2

6217-81-6840

BOLT

SN: 500001-UP

1шт.

3

01640-21223

WASHER

SN: 500340-UP

1шт.

3

01643-31232

WASHER

SN: 500001-500339

2шт.

4

6215-81-6180

BOLT

SN: 500001-UP

1шт.

5

01580-01008

NUT

SN: 500001-UP

1шт.

6

01643-31032

WASHER

SN: 501131-UP

1шт.

6

01643-01032

WASHER

SN: 500001-501130

1шт.

7

01010-81260

BOLT

SN: 501131-UP

1шт.

7

01010-81255

BOLT

SN: 500001-501130

1шт.

7A

01643-31232

WASHER

SN: 501131-UP

1шт.

8

6215-81-6131

ROD,ADJUSTING

SN: 500001-UP

1шт.

9

01580-11411

NUT

SN: 500001-UP

2шт.

10

6215-81-6141

PLATE

SN: 500001-UP

1шт.

11

01580-11210

NUT

SN: 500001-UP

1шт.

12

01643-31232

WASHER

SN: 501131-UP

1шт.

12

01640-21223

WASHER

SN: 500001-501130

1шт.

13

6215-81-6150

PIN

SN: 500001-UP

1шт.

14

6130-22-3940

SPACER

SN: 500001-UP

1шт.

15

6164-11-5590

SPACER

SN: 500001-UP

1шт.

16

6261-81-6890

BRACKET

SN: 500001-UP

1шт.

17

6219-81-7930

BRACKET

SN: 500001-UP

1шт.

18

01010-81030

BOLT

SN: 500001-UP

4шт.

18A

01643-31032

WASHER

SN: 500001-UP

4шт.

19

6219-81-6421

BRACKET

SN: 500833-UP

1шт.

19

0

BRACKET

SN: 500001-500832

1шт.

20

6215-81-6190

GASKET (K2)

SN: 500001-UP

1шт.

21

6219-81-6190

BRACKET

SN: 500001-UP

1шт.

22

01010-81035

BOLT

SN: 500001-UP

6шт.

23

01643-31032

WASHER

SN: 500001-UP

6шт.

24

01010-81030

BOLT

SN: 500001-UP

2шт.

24A

01643-31032

WASHER

SN: 500001-UP

2шт.

25

04020-00820

PIN,DOWEL

SN: 500001-UP

4шт.

26

04120-21951

V-BELT

SN: 500001-UP

1шт.

1

600-825-9330

ALTERNATOR A. (90A),(SEE FIG.A6010-B7B8)

SN: 500001-UP

1шт.

2

6217-81-6840

BOLT

SN: 500001-UP

1шт.

3

01640-21223

WASHER

SN: 500340-UP

1шт.

3

01643-31232

WASHER

SN: 500001-500339

2шт.

4

6215-81-6180

BOLT

SN: 500001-UP

1шт.

5

01580-01008

NUT

SN: 500001-UP

1шт.

6

01643-31032

WASHER

SN: 501131-UP

1шт.

6

01643-01032

WASHER

SN: 500001-501130

1шт.

7

01010-81260

BOLT

SN: 501131-UP

1шт.

7

01010-81255

BOLT

SN: 500001-501130

1шт.

7A

01643-31232

WASHER

SN: 501131-UP

1шт.

8

6215-81-6131

ROD,ADJUSTING

SN: 500001-UP

1шт.

9

01580-11411

NUT

SN: 500001-UP

2шт.

10

6215-81-6141

PLATE

SN: 500001-UP

1шт.

11

01580-11210

NUT

SN: 500001-UP

1шт.

12

01643-31232

WASHER

SN: 501131-UP

1шт.

12

01640-21223

WASHER

SN: 500001-501130

1шт.

13

6215-81-6150

PIN

SN: 500001-UP

1шт.

14

6130-22-3940

SPACER

SN: 500001-UP

1шт.

15

6164-11-5590

SPACER

SN: 500001-UP

1шт.

16

6261-81-6890

BRACKET

SN: 500001-UP

1шт.

17

6219-81-7930

BRACKET

SN: 500001-UP

1шт.

18

01010-81030

BOLT

SN: 500001-UP

4шт.

18A

01643-31032

WASHER

SN: 500001-UP

4шт.

19

6219-81-6421

BRACKET

SN: 500833-UP

1шт.

19

0

BRACKET

SN: 500001-500832

1шт.

20

6215-81-6190

GASKET (K2)

SN: 500001-UP

1шт.

21

6219-81-6190

BRACKET

SN: 500001-UP

1шт.

22

01010-81035

BOLT

SN: 500001-UP

6шт.

23

01643-31032

WASHER

SN: 500001-UP

6шт.

24

01010-81030

BOLT

SN: 500001-UP

2шт.

24A

01643-31032

WASHER

SN: 500001-UP

2шт.

25

04020-00820

PIN,DOWEL

SN: 500001-UP

4шт.

26

04120-21951

V-BELT

SN: 500001-UP

1шт.

Выбрано товаров: 68