Запчасти Komatsu SAA12V140E-3A ТОПЛ. НАСОС ТРУБЫ (COMMON RAIL ТРУБЫ) ДВИГАТЕЛЬ

Схема запчастей Komatsu SAA12V140E-3A - ТОПЛ. НАСОС ТРУБЫ (COMMON RAIL ТРУБЫ) ДВИГАТЕЛЬ
1
1
2
2
3
4
5
6
7
8
9
10
11
12
13
14
15
16
17
18
19
20
21
22
22
23
23
24
24
25
25
26
27
28
29
29
30
31
31
31
32
32
1
1
2
2
3
4
5
6
7
8
9
10
11
12
13
14
15
16
17
18
19
20
21
22
22
23
23
24
24
25
25
26
27
28
29
29
30
31
31
31
32
32
FIT
1:1
100%

Артикул

Название

Примечание

Количество

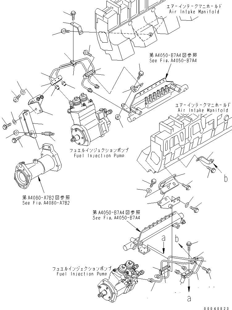
1

6219-71-5140

TUBE,SUPPLY, L.H.

SN: 500001-UP

2шт.

2

6219-71-5120

TUBE,SUPPLY, R.H.

SN: 500001-UP

2шт.

3

6219-71-4550

BRACKET

SN: 500001-UP

1шт.

4

01435-01025

BOLT

SN: 500001-UP

2шт.

5

6219-71-4470

BRACKET

SN: 500001-UP

1шт.

6

01435-01030

BOLT

SN: 500001-UP

2шт.

7

01643-31032

WASHER

SN: 500001-UP

2шт.

8

6219-71-4350

BRACKET

SN: 500001-UP

1шт.

9

01435-01025

BOLT

SN: 500001-UP

2шт.

10

01643-31032

WASHER

SN: 500001-UP

2шт.

11

6219-71-4340

BRACKET

SN: 500001-UP

1шт.

12

01435-01020

BOLT

SN: 500001-UP

2шт.

13

6215-71-4921

BOLT

SN: 500001-UP

2шт.

14

01584-01008

NUT

SN: 500001-UP

2шт.

15

6219-71-4460

BRACKET

SN: 500001-UP

1шт.

16

01435-01025

BOLT

SN: 500001-UP

1шт.

17

6219-71-5350

BRACKET

SN: 500001-UP

1шт.

18

01435-01025

BOLT

SN: 500001-UP

1шт.

19

6217-71-5281

BRACKET

SN: 500001-UP

1шт.

20

01435-01025

BOLT

SN: 500001-UP

1шт.

21

01584-01008

NUT

SN: 500001-UP

1шт.

22

6217-71-5171

CLAMP

SN: 501988-UP

2шт.

22

6217-71-5170

CLAMP

SN: 500001-501987

2шт.

23

6217-71-5211

CLAMP

SN: 501988-UP

2шт.

23

6217-71-5210

CLAMP

SN: 500001-501987

2шт.

24

01435-00640

BOLT

SN: 500001-UP

4шт.

25

01643-30823

WASHER

SN: 500045-UP

4шт.

25

01643-30623

WASHER

SN: 500001-500044

4шт.

26

6217-71-6640

CLAMP

SN: 500001-UP

1шт.

27

6217-71-6650

CLAMP

SN: 500001-UP

1шт.

28

01435-00630

BOLT

SN: 500001-UP

1шт.

29

6166-85-6721

CLAMP

SN: 501988-UP

2шт.

29

6166-85-6720

CLAMP

SN: 500001-501987

2шт.

30

01435-00840

BOLT

SN: 500001-UP

1шт.

31

6217-71-5211

CLAMP

SN: 501988-UP

4шт.

31

6217-71-5210

CLAMP

SN: 500001-501987

4шт.

32

01435-00630

BOLT

SN: 500001-UP

4шт.

1

6219-71-5140

TUBE,SUPPLY, L.H.

SN: 500001-UP

2шт.

2

6219-71-5120

TUBE,SUPPLY, R.H.

SN: 500001-UP

2шт.

3

6219-71-4550

BRACKET

SN: 500001-UP

1шт.

4

01435-01025

BOLT

SN: 500001-UP

2шт.

5

6219-71-4470

BRACKET

SN: 500001-UP

1шт.

6

01435-01030

BOLT

SN: 500001-UP

2шт.

7

01643-31032

WASHER

SN: 500001-UP

2шт.

8

6219-71-4350

BRACKET

SN: 500001-UP

1шт.

9

01435-01025

BOLT

SN: 500001-UP

2шт.

10

01643-31032

WASHER

SN: 500001-UP

2шт.

11

6219-71-4340

BRACKET

SN: 500001-UP

1шт.

12

01435-01020

BOLT

SN: 500001-UP

2шт.

13

6215-71-4921

BOLT

SN: 500001-UP

2шт.

14

01584-01008

NUT

SN: 500001-UP

2шт.

15

6219-71-4460

BRACKET

SN: 500001-UP

1шт.

16

01435-01025

BOLT

SN: 500001-UP

1шт.

17

6219-71-5350

BRACKET

SN: 500001-UP

1шт.

18

01435-01025

BOLT

SN: 500001-UP

1шт.

19

6217-71-5281

BRACKET

SN: 500001-UP

1шт.

20

01435-01025

BOLT

SN: 500001-UP

1шт.

21

01584-01008

NUT

SN: 500001-UP

1шт.

22

6217-71-5171

CLAMP

SN: 501988-UP

2шт.

22

6217-71-5170

CLAMP

SN: 500001-501987

2шт.

23

6217-71-5211

CLAMP

SN: 501988-UP

2шт.

23

6217-71-5210

CLAMP

SN: 500001-501987

2шт.

24

01435-00640

BOLT

SN: 500001-UP

4шт.

25

01643-30823

WASHER

SN: 500045-UP

4шт.

25

01643-30623

WASHER

SN: 500001-500044

4шт.

26

6217-71-6640

CLAMP

SN: 500001-UP

1шт.

27

6217-71-6650

CLAMP

SN: 500001-UP

1шт.

28

01435-00630

BOLT

SN: 500001-UP

1шт.

29

6166-85-6721

CLAMP

SN: 501988-UP

2шт.

29

6166-85-6720

CLAMP

SN: 500001-501987

2шт.

30

01435-00840

BOLT

SN: 500001-UP

1шт.

31

6217-71-5211

CLAMP

SN: 501988-UP

4шт.

31

6217-71-5210

CLAMP

SN: 500001-501987

4шт.

32

01435-00630

BOLT

SN: 500001-UP

4шт.

Выбрано товаров: 74