Запчасти Komatsu SAA12V140E-3A ТОПЛИВОПРОВОД. (ЛЕВ. ГРУПП.) (EXTREMELY BAD ТОПЛИВН. И ПЛОХ. ТОПЛИВО ARRANGEMENT СПЕЦ-Я.) (ВОДН.+DUST)(№999-) ДВИГАТЕЛЬ

Схема запчастей Komatsu SAA12V140E-3A - ТОПЛИВОПРОВОД. (ЛЕВ. ГРУПП.) (EXTREMELY BAD ТОПЛИВН. И ПЛОХ. ТОПЛИВО ARRANGEMENT СПЕЦ-Я.) (ВОДН.+DUST)(№999-) ДВИГАТЕЛЬ
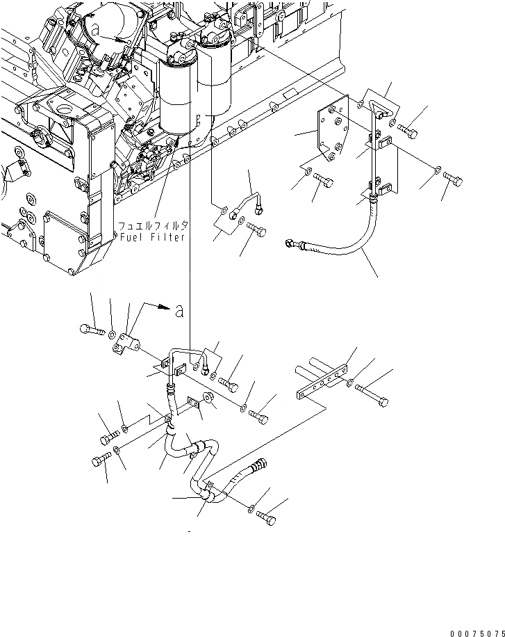
1
2
3
4
5
6
7
8
8
8
9
9
9
10
10
11
11
12
13
14
15
16
17
18
19
20
21
21
21
22
22
22
23
24
25
26
26
27
28
1
2
3
4
5
6
7
8
8
8
9
9
9
10
10
11
11
12
13
14
15
16
17
18
19
20
21
21
21
22
22
22
23
24
25
26
26
27
28
FIT
1:1
100%

Артикул

Название

Примечание

Количество

1

6219-71-7690

HOSE

SN: 500999-UP

1шт.

2

6219-71-7140

BRACKET

SN: 500999-UP

1шт.

3

01011-81025

BOLT

SN: 500999-UP

2шт.

4

01643-31032

WASHER

SN: 500999-UP

2шт.

5

6219-71-7620

BRACKET

SN: 500999-UP

1шт.

6

01010-81035

BOLT

SN: 500999-UP

1шт.

7

01643-31032

WASHER

SN: 500999-UP

1шт.

8

04434-52511

CLIP

SN: 500999-UP

3шт.

9

07095-20318

CUSHION

SN: 500999-UP

3шт.

10

01010-81020

BOLT

SN: 500999-UP

3шт.

11

01643-31032

WASHER

SN: 500999-UP

3шт.

12

01584-01008

NUT

SN: 500999-UP

1шт.

13

6150-81-8980

PLATE

SN: 500999-UP

1шт.

14

01010-81070

BOLT

SN: 500999-UP

1шт.

15

01643-31032

WASHER

SN: 500999-UP

1шт.

16

6934-52-6810

CLAMP

SN: 500999-UP

2шт.

17

01010-81040

BOLT

SN: 500999-UP

1шт.

18

01643-31032

WASHER

SN: 500999-UP

1шт.

19

6219-71-7680

TUBE

SN: 500999-UP

1шт.

20

6219-71-7740

HOSE

SN: 500999-UP

1шт.

21

07206-31014

BOLT

SN: 500999-UP

4шт.

22

07005-01412

SEAL, WASHER

SN: 500999-UP

8шт.

23

6219-71-4790

BRACKET

SN: 500999-UP

1шт.

24

01010-81030

BOLT

SN: 500999-UP

4шт.

25

01643-31032

WASHER

SN: 500999-UP

4шт.

26

6934-52-6810

CLAMP

SN: 500999-UP

4шт.

27

01010-80835

BOLT

SN: 500999-UP

2шт.

28

01643-30823

WASHER

SN: 500999-UP

2шт.

1

6219-71-7690

HOSE

SN: 500999-UP

1шт.

2

6219-71-7140

BRACKET

SN: 500999-UP

1шт.

3

01011-81025

BOLT

SN: 500999-UP

2шт.

4

01643-31032

WASHER

SN: 500999-UP

2шт.

5

6219-71-7620

BRACKET

SN: 500999-UP

1шт.

6

01010-81035

BOLT

SN: 500999-UP

1шт.

7

01643-31032

WASHER

SN: 500999-UP

1шт.

8

04434-52511

CLIP

SN: 500999-UP

3шт.

9

07095-20318

CUSHION

SN: 500999-UP

3шт.

10

01010-81020

BOLT

SN: 500999-UP

3шт.

11

01643-31032

WASHER

SN: 500999-UP

3шт.

12

01584-01008

NUT

SN: 500999-UP

1шт.

13

6150-81-8980

PLATE

SN: 500999-UP

1шт.

14

01010-81070

BOLT

SN: 500999-UP

1шт.

15

01643-31032

WASHER

SN: 500999-UP

1шт.

16

6934-52-6810

CLAMP

SN: 500999-UP

2шт.

17

01010-81040

BOLT

SN: 500999-UP

1шт.

18

01643-31032

WASHER

SN: 500999-UP

1шт.

19

6219-71-7680

TUBE

SN: 500999-UP

1шт.

20

6219-71-7740

HOSE

SN: 500999-UP

1шт.

21

07206-31014

BOLT

SN: 500999-UP

4шт.

22

07005-01412

SEAL, WASHER

SN: 500999-UP

8шт.

23

6219-71-4790

BRACKET

SN: 500999-UP

1шт.

24

01010-81030

BOLT

SN: 500999-UP

4шт.

25

01643-31032

WASHER

SN: 500999-UP

4шт.

26

6934-52-6810

CLAMP

SN: 500999-UP

4шт.

27

01010-80835

BOLT

SN: 500999-UP

2шт.

28

01643-30823

WASHER

SN: 500999-UP

2шт.

Выбрано товаров: 0