Запчасти Komatsu SAA12V140E-3A ТОПЛИВН. PОБОД КОЛЕСАING НАСОС (EXTREMELY BAD ТОПЛИВН. И ПЛОХ. ТОПЛИВО ARRANGEMENT СПЕЦ-Я.) (ВОДН.+DUST)(№999-) ДВИГАТЕЛЬ

Схема запчастей Komatsu SAA12V140E-3A - ТОПЛИВН. PОБОД КОЛЕСАING НАСОС (EXTREMELY BAD ТОПЛИВН. И ПЛОХ. ТОПЛИВО ARRANGEMENT СПЕЦ-Я.) (ВОДН.+DUST)(№999-) ДВИГАТЕЛЬ
1
1
2
2
2
2
3
3
3
3
4
4
4
4
5
5
5
5
6
6
6
7
7
7
8
8
9
9
10
10
10
10
10
10
10
10
11
11
11
11
11
11
11
11
12
12
13
13
14
14
15
15
16
16
17
17
18
18
1
1
2
2
2
2
3
3
3
3
4
4
4
4
5
5
5
5
6
6
6
7
7
7
8
8
9
9
10
10
10
10
10
10
10
10
11
11
11
11
11
11
11
11
12
12
13
13
14
14
15
15
16
16
17
17
18
18
FIT
1:1
100%

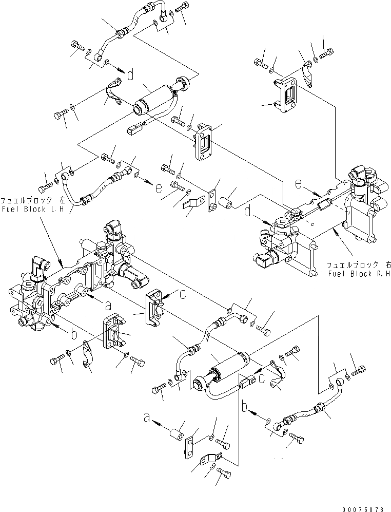
Артикул

Название

Примечание

Количество

1

6245-71-8110

PUMP ASS'Y

SN: 500999-UP

2шт.

2

6245-71-5680

BRACKET

SN: 500999-UP

4шт.

3

01010-80616

BOLT

SN: 500999-UP

8шт.

4

01643-30623

WASHER

SN: 500999-UP

8шт.

5

6219-71-8600

BLOCK

SN: 500999-UP

4шт.

6

01010-81030

BOLT

SN: 500999-UP

8шт.

7

01643-31032

WASHER

SN: 500999-UP

8шт.

8

6219-71-6820

HOSE

SN: 500999-UP

2шт.

9

6219-71-6830

HOSE

SN: 500999-UP

2шт.

10

07206-30812

BOLT

SN: 500999-UP

8шт.

11

07005-01212

SEAL, WASHER

SN: 500999-UP

16шт.

12

6212-85-2440

BRACKET

SN: 500999-UP

2шт.

13

6166-11-5391

SPACER

SN: 500999-UP

2шт.

14

01010-81050

BOLT

SN: 500999-UP

2шт.

15

01643-31032

WASHER

SN: 500999-UP

2шт.

16

08193-20010

CLIP

SN: 500999-UP

2шт.

17

01010-81020

BOLT

SN: 500999-UP

2шт.

18

01643-31032

WASHER

SN: 500999-UP

2шт.

1

6245-71-8110

PUMP ASS'Y

SN: 500999-UP

2шт.

2

6245-71-5680

BRACKET

SN: 500999-UP

4шт.

3

01010-80616

BOLT

SN: 500999-UP

8шт.

4

01643-30623

WASHER

SN: 500999-UP

8шт.

5

6219-71-8600

BLOCK

SN: 500999-UP

4шт.

6

01010-81030

BOLT

SN: 500999-UP

8шт.

7

01643-31032

WASHER

SN: 500999-UP

8шт.

8

6219-71-6820

HOSE

SN: 500999-UP

2шт.

9

6219-71-6830

HOSE

SN: 500999-UP

2шт.

10

07206-30812

BOLT

SN: 500999-UP

8шт.

11

07005-01212

SEAL, WASHER

SN: 500999-UP

16шт.

12

6212-85-2440

BRACKET

SN: 500999-UP

2шт.

13

6166-11-5391

SPACER

SN: 500999-UP

2шт.

14

01010-81050

BOLT

SN: 500999-UP

2шт.

15

01643-31032

WASHER

SN: 500999-UP

2шт.

16

08193-20010

CLIP

SN: 500999-UP

2шт.

17

01010-81020

BOLT

SN: 500999-UP

2шт.

18

01643-31032

WASHER

SN: 500999-UP

2шт.

Выбрано товаров: 0