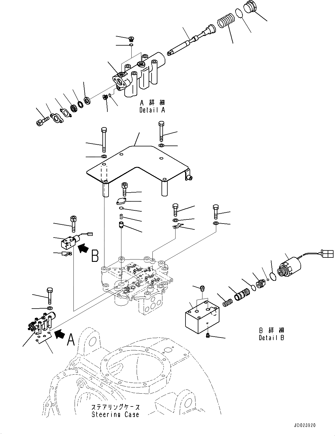
Запчасти Komatsu D475A-5E0 СИЛОВАЯ ПЕРЕДАЧА, КЛАПАН РУЛЕВОГО УПРАВЛЕНИЯ (/) (№7-) СИЛОВАЯ ПЕРЕДАЧА

Схема запчастей Komatsu D475A-5E0 - СИЛОВАЯ ПЕРЕДАЧА, КЛАПАН РУЛЕВОГО УПРАВЛЕНИЯ (/) (№7-) СИЛОВАЯ ПЕРЕДАЧА
30
29
43
41
31
15
16
14
27
17
28
39
40
42
37
38
1
36
34
35
33
32
12
12
13
13
1
2
3
4
5
6
9
8
11
10
7
17
18
19
20
21
22
23
24
25
26
FIT
1:1
100%

Артикул

Название

Примечание

Количество

|$0

198-22-60002

Power Train Assembly

SN: 30147-UP

1шт.

|$1

198-22-61002

Steering Assembly

SN: 30147-UP

1шт.

|$2

198-22-62003

Valve Assembly

SN: 30147-UP

1шт.

|$3

195-22-71101

Valve Assembly

SN: 30147-UP

1шт.

1

195-22-71111

Valve Body

SN: 30147-UP

1шт.

2

195-22-71120

Spool

SN: 30147-UP

1шт.

3

195-22-76130

Spring

SN: 30147-UP

1шт.

4

362-15-15550

Plug

SN: 30147-UP

1шт.

5

07002-63034

O-ring

SN: 30147-UP

1шт.

6

700-22-11270

Plate

SN: 30147-UP

1шт.

7

01252-70616

Bolt, Hexagon Socket Head

SN: 30147-UP

2шт.

8

700-22-11421

Gasket

SN: 30147-UP

1шт.

9

700-22-11261

Seal, Dust

SN: 30147-UP

1шт.

10

700-22-11430

Collar

SN: 30147-UP

1шт.

11

700-22-11252

U-packing

SN: 30147-UP

1шт.

12

723-11-18190

Plug

SN: 30147-UP

3шт.

13

07002-61023

O-ring

SN: 30147-UP

3шт.

14

07000-72015

O-ring

SN: 30147-UP

4шт.

15

01010-80895

Bolt

SN: 30147-UP

4шт.

16

01643-30823

Washer

SN: 30147-UP

4шт.

16

198-22-62100

Valve Assembly

SN: 30147-UP

1шт.

17

Valve Body

SN: 30147-UP

1шт.

18

Spool

SN: 30147-UP

1шт.

19

Spring, L=24.5mm

SN: 30147-UP

1шт.

20

Valve

SN: 30147-UP

1шт.

21

Plug

SN: 30147-UP

1шт.

22

Solenoid

SN: 30147-UP

1шт.

23

O-ring

SN: 30147-UP

1шт.

24

O-ring

SN: 30147-UP

1шт.

25

Ball

SN: 30147-UP

1шт.

26

Plug

SN: 30147-UP

2шт.

27

07000-72010

O-ring

SN: 30147-UP

4шт.

28

01252-70650

Bolt

SN: 30147-UP

4шт.

29

08193-20010

Clip

SN: 30147-UP

1шт.

30

01010-81020

Bolt

SN: 30147-UP

1шт.

31

01643-31032

Washer

SN: 30147-UP

1шт.

32

07750-01623

Valve

SN: 30147-UP

1шт.

33

07750-01628

Spring

SN: 30147-UP

1шт.

34

709-25-11670

Cover

SN: 30147-UP

1шт.

35

07000-72021

O-ring

SN: 30147-UP

1шт.

36

01252-60616

Bolt, Hexagon Socket Head

SN: 30147-UP

2шт.

37

01010-61660

Bolt

SN: 30147-UP

2шт.

38

01643-31645

Washer

SN: 30147-UP

2шт.

39

198-22-65152

Cover

SN: 30147-UP

1шт.

40

01011-61690

Bolt

SN: 30147-UP

3шт.

41

01643-31645

Washer

SN: 30147-UP

3шт.

42

01011-61655

Bolt

SN: 30147-UP

1шт.

43

01643-31645

Washer

SN: 30147-UP

1шт.

Выбрано товаров: 48